×
Buy Suzuki GSX Parts Online
home
GSX750E 1984 (E) (E01 E02 6 15 16 17 18 21 22 24 25 26 30 34 39)
* COLOR CHART *
0 products
* COLOR CHART *
0 products
* CATALOG PREFACE *
0 products
* CONVERSION CHART *
0 products
CYLINDER HEAD COVER
18 products
CAM SHAFT - VALVE
20 products
CAM CHAIN
19 products
CARBURETOR
89 products
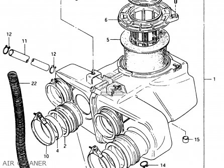
AIR CLEANER
28 products
MUFFLER (MODEL D)
21 products
MUFFLER (MODEL E)
23 products
OIL COOLER
17 products
CLUTCH
29 products
TRANSMISSION
47 products
TRANSMISSION (E18)
50 products
CYLINDER HEAD
35 products
GEAR SHIFTING
46 products
STARTING MOTOR
15 products
GENERATOR
10 products
SIGNAL GENERATOR
12 products
BATTERY
12 products
ELECTRICAL
28 products
SPEEDOMETER - TACHOMETER
44 products
HEADLAMP (GSX750ESD/ESE/EFE)
33 products
HEADLAMP (GSX750EE)
24 products
TURN SIGNAL LAMP (E1, E6, E24, E27, E30)
23 products
CYLINDER
16 products
TURN SIGNAL LAMP (E2,E15,E16,E17,E22,E26)
24 products
TURN SIGNAL LAMP (E4,E18,E21,E25,E34,E39,E53)
22 products
REAR COMBINATION LAMP
40 products
WIRING HARNESS
43 products
FRAME (MODEL D)
18 products
FRAME (MODEL E)
20 products
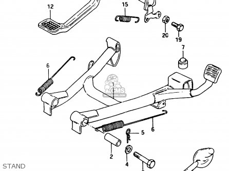
STAND
21 products
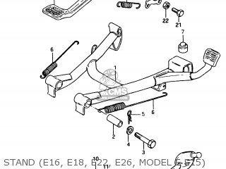
STAND (E16, E18, E22, E26, MODEL E E15)
22 products
FOOTREST
49 products
FUEL TANK (GSX750ESD)
14 products
CRANKCASE
45 products
FUEL TANK (GSX750ESE)
19 products
FUEL TANK (GSX750EFE)
19 products
FUEL TANK (GSX750EE)
19 products
FUEL COCK
20 products
SEAT
19 products
SEAT TAIL COVER (GSX750ESD)
22 products
SEAT TAIL COVER (GSX750ESE/EFE)
24 products
SEAT TAIL COVER (GSX750EE)
24 products
FRAME COVER (GSX750ESD)
18 products
FRAME COVER (GSX750ESE/EFE)
10 products
CRANKCASE COVER (MODEL D)
30 products
FRAME COVER (GSX750EE)
22 products
FRONT DAMPER (MODEL D)
42 products
FRONT DAMPER (MODEL E)
42 products
STEERING STEM (MODEL D)
21 products
STEERING STEM (MODEL E)
21 products
FRONT FENDER (GSX750ESD/ESE/EFE)
8 products
HEADLAMP HOUSING - FRONT FENDER (GSX750EE)
15 products
FRONT WHEEL (GSX750ESD)
19 products
FRONT WHEEL (GSX750ESD E6, E24, E27 F.NO.110576~)
19 products
FRONT WHEEL (GSX750ESE/EE/EFE)
19 products
CRANKCASE COVER (MODEL E)
30 products
FRONT WHEEL (GSX750ESE/EFE E6, E24)
19 products
HANDLE BAR (GSX750ESD)
37 products
HANDLE BAR (GSX750ESE/EFE)
33 products
HANDLE BAR (GSX750EE)
37 products
RIGHT HANDLE SWITCH
19 products
LEFT HANDLE SWITCH
19 products
FRONT CALIPERS
20 products
FRONT BRAKE HOSE (GSX750ESD/ESE/EFE)
20 products
FRONT BRAKE HOSE (GSX750EE)
23 products
FRONT MASTER CYLINDER (GSX750ESD)
11 products
OIL PUMP - OIL FILTER
41 products
FRONT MASTER CYLINDER (GSX750ESE/EFE)
9 products
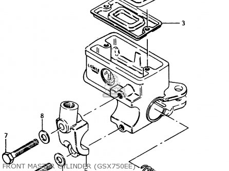
FRONT MASTER CYLINDER (GSX750EE)
9 products
REAR SWINGING ARM (MODEL D)
26 products
REAR SWINGING ARM (MODEL E)
28 products
SHDCK ABSORBER (MODEL D)
25 products
SHOCK ABSORBER (MODEL E)
24 products
CUSHION LEVER (MODEL D)
24 products
CUSHION LEVER (MODEL E)
23 products
REAR FENDER
21 products
REAR WHEEL (MODEL D)
34 products
CRANKSHAFT
34 products
REAR WHEEL (MODEL E)
34 products
REAR WHEEL (MODEL D E6,E24,E27 F.NO.110576~/GSX750ESE/EFE E6,E24
38 products
REAR CALIPERS
15 products
REAR BRAKE HOSE
4 products
REAR MASTER CYLINDER (MODEL D)
24 products
REAR MASTER CYLINDER (MODEL E)
22 products
CHAIN LOCK
2 products
COWLING (GSX750ESD)
41 products
COWLING (GSX750ESE)
35 products
COWLING (GSX750EFE)
69 products
STARTER CLUTCH
8 products
OPTIONAL
38 products
up
popular products
0813363037
BEARING
Suzuki
1114131301
GASKET,CYLINDER HEAD (MCA)
Suzuki
0947112035
BULB(12V23W)
Suzuki
3491033400
CABLE ASSY,SPEEDOMETER
Suzuki