Buy Suzuki GSX Parts Online

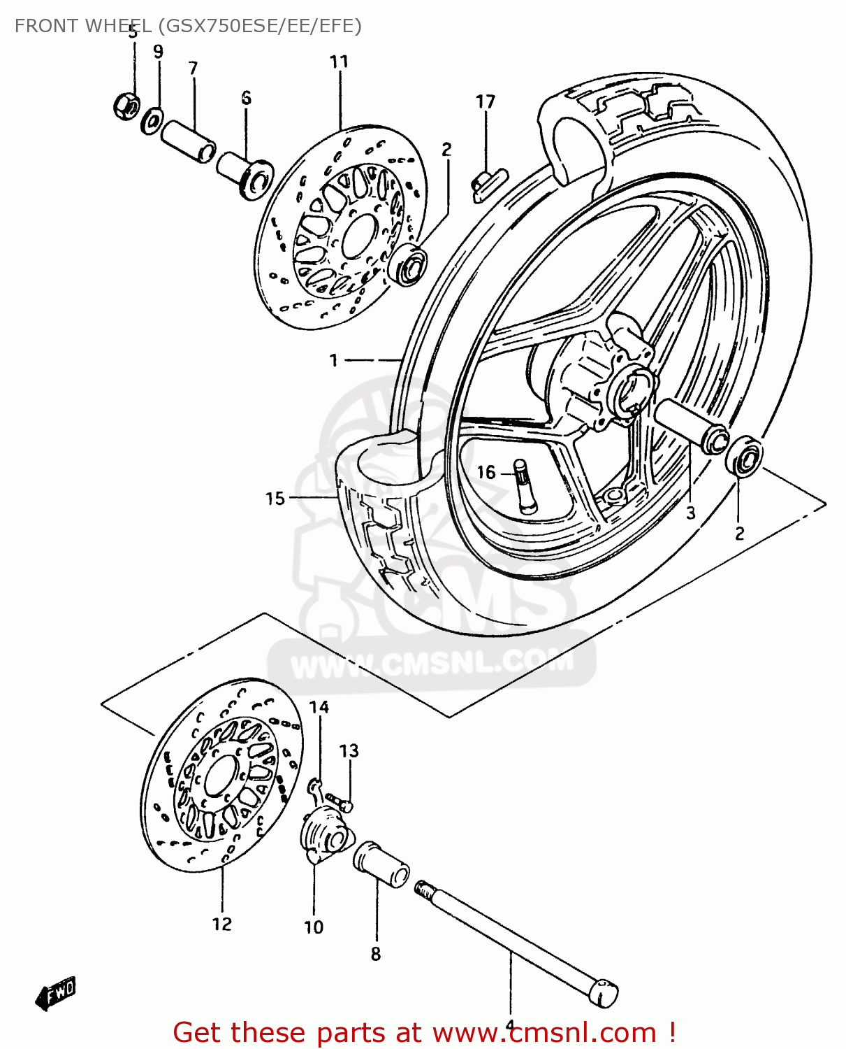
FRONT WHEEL (GSX750ESE/EE/EFE)

GSX750ES 1984 (E) (E01 E02 4 6 15 16 17 18 21 22 24 25 34 39 53)

Front wheel (gsx750ese/ee/efe) diagram GSX750ES 1984 (E) (E01 E02 4 6 15 16 17 18 21 22 24 25 34 39 53)

FRONT WHEEL (GSX750ESE/EE/EFE) GSX750ES 1984 (E) (E01 E02 4 6 15 16 17 18 21 22 24 25 34 39 53)
FRONT WHEEL (GSX750ESE/EE/EFE) GSX750ES 1984 (E) (E01 E02 4 6 15 16 17 18 21 22 24 25 34 39 53)
FRONT WHEEL (GSX750ESE/EE/EFE) GSX750ES 1984 (E) (E01 E02 4 6 15 16 17 18 21 22 24 25 34 39 53)
prices are in EUR
ref
part #
description
quantity
1
541110931019T
ref: 1
CASTING,WHEEL
€ 576.00

2
0812363027
ref: 2
BEARING
0812363027
€ 21.00

3
5473009300
ref: 3
SPACER,FRONT HUB BEARING
5473009300
€ 9.50

4
5471109300
ref: 4
AXLE,FR
5471109300
€ 42.00

5
0915912011
ref: 5
NUT
0915912011
€ 8.50

6
5474018402
ref: 6
SPACER,FR AXLE,R
5474018402
€ 21.50

7
5474149300
ref: 7
SPACER,FR AXLE,R
5474149300
€ 19.00

8
5474149000
ref: 8
SPACER,FR AXLE,L
5474149000
€ 16.50

9
0832221128
ref: 9
WASHER
0832221128
€ 2.00

10
5460031301
ref: 10
BOX ASSEMBLY,SPEEDOMETER GEAR
5460031301
€ 90.00

11
5921109300
ref: 11
DISC,BRAKE,RIGHT
5921109300
€ 243.00

12
5922109300
ref: 12
DISC,BRAKE,LEFT
5922109300
€ 243.00

13
0910008140
ref: 13
BOLT(8X25)
0910008140
€ 2.00

14
0916908016
ref: 14
WASHER
0916908016
€ 4.00

15
5510031395
ref: 15

MICHELIN
TIRE, TUBELESS (100/90-16)
€ 117.50

16
4313075150
ref: 16
VALVE,TIRE
4313075150
€ 14.50

17
5541100A0019T
ref: 17
BALANCER,WHEEL
€ 7.00

17
5541200A0019T
ref: 17
BALANCER,WHEEL
5541200A0019T
€ 7.00

17
5541300A0019T
ref: 17
BALANCER,WHEEL
€ 4.00

all assemblies