×
Buy Suzuki GSXR Parts Online
home
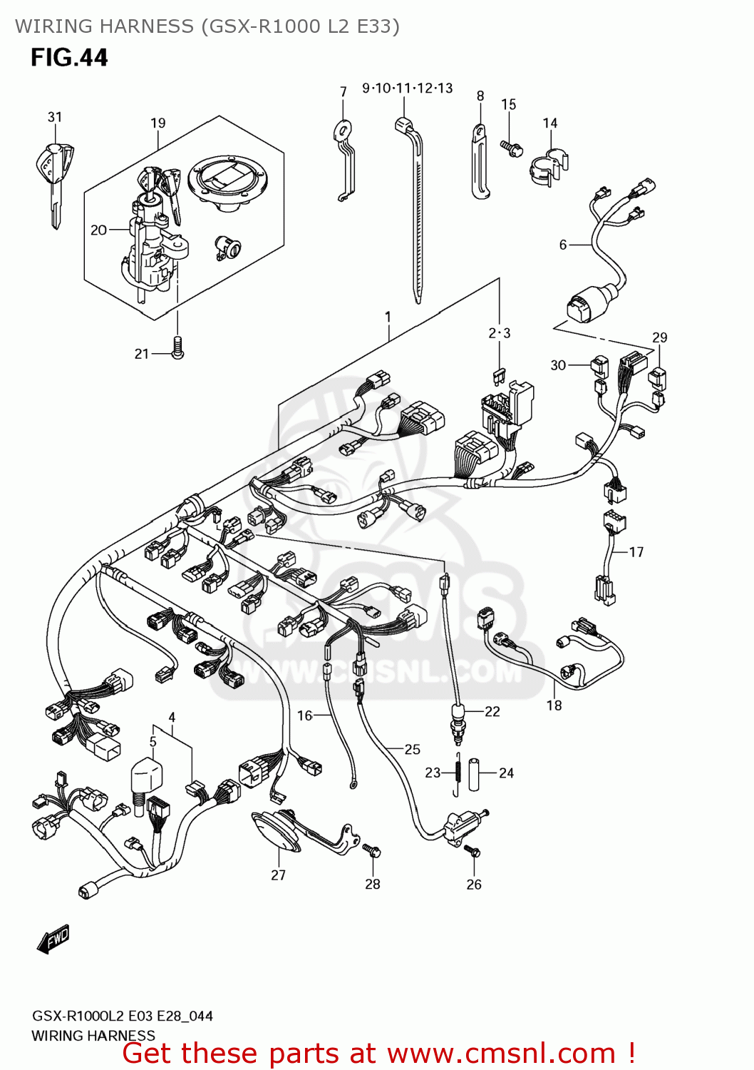
WIRING HARNESS (GSX-R1000 L2 E33)
GSXR1000 2012 (L2) USA (E03)
Wiring harness (gsx-r1000 l2 e33) diagram GSXR1000 2012 (L2) USA (E03)
WIRING HARNESS (GSX-R1000 L2 E33) GSXR1000 2012 (L2) USA (E03)
×
prices are in EUR
ref
part #
description
quantity
1
3661047H80
ref: 1
HARNESS,WIRING
€ 731.00
2
0948110501
ref: 2
FUSE(10A)
€ 3.00
3
0948115501
ref: 3
FUSE(15A)
€ 1.00
4
3662047H10
ref: 4
HARNESS,WIRING NO.2
€ 155.00
5
3661847H00
ref: 5
COVER,CONNECTOR
€ 14.50
6
3685547H00
ref: 6
WIRE,RR COMB
€ 43.00
7
0940306322
ref: 7
CLAMP
€ 5.50
8
0940406429
ref: 8
CLAMP(L:45)
€ 3.00
9
0940714403
ref: 9
CLAMP(L:125)
€ 2.50
10
0940711401
ref: 10
CLAMP(L:95)
€ 2.50
11
0940718402
ref: 11
CLAMP(L:165)
€ 2.50
12
0940719401
ref: 12
CLAMP(L:190)
€ 2.00
13
0940719401
ref: 13
CLAMP(L:190)
€ 2.00
14
0940800242
ref: 14
CLAMP
€ 2.50
15
015470612A
ref: 15
BOLT
€ 2.50
16
3685147H00
ref: 16
WIRE,OIL PRESSURE SWITCH LEAD
€ 10.50
17
3685747H00
ref: 17
WIRE,RELAY LEAD
€ 62.50
18
3685947H10
ref: 18
WIRE,ISC LEAD
€ 129.50
19
3710140841
ref: 19
LOCK SET
€ 346.50
20
3710041G11
ref: 20
LOCK ASSY,STEERING
€ 120.00
21
0913908016
ref: 21
BOLT(8X20)
€ 4.00
22
3774031D00
ref: 22
SWITCH ASSY,STOP LAMP
€ 22.50
23
0944306087
ref: 23
SPRING
€ 3.50
24
0935250823600
ref: 24
44420-44AR0
HOSE(5X8.2X600)
€ 14.00
25
3784020E00
ref: 25
SWITCH ASSY,SIDE STAND
€ 110.00
26
0910306286
ref: 26
BOLT(6X20)
€ 2.50
27
3850047H00
ref: 27
HORN ASSY
€ 79.50
28
015500616B
ref: 28
BOLT
€ 2.50
29
3874024X50
ref: 29
RELAY ASSY
€ 37.50
30
3874024X50
ref: 30
RELAY ASSY
€ 37.50
31
3714641G00
ref: 31
KEY,BLANK(IMMOBII)
€ 49.50
up
all assemblies
2ND AIR
AIR CLEANER
BATTERY
BODY COWL COVER
CAM CHAIN
CAMSHAFT - VALVE
CLUTCH
COWLING BODY
CRANK BALANCER
CRANKCASE
CRANKCASE COVER
CRANKSHAFT
CYLINDER HEAD
CYLINDER HEAD COVER
ELECTRICAL (GSX-R1000 L2 E03)
ELECTRICAL (GSX-R1000 L2 E28)
ELECTRICAL (GSX-R1000 L2 E33)
EVAP SYSTEM (GSX-R1000 L2 E33)
FOOTREST
FRAME
FRAME CENTER COVER
FRAME COVER
FRAME SIDE COVER
FRONT BRAKE HOSE
FRONT CALIPER
FRONT DAMPER
FRONT FENDER
FRONT MASTER CYLINDER
FRONT WHEEL
FUEL PUMP
FUEL TANK (GSX-R1000 L2 E03)
FUEL TANK (GSX-R1000 L2 E28)
FUEL TANK (GSX-R1000 L2 E33)
FUEL TANK FRONT COVER
GASKET SET
GEAR SHIFTING
GENERATOR
HANDLE LEVER
HANDLE SWITCH
HANDLEBAR
HEADLAMP
INTAKE PIPE
LABEL (GSX-R1000 L2 E03)
LABEL (GSX-R1000 L2 E28)
LABEL (GSX-R1000 L2 E33)
MUFFLER
OIL COOLER
OIL PAN - OIL PUMP
PARTS HOLDER BRACKET
RADIATOR
RADIATOR HOSE
REAR CALIPER
REAR COMBINATION LAMP
REAR CUSHION LEVER (GSX-R1000 L2 E03)
REAR CUSHION LEVER (GSX-R1000 L2 E28)
REAR CUSHION LEVER (GSX-R1000 L2 E33)
REAR FENDER
REAR MASTER CYLINDER
REAR SWINGING ARM
REAR WHEEL
SEAT
SEAT TAIL BOX (OPTIONAL)
SIDE COWLING
SIGNAL GENERATOR
SPEEDOMETER (GSX-R1000 L2 E03)
SPEEDOMETER (GSX-R1000 L2 E28)
SPEEDOMETER (GSX-R1000 L2 E33)
STAND
STARTER CLUTCH
STARTING MOTOR
STEERING STEM
THROTTLE BODY (GSX-R1000 L2 E03)
THROTTLE BODY (GSX-R1000 L2 E28)
THROTTLE BODY (GSX-R1000 L2 E33)
THROTTLE BODY HOSE/JOINT (GSX-R1000 L2 E03)
THROTTLE BODY HOSE/JOINT (GSX-R1000 L2 E28)
THROTTLE BODY HOSE/JOINT (GSX-R1000 L2 E33)
TRANSMISSION
TURNSIGNAL LAMP
UNDER COWLING
WATER PUMP
WIRING HARNESS (GSX-R1000 L2 E03)
WIRING HARNESS (GSX-R1000 L2 E28)
WIRING HARNESS (GSX-R1000 L2 E33)
up