×
Buy Suzuki TS Parts Online
home
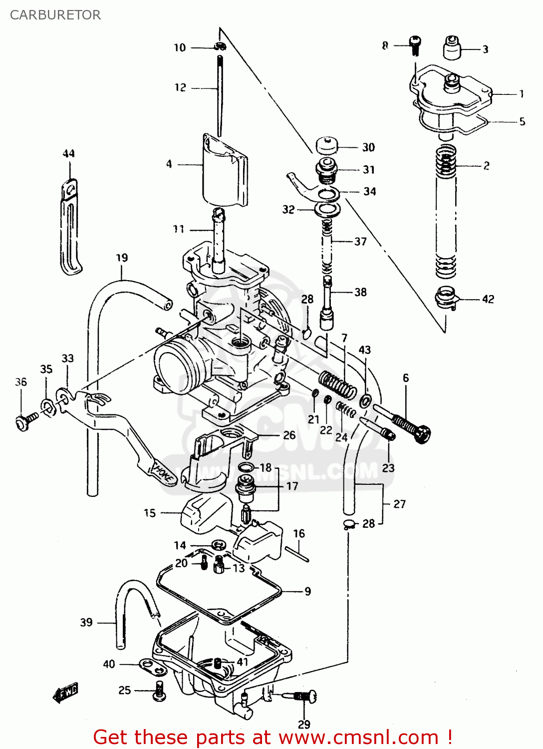
CARBURETOR
TS125R 1993 (P) (E02 E04 E18 E21)
Carburetor diagram TS125R 1993 (P) (E02 E04 E18 E21)
CARBURETOR TS125R 1993 (P) (E02 E04 E18 E21)
×
prices are in EUR
ref
part #
description
quantity
0
1320003D10
ref: 0
MODEL K
CARBURETOR ASSY
€ 383.00
0
1320003D11
ref: 0
MODEL L/M/N/P/R
CARBURETOR ASSY
€ 383.00
0
1320003D30
ref: 0
E21,E34,E53MODEL K E
CARBURETOR ASSY
€ 383.00
0
1320003D70
ref: 0
MODEL M/N E15
CARBURETOR ASSY
€ 0.00
0
1320003D20
ref: 0
MODEL K E18
CARBURETOR ASSY
€ 216.50
0
1320003D50
ref: 0
MODEL L E18
CARBURETOR ASSY
€ 0.00
0
1320003D80
ref: 0
MODEL M/N/P/R E18
CARBURETOR ASSY
€ 412.00
0
1320003D40
ref: 0
E24
CARBURETOR ASSY
€ 0.00
1
1326103D00
ref: 1
CAP,TOP
€ 0.00
2
1357303D00
ref: 2
SPRING
€ 9.50
3
1368104010
ref: 3
CAP
€ 4.00
4
1355103D00
ref: 4
VALVE,PISTON(CA:4.0)
€ 89.00
5
1325126C00
ref: 5
O RING,TOP CAP
€ 10.50
6
1327913A60
ref: 6
ADJUSTER
€ 7.50
7
1329703D10
ref: 7
SPRING
€ 0.00
8-1
1360104128
ref: 8-1
MODEL K/L/M/N
SCREW
€ 2.00
8-2
0211234123
ref: 8-2
MODEL P/R
SCREW
€ 2.00
9
1369603D00
ref: 9
SEAL,CARBURETOR
€ 15.50
10
1339410010
ref: 10
CLIP
€ 5.00
11-1
0949400659
ref: 11-1
JET, NEEDLE (N-9)
€ 29.50
11-2
0949400665
ref: 11-2
MODEL K E18
JET, NEEDLE (0-1)
€ 14.50
11-3
0949400717
ref: 11-3
MODEL L/M/N/P/R E18M
JET,NEEDLE(N-9)
€ 29.50
12-1
1338303D00
ref: 12-1
MODEL KMODEK K/L E24
NEEDLE,JET
€ 10.50
12-2
1338303D00
ref: 12-2
MODEL L/M/N/P/R
NEEDLE,JET
€ 10.50
12-3
1338303D10
ref: 12-3
MODEL K E18
NEEDLE, JET (6C20-3)
€ 6.00
12-4
1338303D50
ref: 12-4
MODEL L/M/N/P/R E18M
NEEDLE, JET (6E29-3)
€ 13.50
13-1
0949130017
ref: 13-1
09491-30003
JET,MAIN(150)
€ 12.00
13-2
0949130017
ref: 13-2
E18,MODEL M/N/P E15
JET,MAIN(150)
€ 12.00
14
1333244080
ref: 14
WASHER,NEEDLE NOZZLE
€ 3.00
15
1325003D00
ref: 15
FLOAT
€ 29.50
16
1325420010
ref: 16
PIN,FLOAT
€ 3.50
17
1337003D00
ref: 17
VALVE ASSY,NEEDLE
€ 68.00
18
1329503D00
ref: 18
O RING
€ 3.50
19
1368337420
ref: 19
L:500 120
HOSE
€ 6.50
20-1
0949230006
ref: 20-1
JET,PILOT(30)
€ 9.00
20-2
0949215006
ref: 20-2
MODEL K E18
JET,PILOT
€ 9.50
20-3
0949217006
ref: 20-3
MODEL L/M/N/P/R E18
JET,PILOT(17.5)
€ 8.50
20-4
0949222006
ref: 20-4
MODEL M/N E15
JET,PILOT(22.5)
€ 8.50
21
1329529900
ref: 21
EXCEPT E18
O RING,PILOT AIR SCREW
€ 4.00
22
1329129900
ref: 22
EXCEPT E18
WASHER
€ 2.00
23
1326703D00
ref: 23
EXCEPT E18
SCREW,AIR
€ 9.50
24
1326835010
ref: 24
EXCEPT E18
SPRING
€ 3.00
25-1
1360205128
ref: 25-1
MODEL K/L/M/N
SCREW
€ 2.50
25-2
0211205127
ref: 25-2
MODEL P/R
SCREW
€ 2.50
26
1324703D00
ref: 26
HOLDER
€ 11.50
27
1321803D00
ref: 27
HOSE ASSY
€ 9.50
28
1367112C00
ref: 28
CLIP
€ 2.50
29
1324713A00
ref: 29
SCREW,DRAIN
€ 6.00
30
1368209210
ref: 30
CAP,PLUNGER
€ 4.00
31
1341809110
ref: 31
HOLDER,GUIDE
€ 9.00
32
1341903D00
ref: 32
WASHER
€ 2.00
33
1364003D00
ref: 33
LEVER, STARTER
€ 15.50
34
1342613A00
ref: 34
PLATE,SPRING
€ 0.00
35
1357119A00
ref: 35
WASHER
€ 3.50
36
1360205A30
ref: 36
SCREW
€ 5.00
37
1341718630
ref: 37
SPRING
€ 6.50
38
1341118010
ref: 38
PLUNGER,STARTER
€ 12.50
39
1368336A00
ref: 39
L:300 100
HOSE
€ 9.50
40
1369336500
ref: 40
PLATE,CARBURETOR
€ 4.50
41-1
0949285003
ref: 41-1
JET,POWER,85
€ 12.50
41-2
0949295002
ref: 41-2
MODEL M/N E15
JET, POWER (95)
€ 0.00
42
1342403D00
ref: 42
RING
€ 5.50
43
1338609410
ref: 43
WASHER
€ 2.50
44
0940406404
ref: 44
CLAMP
€ 3.50
up
all assemblies
* COLOR CHART *
* COLOR CHART *
* CATALOG PREFACE *
* CONVERSION CHART *
CYLINDER
EXHAUST VALVE
CRANKCASE
CRANKCASE COVER
CRANKSHAFT
CRANK BALANCER
CARBURETOR
AIR CLEANER
MUFFLER
OIL PUMP
WATER PUMP
RADIATOR (MODEL P/R)
CLUTCH
TRANSMISSION
GEAR SHAFTING
KICK STARTER
MAGNETO
BATTERY
ELECTRICAL
SPEEDOMETER
SPEEDOMETER (E24)
HEADLAMP
HEADLAMP (E24)
TURNSIGNAL LAMP
TURNSIGNAL LAMP (E24)
REAR COMBINATION LAMP
WIRING HARNESS
FRAME (MODEL R)
STAND - FOOTREST (MODEL R)
REAR BRAKE
FUEL TANK (MODEL R)
FUEL COCK
OIL TANK
SEAT (MODEL R)
FRAME COVER (MODEL P/R)
FRONT DAMPER
STEERING STEM
HEADLAMP COVER (MODEL M/N/P/R)
FRONT WHEEL (MODEL L/M/N/P/R)
HANDLEBAR
RIGHT HANDLE SWITCH
LEFT HANDLE SWITCH
FRONT CALIPER
FRONT MASTER CYLINDER
REAR SWINGING ARM (MODEL R)
REAR SHOCK ABSORBER
REAR CUSHION LEVER
REAR FENDER
REAR WHEEL
REAR CALIPERS (MODEL R)
REAR MASTER CYLINDER (MODEL L/M/N/P/R)
OPTIONAL
up