×
Buy Suzuki TS Parts Online
home
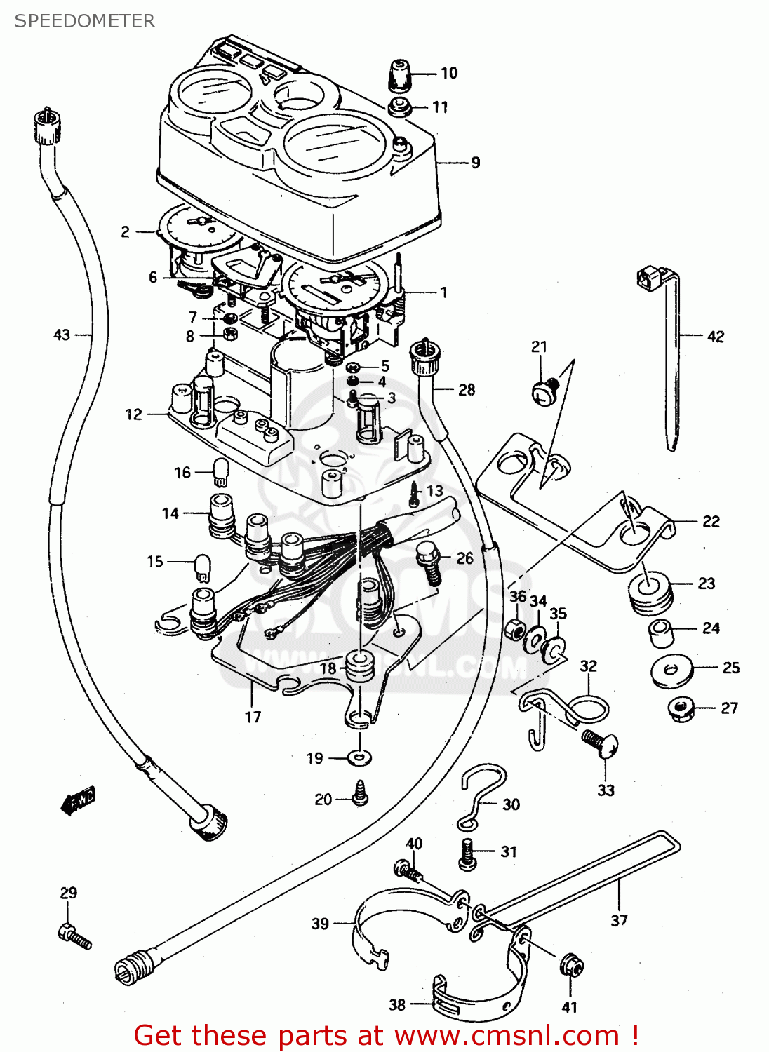
SPEEDOMETER
TS125R 1993 (P) (E02 E04 E18 E21)
Speedometer diagram TS125R 1993 (P) (E02 E04 E18 E21)
SPEEDOMETER TS125R 1993 (P) (E02 E04 E18 E21)
×
prices are in EUR
ref
part #
description
quantity
1-1
3412003D10
ref: 1-1
SPEEDOMETER
€ 191.50
1-2
3412003D30
ref: 1-2
SPEEDOMETER (MILE/KILO)
€ 0.00
2
3422003D10
ref: 2
TACHOMETER
€ 79.50
3
0211203106
ref: 3
SCREW
€ 2.00
4
0832121036
ref: 4
LOCK WASHER
€ 1.50
5
0832221036
ref: 5
WASHER 3.3X8X0
€ 2.00
6
3442001A01
ref: 6
GAUGE,WATER TEMPERATURE
€ 75.00
7
0832121046
ref: 7
LOCK WASHER
€ 2.50
8
0831022046
ref: 8
NUT
€ 2.00
9-1
3415001A00
ref: 9-1
HOOD, METER
€ 81.50
9-2
3415003D20
ref: 9-2
E15,E17
HOOD, METER
€ 77.00
10
3412449910
ref: 10
KNOB,TRIP METER
€ 10.00
11
3499649910
ref: 11
SEAL,TRIP KNOB
€ 4.00
12
3411101A00
ref: 12
CASE,METER
€ 58.00
13
3645601A00
ref: 13
SCREW
€ 2.00
14
3417003D10
ref: 14
SOCKET,METER
€ 52.00
15
0947112082
ref: 15
BULB(12V3.4W,T10,BF175-01450A)
€ 3.50
16
0947112077
ref: 16
BULB(12V1.7W,T10,WB121)
€ 2.50
17
3495001A00
ref: 17
BRACKET,METER
€ 31.00
18
3495528010
ref: 18
CUSHION
€ 5.00
19
3418103D10
ref: 19
WASHER
€ 2.50
20
0311204125
ref: 20
SCREW
€ 1.50
21-1
0211216125
ref: 21-1
MODEL K/L/M/N/P
SCREW
€ 2.50
21-2
0211216123
ref: 21-2
MODEL R
SCREW
€ 2.50
22
3416203D01
ref: 22
BRACKET, SPEEDOMETER
€ 7.50
23
0932011008
ref: 23
CUSHION
€ 3.50
24
0918006120
ref: 24
SPACER(6.5X11.5X12)
€ 3.00
25
0916006072
ref: 25
WASHER (6.5X24X1.6)
€ 2.50
26-1
0151706254
ref: 26-1
MODEL K/L/M/N/P
BOLT
€ 2.50
26-2
0155006253
ref: 26-2
MODEL R
BOLT
€ 2.50
27-1
0831616064
ref: 27-1
MODEL K/L/M/N/P
NUT 6MM
€ 2.50
27-2
0831610063
ref: 27-2
MODEL R
NUT
€ 2.50
28-1
3491003D11
ref: 28-1
34910-03010
CABLE ASSY,SPEEDOMETER
€ 77.00
28-2
3491003D30
ref: 28-2
MODEL K E34
CABLE ASSY, SPEEDOMETER
€ 27.50
28-3
3491003D31
ref: 28-3
MODEL L/M/N E34
CABLE ASSY,SPEEDOMETER
€ 27.50
29-1
0110705167
ref: 29-1
MODEL K
BOLT
€ 1.50
29-2
0211205168
ref: 29-2
MODEL L/M/N/P
SCREW
€ 2.50
30
3493803D10
ref: 30
GUIDE,SPEEDOMETER CABLE
€ 0.00
31-1
0211205105
ref: 31-1
MODEL K/L/M/N/P
SCREW
€ 2.50
31-2
0211205103
ref: 31-2
MODEL R
SCREW
€ 2.50
32-1
3493803D20
ref: 32-1
MODEL K/L/M/N
GUIDE, CABLE NO.2
€ 8.50
32-2
3493803D21
ref: 32-2
MODEL P/R
GUIDE, CABLE NO.2
€ 8.50
33-1
0214206164
ref: 33-1
MODEL K/L/M/N
SCREW
€ 3.00
33-2
0214206167
ref: 33-2
MODEL P/R
SCREW
€ 2.00
34
0916006057
ref: 34
WASHER
€ 2.00
35
0916906053
ref: 35
WASHER
€ 2.50
36
0831012066
ref: 36
NUT
€ 2.50
37-1
3493803D30
ref: 37-1
MODEL K/L/M/N
GUIDE, CABLE NO.3
€ 0.00
37-2
3493803D31
ref: 37-2
MODEL P/R
GUIDE,SPEEDOMETER CABLE
€ 0.00
38
3492603D00
ref: 38
BRACKET,CABLE GUIDE
€ 11.50
39
3492703D01
ref: 39
BRACKET,CABLE GUIDE
€ 10.00
40-1
0214205164
ref: 40-1
MODEL K/L/M/N
SCREW
€ 2.50
40-2
0214205167
ref: 40-2
MODEL P/R
SCREW
€ 2.00
41-1
0831616055
ref: 41-1
MODEL K/L/M/N
NUT ,5MM
€ 2.00
41-2
0831616058
ref: 41-2
MODEL P/R
NUT
€ 3.00
42
0940714403
ref: 42
CLAMP(L:125)
€ 2.50
43-1
3494003D00
ref: 43-1
MODEL K
CABLE ASSY, TACHOMETER
€ 30.50
43-2
3494003D01
ref: 43-2
MODEL L/M/N/P/R
CABLE ASSY, TACHOMETER
€ 30.50
up
all assemblies
* COLOR CHART *
* COLOR CHART *
* CATALOG PREFACE *
* CONVERSION CHART *
CYLINDER
EXHAUST VALVE
CRANKCASE
CRANKCASE COVER
CRANKSHAFT
CRANK BALANCER
CARBURETOR
AIR CLEANER
MUFFLER
OIL PUMP
WATER PUMP
RADIATOR (MODEL P/R)
CLUTCH
TRANSMISSION
GEAR SHAFTING
KICK STARTER
MAGNETO
BATTERY
ELECTRICAL
SPEEDOMETER
SPEEDOMETER (E24)
HEADLAMP
HEADLAMP (E24)
TURNSIGNAL LAMP
TURNSIGNAL LAMP (E24)
REAR COMBINATION LAMP
WIRING HARNESS
FRAME (MODEL R)
STAND - FOOTREST (MODEL R)
REAR BRAKE
FUEL TANK (MODEL R)
FUEL COCK
OIL TANK
SEAT (MODEL R)
FRAME COVER (MODEL P/R)
FRONT DAMPER
STEERING STEM
HEADLAMP COVER (MODEL M/N/P/R)
FRONT WHEEL (MODEL L/M/N/P/R)
HANDLEBAR
RIGHT HANDLE SWITCH
LEFT HANDLE SWITCH
FRONT CALIPER
FRONT MASTER CYLINDER
REAR SWINGING ARM (MODEL R)
REAR SHOCK ABSORBER
REAR CUSHION LEVER
REAR FENDER
REAR WHEEL
REAR CALIPERS (MODEL R)
REAR MASTER CYLINDER (MODEL L/M/N/P/R)
OPTIONAL
up