×
Buy Suzuki GS Parts Online
home
GS550L 1980 (T) (E01 E02 E04 E21 E22 E24 E25 E26 E34 E39)
* COLOR CHART *
0 products
* CATALOG PREFACE *
0 products
* CONVERSION CHART *
0 products
CYLINDER HEAD COVER
18 products
CAM CHAIN
19 products
CARBURETOR
84 products
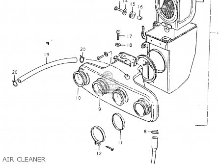
AIR CLEANER
20 products
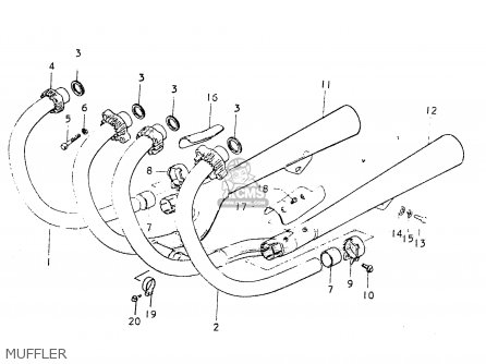
MUFFLER
20 products
CLUTCH
30 products
TRANSMISSION
40 products
GEAR SHIFTING
45 products
STARTING MOTOR
17 products
GENERATOR
12 products
CONTACT BREAKER
19 products
CYLINDER HEAD
26 products
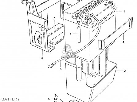
BATTERY
16 products
SPEEDOMETER - TACHOMETER
46 products
HEADLAMP
22 products
HEADLAMP (E2)
25 products
HEADLAMP (E4)
25 products
HEADLAMP (E21, E22, E25, E26, E34, E39)
25 products
TURN SIGNAL LAMP
31 products
TURN SIGNAL LAMP (E2)
31 products
TURN SIGNAL LAMP (E4, E34)
31 products
TURN SIGNAL LAMP (E21)
31 products
CYLINDER
7 products
TURN SIGNAL LAMP (E22)
26 products
TURN SIGNAL LAMP (E25)
31 products
TURN SIGNAL LAMP (E26)
25 products
TURN SIGNAL LAMP (E39)
31 products
REAR COMBINATION LAMP
18 products
REAR COMBINATION LAMP (E2, E4, E21, E25)
18 products
REAR COMBINATION LAMP (E22)
21 products
REAR COMBINATION LAMP (E26)
18 products
REAR COMBINATION LAMP (E34)
18 products
REAR COMBINATION LAMP (E39)
18 products
CRANKCASE
36 products
ELECTRICAL
31 products
WIRING HARNESS
19 products
FRAME
18 products
STAND
28 products
FOOTREST
19 products
FUEL TANK
31 products
SEAT
17 products
FRAME COVER
10 products
FRONT FORK
26 products
STEERING STEM
34 products
CRANKCASE COVER
31 products
FRONT WHEEL
20 products
HANDLEBAR - FRONT FENDER
19 products
RIGHT HANDLE SWITCH
21 products
LEFT HANDLE SWITCH
14 products
FRONT CALIPERS
18 products
FRONT MASTER CYLINDER
11 products
FRONT BRAKE HOSE
16 products
REAR SWINGING ARM
15 products
CHAIN CASE - SHOCK ABSORBER
11 products
REAR FENDER
14 products
OIL PUMP - OIL FILTER
21 products
REAR WHEEL
35 products
REAR CALIPERS
15 products
REAR BRAKE HOSE
10 products
REAR MASTER CYLINDER
19 products
OPTIONAL
16 products
CRANKSHAFT
27 products
STARTER CLUTCH
11 products
CAM SHAFT - VALVE
36 products
up
popular products
6813147200
EMBLEM
Suzuki
3685147000
WIRE,POWER SOURCE LEAD
Suzuki
3685145010
LEAD WIRE, RELAY EARTH
Suzuki
2433047000
GEAR,THIRD DRIVEN
Suzuki