Buy Suzuki GS Parts Online

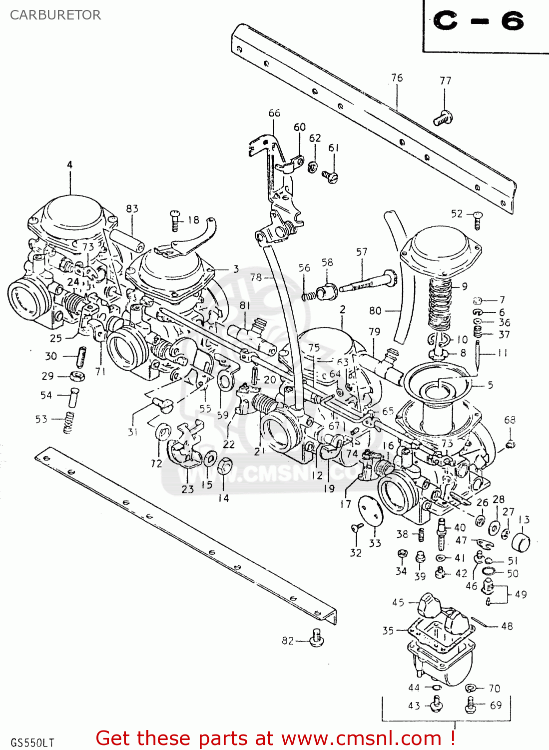
CARBURETOR

GS550L 1980 (T) (E01 E02 E04 E21 E22 E24 E25 E26 E34 E39)

Carburetor diagram GS550L 1980 (T) (E01 E02 E04 E21 E22 E24 E25 E26 E34 E39)

CARBURETOR GS550L 1980 (T) (E01 E02 E04 E21 E22 E24 E25 E26 E34 E39)
CARBURETOR GS550L 1980 (T) (E01 E02 E04 E21 E22 E24 E25 E26 E34 E39)
CARBURETOR GS550L 1980 (T) (E01 E02 E04 E21 E22 E24 E25 E26 E34 E39)
prices are in EUR
ref
part #
description
quantity
0
1320047070
ref: 0
CARBURETOR ASSEMBLY
€ 0.00

1
1320147070
ref: 1

LH
CARBURETOR ASSEMBLY,NO.1 (A
€ 0.00

2
1320247070
ref: 2

ML
CARBURETOR ASSEMBLY
€ 0.00

3
1320347070
ref: 3

MR
CARBURETOR ASSEMBLY
1320347070
€ 198.50

4
1320447070
ref: 4

RH
CARBURETOR ASSEMBLY
€ 0.00

5
1350047070
ref: 5
DIAPHRAGM ASSEMBLY
€ 170.50

6
1339431210
ref: 6
CLIP,NEEDLE
1339431210
€ 4.00

7
1338744030
ref: 7
RING
1338744030
€ 5.50

8
1338944030
ref: 8
HOLDER,GUIDE
1338944030
€ 10.50

9
1350347070
ref: 9
SPRING
1350347070
€ 9.50

10
1358144030
ref: 10
E RING
1358144030
€ 6.50

11
1338347070
ref: 11
NEEDLE JET
€ 0.00

12
1355795210
ref: 12

ML,MR
GASKET,THROTTLE SHAFT (NAS)
€ 2.50

13
1357847070
ref: 13

RH,LH
CAP
1357847070
€ 4.50

14
0831012088
ref: 14

MR
NUT
0831012088
€ 2.50

15
1360647070
ref: 15

MR
WASHER
1360647070
€ 3.00

16
1357347070
ref: 16

LH
SPRING,THROTTLE SHAFT
1357347070
€ 6.00

17
1355047070
ref: 17

LH
SHAFT,THROTTLE
1355047070
€ 44.50

18
0211105158
ref: 18

ML:1,MR:2
SCREW
0211105158
€ 2.50

19
1355047080
ref: 19

ML
SHAFT,THROTTLE
1355047080
€ 42.50

20
1356347070
ref: 20

LH,ML,RH
PIN,THROTTLE SHAFT
€ 0.00

21
1357345110
ref: 21

ML
SPRING,THROTTLE SHAFT
€ 0.00

22
1355347070
ref: 22

ML
LEVER,THROTTLE SHAFT
€ 0.00

23
1355547070
ref: 23

MR
LEVER ASSEMBLY,THROTTLE
€ 0.00

24
1357347080
ref: 24

MR,RH
SPRING,THROTTLE SHAFT
€ 0.00

25
1355047090
ref: 25

RH
SHAFT,THROTTLE
€ 0.00

26
1365151010
ref: 26
SEAL
1365151010
€ 4.50

27
1361744080
ref: 27

LH,RH
E RING
1361744080
€ 4.00

28
1355747070
ref: 28

LH,RH
GASKET,THROTTLE SHAFT (NAS)
1355747070
€ 5.00

29
1360747070
ref: 29

LH,ML,RH
NUT
1360747070
€ 4.50

30
1360547080
ref: 30

LH,ML,RH
SCREW
1360547080
€ 8.00

31
1360544100
ref: 31

MR
SCREW,THROTTLE ADJUST B
€ 0.00

32
1360444080
ref: 32
SCREW
1360444080
€ 4.00

33
1355147070
ref: 33
VALVE,THROTTLE
€ 0.00

34
1325844080
ref: 34
GASKET (NAS)
1325844080
€ 4.50

35
1325144080
ref: 35
GASKET,FLOAT CHAMBER (NAS)
1325144080
€ 10.50

36
1338244030
ref: 36
WASHER
1338244030
€ 4.00

37
1338844030
ref: 37
SPRING
1338844030
€ 6.50

38
0949240007
ref: 38
JET,PILOT
0949240007
€ 18.50

39
1335744080
ref: 39
PLUG,NEEDLE JET
1335744080
€ 5.00

40
0949400264
ref: 40
JET,NEEDLE
0949400264
€ 18.50

41
1333244080
ref: 41
WASHER,NEEDLE NOZZLE
€ 3.00

42
0949192004
ref: 42
JET,MAIN(92.5)
0949192004
€ 9.00

43
1324744080
ref: 43
PLUG,DRAIN
1324744080
€ 9.50

44
1324644080
ref: 44
GASKET (NAS)
1324644080
€ 4.00

45
1325044080
ref: 45
FLOAT
1325044080
€ 34.00

46
0211104067
ref: 46
SCREW
0211104067
€ 2.00

47
1337339110
ref: 47
PLATE
1337339110
€ 7.00

48
1325492311
ref: 48
PIN,FLOAT
1325492311
€ 2.00

49
1337044080
ref: 49
VALVE ASSEMBLY,NEEDLE
€ 44.00

50
1337444080
ref: 50
O-RING,NEEDLE VALVE
1337444080
€ 6.00

51
1337644080
ref: 51
FILTER
1337644080
€ 7.00

52
0211205128
ref: 52

LH/RH:4,ML:3,MR:2
SCREW
€ 2.50

53
1326844010
ref: 53

LH,ML,RH
SPRING,THROTTLE SCREW
1326844010
€ 3.00

54
1357547070
ref: 54

LH,ML,RH
PIN,THROTTLE LEVER
1357547070
€ 2.50

55
1362747070
ref: 55

MR
BRACKET,THROTTLE ADJUST
1362747070
€ 4.00

56
1327193011
ref: 56

MR
SPRING
1327193011
€ 4.50

57
1326747070
ref: 57

MR
SCREW
1326747070
€ 21.00

58
1327631210
ref: 58

MR
BUSH
1327631210
€ 6.50

59
1362744090
ref: 59

MR
BRACKET,THROTTLE ADJUST
€ 0.00

60
1342147070
ref: 60

ML
BRACKET,STARTER
1342147070
€ 9.00

61
0110405108
ref: 61

ML
BOLT
€ 1.50

62
0832121058
ref: 62

ML
LOCK WASHER
0832121058
€ 2.00

63
1341547070
ref: 63

ML
CAP,LEVER
1341547070
€ 5.00

64
1352398010
ref: 64

ML
SEAT,SPRING
1352398010
€ 5.00

65
1342247070
ref: 65

ML
LEVER ASSY
1342247070
€ 11.50

66
1362447070
ref: 66

ML
BRACKET
€ 0.00

67
1342547070
ref: 67

ML
ROD,STARTER LEVER
€ 9.50

68
0949330003
ref: 68
JET,AIR(150)
0949330003
€ 13.00

69
0211205168
ref: 69
SCREW
0211205168
€ 2.50

70
0832121058
ref: 70
LOCK WASHER
0832121058
€ 2.00

71
1355047100
ref: 71

MR
SHAFT,THROTTLE
€ 0.00

72
1358947070
ref: 72

MR
WASHER
1358947070
€ 3.00

73
1342244080
ref: 73
LEVER
1342244080
€ 10.00

74
1360547070
ref: 74
SCREW
1360547070
€ 5.50

75
1341047070
ref: 75
SHAFT,STARTER
1341047070
€ 29.00

76
1362847070
ref: 76
BRACKET
€ 0.00

77
0211205088
ref: 77
SCREW
0211205088
€ 2.00

78
1368331610
ref: 78
HOSE
€ 15.50

79
1368547070
ref: 79
NIPPLE
1368547070
€ 27.50

80
1368347070
ref: 80
HOSE
1368347070
€ 19.50

81
1368547080
ref: 81
NIPPLE,CARBURETOR
1368547080
€ 25.50

82
0211206128
ref: 82
SCREW 6X12
0211206128
€ 2.50

83
1368547090
ref: 83
NIPPLE
1368547090
€ 16.50