×
Buy Suzuki GSXR Parts Online
home
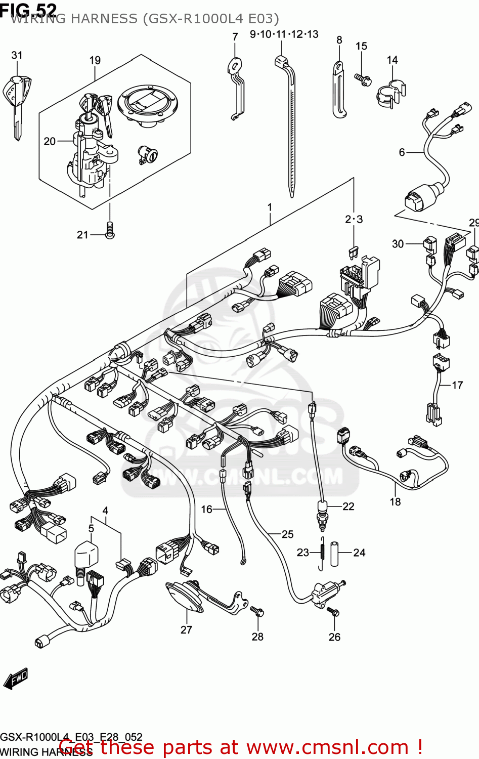
WIRING HARNESS (GSX-R1000L4 E03)
GSXR1000 2014 (L4) USA (E03)
Wiring harness (gsx-r1000l4 e03) diagram GSXR1000 2014 (L4) USA (E03)
WIRING HARNESS (GSX-R1000L4 E03) GSXR1000 2014 (L4) USA (E03)
×
prices are in EUR
ref
part #
description
quantity
1
3661047HB0
ref: 1
HARNESS,WIRING
€ 720.00
2
0948110501
ref: 2
FUSE(10A)
€ 3.00
3
0948115501
ref: 3
FUSE(15A)
€ 1.00
4
3662047H10
ref: 4
HARNESS,WIRING NO.2
€ 155.00
5
3661847H00
ref: 5
COVER,CONNECTOR
€ 14.50
6
3685547H00
ref: 6
WIRE,RR COMB
€ 43.00
7
0940306322
ref: 7
CLAMP
€ 5.50
8
0940406429
ref: 8
CLAMP(L:45)
€ 3.00
9
0940714403
ref: 9
CLAMP(L:125)
€ 2.50
10
0940711401
ref: 10
CLAMP(L:95)
€ 2.50
11
0940718402
ref: 11
CLAMP(L:165)
€ 2.50
12
0940719401
ref: 12
CLAMP(L:190)
€ 2.00
13
0940719401
ref: 13
CLAMP(L:190)
€ 2.00
14
0940800242
ref: 14
CLAMP
€ 2.50
15
015470612A
ref: 15
BOLT
€ 2.50
16
3685147H00
ref: 16
WIRE,OIL PRESSURE SWITCH LEAD
€ 10.50
17
3685747H00
ref: 17
WIRE,RELAY LEAD
€ 62.50
18
3685947H10
ref: 18
WIRE,ISC LEAD
€ 129.50
19
3710140821
ref: 19
LOCK SET
€ 370.50
20
3710041G11
ref: 20
LOCK ASSY,STEERING
€ 120.00
21
0913908016
ref: 21
BOLT(8X20)
€ 4.00
22
3774031D00
ref: 22
SWITCH ASSY,STOP LAMP
€ 22.50
23
0944306087
ref: 23
SPRING
€ 3.50
24
0935250823600
ref: 24
44420-44AR0
HOSE(5X8.2X600)
€ 14.00
25
3784047H00
ref: 25
SWITCH ASSY,SIDE STAND
€ 102.50
26
0910306286
ref: 26
BOLT(6X20)
€ 2.50
27
3850047H00
ref: 27
HORN ASSY
€ 79.50
28
015500616B
ref: 28
BOLT
€ 2.50
29
3874024X50
ref: 29
RELAY ASSY
€ 37.50
30
3874024X50
ref: 30
RELAY ASSY
€ 37.50
31
3714641G00
ref: 31
KEY,BLANK(IMMOBII)
€ 49.50
up
all assemblies
2ND AIR
AIR CLEANER
BATTERY (GSX-R1000L4 E03)
BATTERY (GSX-R1000L4 E28)
BATTERY (GSX-R1000L4 E33)
BODY COWL COVER
CAM CHAIN
CAMSHAFT - VALVE
CLUTCH
COWLING BODY
CRANK BALANCER
CRANKCASE
CRANKCASE COVER
CRANKSHAFT
CYLINDER HEAD
CYLINDER HEAD COVER
ELECTRICAL (GSX-R1000L4 E03)
ELECTRICAL (GSX-R1000L4 E28)
ELECTRICAL (GSX-R1000L4 E33)
EVAP SYSTEM (GSX-R1000L4 E33)
FOOTREST
FRAME
FRAME CENTER COVER
FRAME COVER
FRAME SIDE COVER
FRONT BRAKE HOSE
FRONT CALIPER
FRONT DAMPER
FRONT FENDER (GSX-R1000L4 E03)
FRONT FENDER (GSX-R1000L4 E28)
FRONT FENDER (GSX-R1000L4 E33)
FRONT MASTER CYLINDER
FRONT WHEEL
FUEL PUMP
FUEL TANK (GSX-R1000L4 E03)
FUEL TANK (GSX-R1000L4 E28)
FUEL TANK (GSX-R1000L4 E33)
FUEL TANK FRONT COVER
GASKET SET
GEAR SHIFTING
GENERATOR
HANDLE LEVER
HANDLE SWITCH
HANDLEBAR
HEADLAMP (GSX-R1000L4 E03)
HEADLAMP (GSX-R1000L4 E28)
HEADLAMP (GSX-R1000L4 E33)
INTAKE PIPE
LABEL (GSX-R1000L4 E03)
LABEL (GSX-R1000L4 E28)
LABEL (GSX-R1000L4 E33)
MUFFLER (GSX-R1000L4 E03)
MUFFLER (GSX-R1000L4 E28)
MUFFLER (GSX-R1000L4 E33)
OIL COOLER
OIL PAN - OIL PUMP
PARTS HOLDER BRACKET
RADIATOR (GSX-R1000L4 E03)
RADIATOR (GSX-R1000L4 E28)
RADIATOR (GSX-R1000L4 E33)
RADIATOR HOSE
REAR CALIPER
REAR COMBINATION LAMP (GSX-R1000L4 E03)
REAR COMBINATION LAMP (GSX-R1000L4 E28)
REAR COMBINATION LAMP (GSX-R1000L4 E33)
REAR CUSHION LEVER (GSX-R1000L4 E03)
REAR CUSHION LEVER (GSX-R1000L4 E28)
REAR CUSHION LEVER (GSX-R1000L4 E33)
REAR FENDER (GSX-R1000L4 E03)
REAR FENDER (GSX-R1000L4 E28)
REAR FENDER (GSX-R1000L4 E33)
REAR MASTER CYLINDER
REAR SWINGING ARM
REAR WHEEL
SEAT
SEAT TAIL BOX (OPTIONAL)
SIDE COWLING
SIGNAL GENERATOR
SPEEDOMETER (GSX-R1000L4 E03)
SPEEDOMETER (GSX-R1000L4 E28)
SPEEDOMETER (GSX-R1000L4 E33)
STAND
STARTER CLUTCH
STARTING MOTOR
STEERING STEM (GSX-R1000L4 E03)
STEERING STEM (GSX-R1000L4 E28)
STEERING STEM (GSX-R1000L4 E33)
THROTTLE BODY (GSX-R1000L4 E03)
THROTTLE BODY (GSX-R1000L4 E28)
THROTTLE BODY (GSX-R1000L4 E33)
THROTTLE BODY HOSE/JOINT (GSX-R1000L4 E03)
THROTTLE BODY HOSE/JOINT (GSX-R1000L4 E28)
THROTTLE BODY HOSE/JOINT (GSX-R1000L4 E33)
TRANSMISSION
TURNSIGNAL LAMP
UNDER COWLING
WATER PUMP
WIRING HARNESS (GSX-R1000L4 E03)
WIRING HARNESS (GSX-R1000L4 E28)
WIRING HARNESS (GSX-R1000L4 E33)
up