prices are in EUR
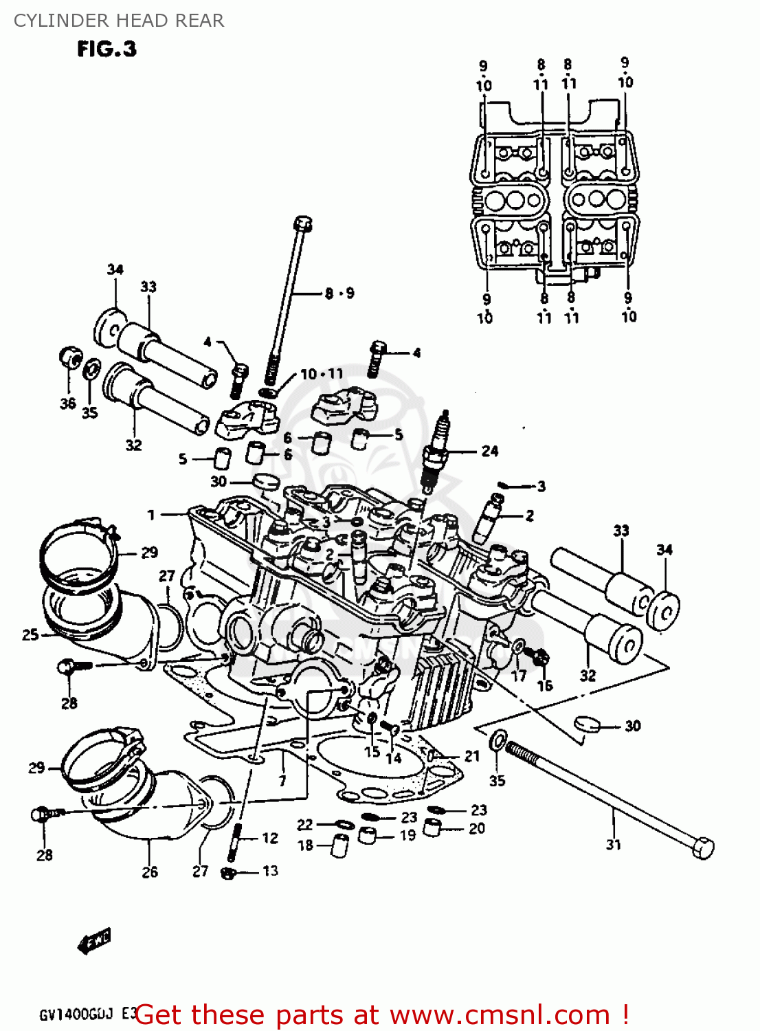
ref
part #
description
quantity
 
1-1
HEAD ASSEMBLY,CYLINDER,REAR
 
1-2
HEAD ASSEMBLY,CYLINDER,REAR
 
3
RING,SNAP
 
 
 
6
PIN(10.4X13X22)
 
 
 
7
GASKET,CYLINDER HEAD,REAR (MCA)
 
 
 
11
WASHER (10X20X2.3)
 
 
 
12
STUD 6X25
 
 
 
13
NUT 6MM
 
 
 
15
GASKET(5.3X9.3X1.2) (NAS)
 
 
 
17
GASKET(6.2X13X1.2) (NAS)
 
 
 
18
PIN
 
 
 
22
O RING(D:1.9,ID:8.6)
 
 
 
23
O RING(D:1.9,ID:12.6)
 
 
 
24-1
SPARK PLUG X22EPR-GL
 
25-3
PIPE,INTAKE FR,L/RR,R
 
 
 
25-4
PIPE,INTAKE FR,R/RR,L
 
 
 
26-4
PIPE,INTAKE FR,L/RR,R
 
 
 
27
O-RING (D:2.4 ID:39.7)
 
 
 
30
PLUG
 
 
 
34
SPACER,ENGINE MOUNTING NO.2
 
35
WASHER 10MM
 
 
 
36
NUT
