Buy Suzuki GV Parts Online

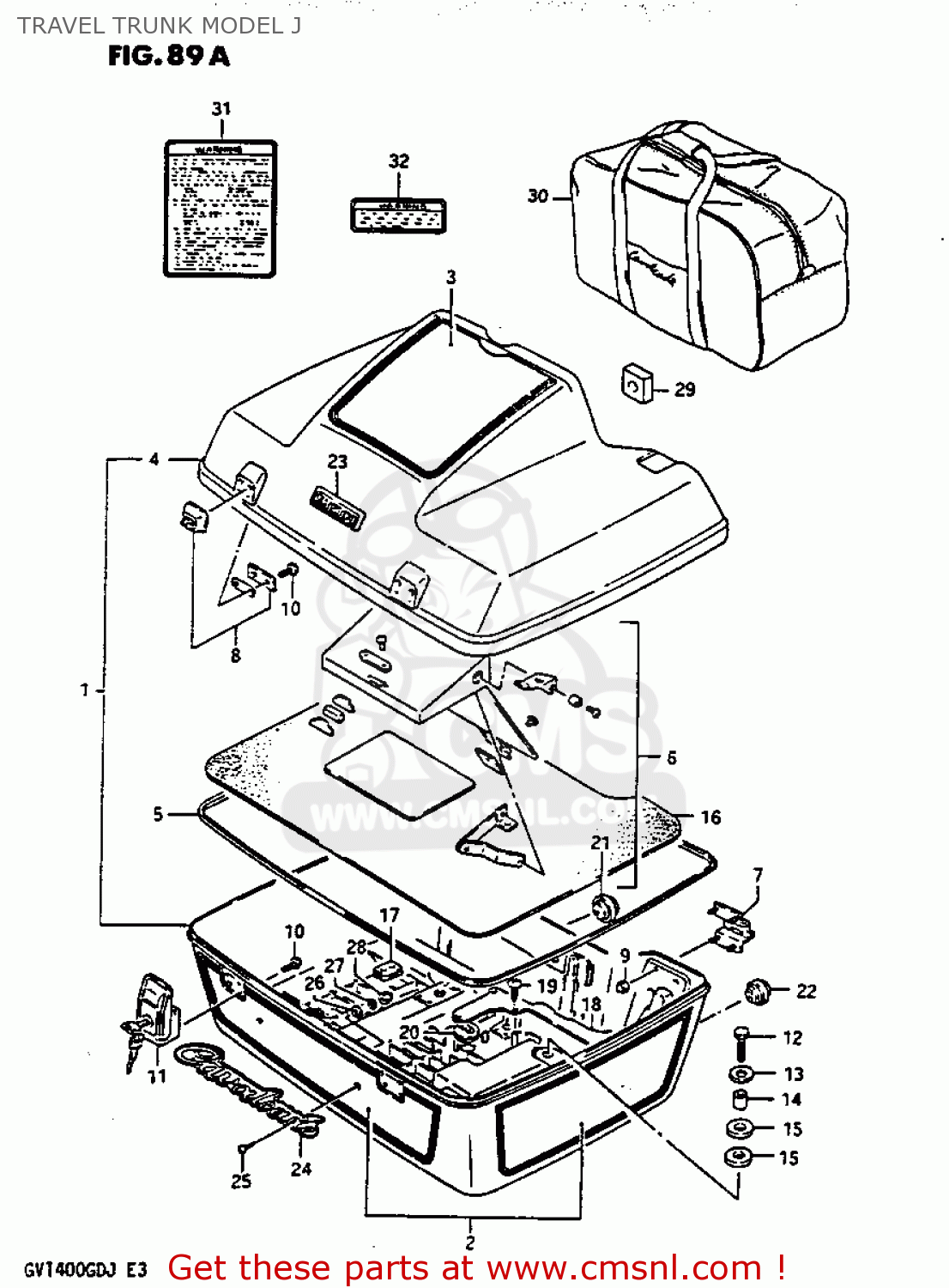
TRAVEL TRUNK MODEL J

GV1400GT 1986 (G) (E01)

Travel trunk model j diagram GV1400GT 1986 (G) (E01)

TRAVEL TRUNK MODEL J GV1400GT 1986 (G) (E01)
TRAVEL TRUNK MODEL J GV1400GT 1986 (G) (E01)
TRAVEL TRUNK MODEL J GV1400GT 1986 (G) (E01)
prices are in EUR
ref
part #
description
quantity
1-1
9310024A7020H
ref: 1-1
TRUNK ASSEMBLY,TRAVEL
€ 1,650.50

1-2
9310024A7038G
ref: 1-2
TRUNK ASSEMBLY,TRAVEL
€ 0.00

2-1
6879024A409VJ
ref: 2-1

FOR 20H
TAPE SET,TRAVEL TRUNK
€ 0.00

2-2
6879024A409VK
ref: 2-2

FOR 38H
TAPE SET,TRAVEL TRUNK
€ 0.00

3-1
6881024A109VJ
ref: 3-1

FOR 20H
TAPE SET,TRUNK LID STRIPE
€ 0.00

3-2
6881024A109VK
ref: 3-2

FOR 38G
TAPE SET,TRUNK LID STRIPE
€ 0.00

4-1
9312024A0020H
ref: 4-1

FOR 20H
LID,TRAVEL TRUNK
€ 527.00

4-2
9312024A0038G
ref: 4-2

FOR 38G
LID,TRAVEL TRUNK
€ 527.00

5
9311524A00
ref: 5
SEAL,TRAVEL TRUNK LID
9311524A00
€ 18.50

6
9314024A01
ref: 6
MIRROR,TRAVEL TRUNK
9314024A01
€ 110.00

7
9313024A01
ref: 7
HINGE,TRAVEL TRUNK
€ 19.50

8
9331624A02
ref: 8
PLATE,TRUNK LID LOCK
€ 15.00

9-1
0831311045
ref: 9-1
NUT
€ 0.00

9-2
0831616055
ref: 9-2
NUT ,5MM
€ 2.00

10
0214205084
ref: 10
SCREW
€ 2.00

11
9330024820
ref: 11
LOCK SET,SIDE BAG
€ 96.50

12
0150006257
ref: 12
BOLT
0150006257
€ 2.50

13
0916006105
ref: 13
WASHER
€ 0.00

14
0918006055
ref: 14
SPACER(6.3X9.3X16.5)
0918006055
€ 4.00

15
0932009030
ref: 15
CUSHION
€ 0.00

16
9541524A00
ref: 16
SEAT,TRAVEL TRUNK BODY
€ 20.00

17
0930920001
ref: 17
GROMMET
€ 0.00

18
9311624A10
ref: 18
COVER, AIR HOSE
€ 10.00

19
0354104105
ref: 19
SCREW
0354104105
€ 1.50

20
0930924001
ref: 20
GROMMET
€ 0.00

21
4542524A00
ref: 21
GROMMET
€ 0.00

22
4542624A00
ref: 22
GROMMET
€ 0.00

23
6828524A00
ref: 23
EMBLEM,TRAVEL TRUNK,UPPER
€ 21.00

24
6828624A00
ref: 24
EMBLEM,TRAVEL TRUNK,LOWER
€ 45.50

25
0213203165
ref: 25
SCREW
0213203165
€ 1.50

26
0832221035
ref: 26
WASHER
€ 2.00

27
0916203002
ref: 27
WASHER
€ 1.50

28
0831311035
ref: 28
NUT
€ 0.00

29
4542924A10
ref: 29
SEAL
€ 0.00

30
9341024A01
ref: 30
LUGGAGE BAG,TRAVEL TRUNK
€ 115.00

31
6861324A20
ref: 31
LABEL (WARNING TRAVEL T
€ 0.00

32
6861924A00
ref: 32
LABEL, WARNING
€ 0.00

22-2
4542624A90
ref: 22-2

GV1400GCH
GROMMET, WIRE
€ 0.00

23
6828524A00
ref: 23
EMBLEM,TRAVEL TRUNK,UPPER
€ 21.00

24
6828624A00
ref: 24
EMBLEM,TRAVEL TRUNK,LOWER
€ 45.50

25
0213203165
ref: 25
SCREW
0213203165
€ 1.50

26
0832221035
ref: 26
WASHER
€ 2.00

27
0916203002
ref: 27
WASHER
€ 1.50

28
0831311035
ref: 28
NUT
€ 0.00

29
4542924A10
ref: 29
SEAL
€ 0.00

30
9341024A01
ref: 30
LUGGAGE BAG,TRAVEL TRUNK
€ 115.00

31
6861324A20
ref: 31
LABEL (WARNING TRAVEL T
€ 0.00

32
6861924A00
ref: 32
LABEL, WARNING
€ 0.00

all assemblies