×
Buy Suzuki GS Parts Online
home
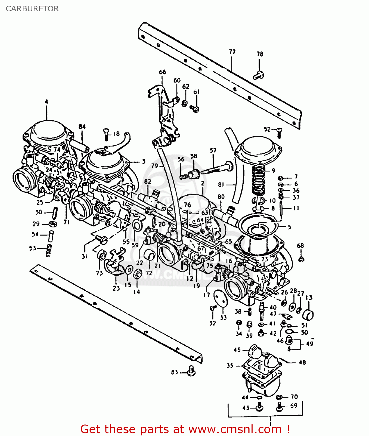
CARBURETOR
GS1000 1980 (T) (E01 E02 E22 E24)
Carburetor diagram GS1000 1980 (T) (E01 E02 E22 E24)
CARBURETOR GS1000 1980 (T) (E01 E02 E22 E24)
×
prices are in EUR
ref
part #
description
quantity
0
1320049110
ref: 0
CARBURETOR ASSY
€ 0.00
1
1320149110
ref: 1
LH
CARBURETOR, NO.1
€ 0.00
2
1320249110
ref: 2
ML
CARBURETOR, NO.2
€ 0.00
3
1320349110
ref: 3
MR
CARBURETOR, NO.3
€ 0.00
4
1320449110
ref: 4
MR
CARBURETOR, NO.4
€ 0.00
5
1350049200
ref: 5
FROM 13500-44080
DIAPHRAGM ASSEMBLY
€ 168.00
6
1339431210
ref: 6
CLIP,NEEDLE
€ 4.00
7
1338744030
ref: 7
RING
€ 5.50
8
1338944030
ref: 8
HOLDER,GUIDE
€ 10.50
9
1350344080
ref: 9
SPRING
€ 11.50
10
1358144030
ref: 10
E RING
€ 6.50
11
1338345120
ref: 11
NEEDLE, JET (5057-2)
€ 14.00
12
1355749200
ref: 12
ML,MR
GASKET
€ 7.00
13
1357847070
ref: 13
RH,LH
CAP
€ 4.50
14
0831012088
ref: 14
MR
NUT
€ 2.50
15
1360647070
ref: 15
MR
WASHER
€ 3.00
16
1357347070
ref: 16
LH
SPRING,THROTTLE SHAFT
€ 6.00
17
1355049200
ref: 17
LH
SHAFT,THROTTLE
€ 0.00
18
0211105158
ref: 18
LH
SCREW
€ 2.50
19
1355049210
ref: 19
ML
SHAFT,THROTTLE
€ 0.00
20
1356347070
ref: 20
LH,ML,RH
PIN,THROTTLE SHAFT
€ 0.00
21
1357345110
ref: 21
ML
SPRING,THROTTLE SHAFT
€ 0.00
22
1355347070
ref: 22
ML
LEVER,THROTTLE SHAFT
€ 0.00
23
1355547070
ref: 23
MR
LEVER ASSEMBLY,THROTTLE
€ 0.00
24
1357347080
ref: 24
MR,RH
SPRING,THROTTLE SHAFT
€ 0.00
25
1355049220
ref: 25
RH
SHAFT,THROTTLE
€ 0.00
26
1365151010
ref: 26
SEAL
€ 4.50
27
1361744080
ref: 27
LH,RH
E RING
€ 4.00
28
1355747070
ref: 28
LH,RH
GASKET,THROTTLE SHAFT (NAS)
€ 5.00
29
1360747070
ref: 29
LH,ML,RH
NUT
€ 4.50
30
1360547080
ref: 30
LH,ML,RH
SCREW
€ 8.00
31
1360545110
ref: 31
MR
SCREW
€ 0.00
32
1360444080
ref: 32
SCREW
€ 4.00
33
1355149200
ref: 33
VALVE,THROTTLE (BUTTERFLY)
€ 17.00
34
1325844080
ref: 34
GASKET (NAS)
€ 4.50
35
1325144080
ref: 35
GASKET,FLOAT CHAMBER (NAS)
€ 10.50
36
1338244030
ref: 36
WASHER
€ 4.00
37
1338844030
ref: 37
SPRING
€ 6.50
38
0949240008
ref: 38
JET
€ 18.50
39
1335744080
ref: 39
PLUG,NEEDLE JET
€ 5.00
40
0949400274
ref: 40
JET, NEEDLE (X-8)
€ 14.50
41
1333244080
ref: 41
WASHER,NEEDLE NOZZLE
€ 3.00
42
0949121006
ref: 42
JET
€ 9.50
43
1324744080
ref: 43
PLUG,DRAIN
€ 9.50
44
1324644080
ref: 44
GASKET (NAS)
€ 4.00
45
1325044080
ref: 45
FLOAT
€ 34.00
46
0211104067
ref: 46
SCREW
€ 2.00
47
1337339110
ref: 47
PLATE
€ 7.00
48
1325492311
ref: 48
PIN,FLOAT
€ 2.00
49
1337044080
ref: 49
VALVE ASSEMBLY,NEEDLE
€ 44.00
50
6626399050
ref: 50
O RING
€ 6.00
51
1337644080
ref: 51
FILTER
€ 7.00
52
0211205128
ref: 52
LH,RH:4,ML:3,MR:2
SCREW
€ 2.50
53
1326844010
ref: 53
LH,ML,RH
SPRING,THROTTLE SCREW
€ 3.00
54
1357547070
ref: 54
LH,ML,RH
PIN,THROTTLE LEVER
€ 2.50
55
1362745110
ref: 55
MR
BRACKET,THROTTLE ADJUST
€ 0.00
56
1327193011
ref: 56
MR
SPRING
€ 4.50
57
1326747070
ref: 57
MR
SCREW
€ 21.00
58
1327631210
ref: 58
MR
BUSH
€ 6.50
59
1362744090
ref: 59
MR
BRACKET,THROTTLE ADJUST
€ 0.00
60
1342147070
ref: 60
ML
BRACKET,STARTER
€ 9.00
61
0110405108
ref: 61
ML
BOLT
€ 1.50
62
0832121058
ref: 62
ML
LOCK WASHER
€ 2.00
63
1341547070
ref: 63
ML
CAP,LEVER
€ 5.00
64
1352398010
ref: 64
ML
SEAT,SPRING
€ 5.00
65
1342247070
ref: 65
ML
LEVER ASSY
€ 11.50
66
1362449200
ref: 66
ML
BRACKET
€ 35.50
67
1342545110
ref: 67
ML
ROD,STARTER LEVER
€ 6.00
68
0949330004
ref: 68
JET,PILOT AIR(1.5)
€ 9.00
69
0211205168
ref: 69
SCREW
€ 2.50
70
0832121058
ref: 70
LOCK WASHER
€ 2.00
71
1355049230
ref: 71
MR
SHAFT,THROTTLE
€ 0.00
72
1357449200
ref: 72
ML
RING
€ 0.00
73
1357445120
ref: 73
MR
RING
€ 2.50
74
1342244080
ref: 74
LEVER
€ 10.00
75
1360547070
ref: 75
SCREW
€ 5.50
76
1341049200
ref: 76
SHAFT,STARTER
€ 29.00
77
1362849200
ref: 77
BRACKET
€ 0.00
78
1360547090
ref: 78
SCREW
€ 1.50
79
1368345110
ref: 79
HOSE
€ 14.00
80
1368549210
ref: 80
NIPPLE
€ 18.50
81
1368347070
ref: 81
HOSE
€ 19.50
82
1368549200
ref: 82
NIPPLE
€ 26.50
83
0211206128
ref: 83
SCREW 6X12
€ 2.50
84
1368547070
ref: 84
NIPPLE
€ 27.50
up
all assemblies
* COLOR CHART *
* CATALOG PREFACE *
* CONVERSION CHART *
CYLINDER HEAD COVER
CYLINDER HEAD
CYLINDER
CRANKCASE
CRACKCASE COVER
OIL PUMP - OIL FILTER
CRANKSHAFT
STARTER CLUTCH
CAM SHAFT - VALVE
CHAM CHAIN
CARBURETOR
AIR CLEANER
MUFFLER
CLUTCH
TRANSMISSION
GEAR SHIFTING
STARTING MOTOR
GENERATOR
SIGNAL GENERATOR
BATTERY
SPEEDOMETER - TACHOMETER
HEADLAMP
HEADLAMP (E2)
HEADLAMP (E4)
HEADLIGHT (E17, E18, E21, E22, E25, E26, E34, E39)
TURN SIGNAL LAMP
TURN SIGNAL LAMP (E2, E4, E17, E34)
TURN SIGNAL LAMP (E18, E26)
TURN SIGNAL LAMP (E21)
TURN SIGNAL LAMP (E22, E25)
TURN SIGNAL LAMP (E39)
REAR COMBINATION LAMP
REAR COMBINATION LAMP (E2, E4, E21)
REAR COMBINATION LAMP (E17)
REAR COMBINATION LAMP (E18, E26, E39)
REAR COMBINATION LAMP (E22, E26)
REAR COMBINATION LAMP (E34)
ELECTRICAL
WIRING HARNESS
FRAME
STAND
FOOTREST
FUEL TANK
FUEL COCK - FUEL GAUGE
SEAT
FRAME COVER
FRONT FORK
FRONT FORK
STEERING STEM
STEERING STEM
STEERING STEM
FRONT WHEEL (GS1000ET, GS1000HT)
FRONT WHEEL (GS1000T)
HANDLEBAR - FRONT FENDER
RIGHT HANDLE SWITCH
RIGHT HANDLE SWITCH
LEFT HANDLE SWITCH
LEFT HANDLE SWITCH (GS1000ET E22, GS1000HT, GS1000T)
FRONT CALIPERS
FRONT MASTER CYLINDER
FRONT BRAKE HOSE
REAR SWINGING ARM
CHAIN CASE - REAR SHOCK ABSORBER
REAR FENDER
REAR FENDER EXTENSION
REAR WHEEL (GS1000ET, GS1000HT)
REAR WHEEL (GS1000T)
REAR CALIPERS
REAR MASTER CYLINDER
REAR BARKE HOSE
OPTIONAL
up