Buy Suzuki GSXR Parts Online

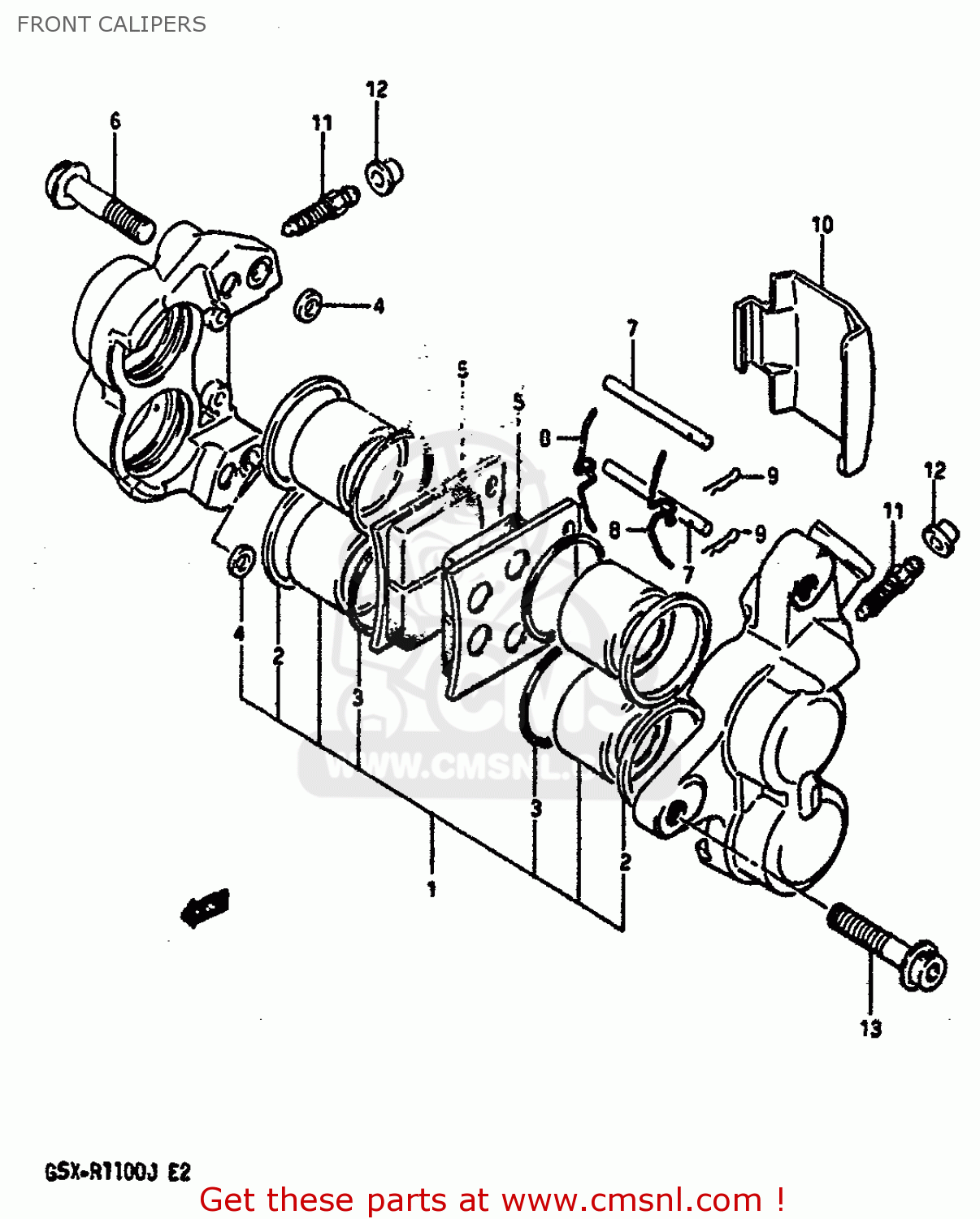
FRONT CALIPERS

GSXR1100 1986 (G) (E01 E02 4 6 15 16 17 18 21 22 24 25 34 39 53)

Front calipers diagram GSXR1100 1986 (G) (E01 E02 4 6 15 16 17 18 21 22 24 25 34 39 53)

FRONT CALIPERS GSXR1100 1986 (G) (E01 E02 4 6 15 16 17 18 21 22 24 25 34 39 53)
FRONT CALIPERS GSXR1100 1986 (G) (E01 E02 4 6 15 16 17 18 21 22 24 25 34 39 53)
FRONT CALIPERS GSXR1100 1986 (G) (E01 E02 4 6 15 16 17 18 21 22 24 25 34 39 53)
prices are in EUR
ref
part #
description
quantity
0
5910006B10
ref: 0
CALIPER ASSEMBLY,RIGHT
€ 510.50

0
5930006B10
ref: 0
CALIPER ASSEMBLY,LEFT
€ 466.50

0
5910006B20
ref: 0

MODEL J E17,E22,E24
CALIPER ASSEMBLY,RIGHT
€ 510.50

0
5930006B20
ref: 0

MODEL J E17,E22,E24
CALIPER ASSEMBLY,LEFT
€ 466.50

1
5930027820
ref: 1
PISTON SET
5930027820
€ 139.00

2
5910727A10
ref: 2
SEAL,PISTON
5910727A10
€ 25.50

3
5910827A10
ref: 3
SEAL,WIPER
5910827A10
€ 19.50

4
6910734200
ref: 4
SEAL,JOINT
6910734200
€ 13.50

5-1
5913006B10
ref: 5-1
PAD
5913006B10
€ 48.50

5-2
5913006B20
ref: 5-2

MODEL J E17,E22,E24
PAD
5913006B20
€ 48.50

6
5914516700
ref: 6
BOLT,HOUSING
5914516700
€ 9.00

7
6914145000
ref: 7
PIN,PAD
6914145000
€ 7.50

8
5914316700
ref: 8
SPRING
5914316700
€ 8.50

9
6914245000
ref: 9
CLIP,PAD PIN
6914245000
€ 5.00

10
5915104A01
ref: 10
COVER,CALIPER
5915104A01
€ 58.50

11
5912118410
ref: 11
BLEEDER
5912118410
€ 8.50

12
5912218410
ref: 12
CAP,BREATHER
5912218410
€ 6.50

13
0712008358
ref: 13
BOLT
0712008358
€ 4.00