×
Buy Suzuki GS Parts Online
home
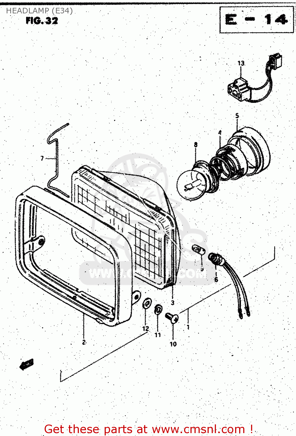
HEADLAMP (E34)
GS125E 1982 (Z) SWEDEN (E17)
Headlamp (e34) diagram GS125E 1982 (Z) SWEDEN (E17)
HEADLAMP (E34) GS125E 1982 (Z) SWEDEN (E17)
×
prices are in EUR
ref
part #
description
quantity
1
3510005300999
ref: 1
HEADLAMP ASSY
€ 0.00
2
3511136510
ref: 2
RIM
€ 47.50
3
3512105300
ref: 3
UNIT
€ 0.00
4
3513605300
ref: 4
HOLDER,BULB
€ 9.50
5
3517505300
ref: 5
COVER, SOCKET
€ 0.00
6
3611845900
ref: 6
SOCKET,PARKING
€ 13.00
7
3512805300
ref: 7
SPRING
€ 0.00
8
0947112048
ref: 8
EXECUTED LOCALLY
BULB(12V45/40W)
€ 7.50
9
0947112063
ref: 9
EXECUTED LOCALLY
BULB(12V4W)
€ 5.00
10
0211205128
ref: 10
SCREW
€ 2.50
11
0832121057
ref: 11
LOCK WASHER
€ 2.00
12
0832221057
ref: 12
WASHER
€ 2.50
13
3685234D00
ref: 13
ARROW RIGHT36853-305
LEAD WIRE, HEAD LAMP
€ 0.00
up
all assemblies
* COLOR CHART *
* CATALOG PREFACE *
* CATALOG PREFACE *
* CONVERSION CHART *
CYLINDER HEAD
STARTER CLUTCH
CAM SHAFT - VALVE (MODEL Z/D)
CAM SHAFT - VALVE (MODEL F/K/L/M/R)
CAM CHAIN
CARBURETOR (MODEL Z/D/F/K)
CARBURETOR (GS125ESK/ESL E24, MODEL M/R)
AIR CLEANER (MODEL Z/D/F/K)
AIR CLEANER (GS125ESK/ESL E24, MODEL M/R)
AIR CLEANER (GS125 UR E71)
MUFFLER
OIL PUMP
CLUTCH
TRANSMISSION
CYLINDER
GEAR SHIFTING
KICK STARTER (GS125Z/D,UR E71)
STARTING MOTOR (GS125ESZ/EZ/ESD/ESF/ESK/ESL)
STARTING MOTOR (GS125ESM/ESR)
MAGNETO (GS125ESZ/EZ/ESD/ESF/ESK/ESL/ESM/ESR)
MAGNETO (GS125Z/D/UR E71)
BATTERY
ELECTRICAL (GS125ESZ/EZ/ESD/ESF/ESK/ESL/ESM/ESR)
ELECTRICAL (GS125Z/D,UR E71)
SPEEDOMETER-TACHOMETER(GS125ESZ/EZ/ESD/ESF/ESK/ESL/ESM/ESR)
SPEEDOMETER - TACHOMETER (GS125Z/D,UR E71)
CRANKCASE (GS125ESZ, GS125EZ)
HEACLAMP (E1,E2,E24,E30,E71)
HEADLAMP (E4,E15,E17,E18,E39)
HEADLAMP (E34)
TURN SIGNAL LAMP (E1,E4,E6,E24,E71,MODEL Z/D/F E2)
TURN SIGNAL LAMP (E15,E17,E18,E39)
TURN SIGNAL LAMP (E34)
TURN SIGNAL LAMP (E30)
TURN SIGNAL LAMP (MODEL K/M/R E2)
REAR COMBINATION LAMP
WIRING HARNESS
FRAME
CRANKCASE (GS125Z)
STAND
REAR BRAKE
FOOTREST
FUEL TANK
FUEL COCK
SEAT
SEAT TAIL COVER
FRAME COVER (MODEL Z)
FRAME COVER (MODEL D)
FRAME COVER (MODEL F/K/L)
FRAME COVER (MODEL M/R)
CRANKCASE (GS125ESD/ESF/ESK/ESL/ESM/ESR)
FRONT FORK
FRONT FORK (GS125EZ E17)
FRONT FORK (GS125Z/D)
FRONT FORK (GS125UR E71)
FRONT FENDER - HEADLAMP HOUSING
FRONT WHEEL (GS125ESZ/EZ/ESD/ESF/ESK/ESL/ESM/ESR)
FRONT WHEEL (GS125Z/D)
FRONT WHEEL (GS125UR)
HANDLEBAR-FRONT CABLE(GS125ESZ/EZ/ESD/ESF/ESK/ESL/ESM/ESR)
HANDLEBAR - FRONT CABLE (GS125Z/D)
HANDLEBAR - FRONT CABLE (GS125UR)
HANDLE SWITCH (GS125ESE/EZ/ESD/ESF)
HANDLE SWITCH (GS125ESK/ESL/ESM/ESR)
HANDLE SWITCH (GS125Z/D,UR E71)
CRANKCASE (GS125D,GS125UR)
FRONT CALIPERS (MODEL Z)
FRONT CALIPERS (MODEL D/F/K/L/M)
FRONT CALIPER (MODEL R)
FRONT BRAKE HOSE
FRONT MASTER CYLINDER (MODEL Z/D/F)
FRONT MASTER CYLINDER (MODEL K/L/M/R)
REAR SWINGING ARM
REAR SWINGING ARM (E15,E17)
CHAIN CASE - SHOCK ABSORBER
REAR FENDER (MODEL Z/D/F/K/L/M)
REAR FENDER (MODEL R)
REAR WHEEL (GS125ESZ/EZ/ESD/ESF/ESK/ESL/ESM/ESR)
REAR WHEEL (GS125Z/D)
REAR WHEEL (GS125UR)
CRANKCASE COVER (GS125ESZ/EZ/ESD/ESF/ESK/ESL/ESM/ESR)
COWLING (GS125ESZ)
COWLING (GS125ESD)
COWLING (GS125ESF/ESK/ESL)
COWLING (GS125ESM/ESR)
OPTIONAL
CRANKCASE COVER (GS125Z/D/UR)
CRANKSHAFT
up