×
Buy Suzuki GS Parts Online
home
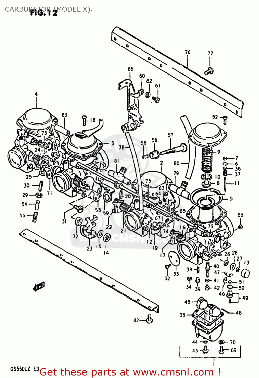
CARBURETOR (MODEL X)
GS550L 1982 (Z) USA (E03)
Carburetor (model x) diagram GS550L 1982 (Z) USA (E03)
CARBURETOR (MODEL X) GS550L 1982 (Z) USA (E03)
×
prices are in EUR
ref
part #
description
quantity
0
1320047070
ref: 0
CARBURETOR ASSEMBLY
€ 0.00
1
1320147070
ref: 1
CARBURETOR ASSEMBLY,NO.1 (A
€ 0.00
2
1320247070
ref: 2
CARBURETOR ASSEMBLY
€ 0.00
3
1320347070
ref: 3
CARBURETOR ASSEMBLY
€ 198.50
4
1320447070
ref: 4
CARBURETOR ASSEMBLY
€ 0.00
5
1350047070
ref: 5
13500-45110
DIAPHRAGM ASSEMBLY
€ 170.50
6
1339431210
ref: 6
CLIP,NEEDLE
€ 4.00
7
1338744030
ref: 7
RING
€ 5.50
8
1338944030
ref: 8
HOLDER,GUIDE
€ 10.50
9
1350347070
ref: 9
SPRING
€ 9.50
10
1358144030
ref: 10
E RING
€ 6.50
11
1338347070
ref: 11
NEEDLE JET
€ 0.00
12
1355795210
ref: 12
GASKET,THROTTLE SHAFT (NAS)
€ 2.50
13
1357847070
ref: 13
CAP
€ 4.50
14
0831012088
ref: 14
08310-00087
NUT
€ 2.50
15
1360747070
ref: 15
NUT
€ 4.50
16
1357347070
ref: 16
SPRING,THROTTLE SHAFT
€ 6.00
17
1355047070
ref: 17
SHAFT,THROTTLE
€ 44.50
18
0211205168
ref: 18
02112-05167
SCREW
€ 2.50
19
1355047080
ref: 19
SHAFT,THROTTLE
€ 42.50
20
1356347070
ref: 20
PIN,THROTTLE SHAFT
€ 0.00
21
1357347070
ref: 21
SPRING,THROTTLE SHAFT
€ 6.00
22
1355347070
ref: 22
LEVER,THROTTLE SHAFT
€ 0.00
23
1355547070
ref: 23
LEVER ASSEMBLY,THROTTLE
€ 0.00
24
1357347080
ref: 24
SPRING,THROTTLE SHAFT
€ 0.00
25
1355047090
ref: 25
SHAFT,THROTTLE
€ 0.00
26
1355631210
ref: 26
13651-51010
SEAL
€ 4.50
27
1361744080
ref: 27
E RING
€ 4.00
28
1355747070
ref: 28
GASKET,THROTTLE SHAFT (NAS)
€ 5.00
29
1360747070
ref: 29
NUT
€ 4.50
30
1360547080
ref: 30
SCREW
€ 8.00
31
1360544100
ref: 31
SCREW,THROTTLE ADJUST B
€ 0.00
32
1360444080
ref: 32
SCREW
€ 4.00
33
1355147070
ref: 33
VALVE,THROTTLE
€ 0.00
34
1325844080
ref: 34
GASKET (NAS)
€ 4.50
35
1325144080
ref: 35
13251-44080-H17
GASKET,FLOAT CHAMBER (NAS)
€ 10.50
36
1338244030
ref: 36
WASHER
€ 4.00
37
1338844030
ref: 37
SPRING
€ 6.50
38
0949240007
ref: 38
JET,PILOT
€ 18.50
39
1335744080
ref: 39
PLUG,NEEDLE JET
€ 5.00
40
0949400264
ref: 40
JET,NEEDLE
€ 18.50
41
1333244080
ref: 41
13382-03110
WASHER,NEEDLE NOZZLE
€ 3.00
42
0949192004
ref: 42
JET,MAIN(92.5)
€ 9.00
43
1324744080
ref: 43
PLUG,DRAIN
€ 9.50
44
1324644080
ref: 44
GASKET (NAS)
€ 4.00
45
1325044080
ref: 45
FLOAT
€ 34.00
46
0211104067
ref: 46
02112-0406B
SCREW
€ 2.00
47
1337339110
ref: 47
PLATE
€ 7.00
48
1325492311
ref: 48
PIN,FLOAT
€ 2.00
49
1337044080
ref: 49
13370-44500
VALVE ASSEMBLY,NEEDLE
€ 44.00
50
1337444080
ref: 50
13374-35C00
O-RING,NEEDLE VALVE
€ 6.00
51
1337644080
ref: 51
13376-19F00
FILTER
€ 7.00
52
0211205128
ref: 52
02112-05127
SCREW
€ 2.50
53
1326844010
ref: 53
SPRING,THROTTLE SCREW
€ 3.00
54
1357547070
ref: 54
PIN,THROTTLE LEVER
€ 2.50
55
1362747070
ref: 55
BRACKET,THROTTLE ADJUST
€ 4.00
56
1327193011
ref: 56
SPRING
€ 4.50
57
1326747070
ref: 57
SCREW
€ 21.00
58
1327631210
ref: 58
BUSH
€ 6.50
59
1362744090
ref: 59
BRACKET,THROTTLE ADJUST
€ 0.00
60
1342147070
ref: 60
BRACKET,STARTER
€ 9.00
61
0110405108
ref: 61
01500-0510B
BOLT
€ 1.50
62
0832121058
ref: 62
08321-0105A
LOCK WASHER
€ 2.00
63
1341547070
ref: 63
13394-10010
CAP,LEVER
€ 5.00
64
1352398010
ref: 64
SEAT,SPRING
€ 5.00
65
1342247070
ref: 65
LEVER ASSY
€ 11.50
66
1362447070
ref: 66
BRACKET
€ 0.00
67
1342547070
ref: 67
ROD,STARTER LEVER
€ 9.50
68
0949330003
ref: 68
JET,AIR(150)
€ 13.00
69
0211205168
ref: 69
02112-05167
SCREW
€ 2.50
70
0832121058
ref: 70
08321-0105A
LOCK WASHER
€ 2.00
71
1355047100
ref: 71
SHAFT,THROTTLE
€ 0.00
72
1358947070
ref: 72
WASHER
€ 3.00
73
1342244080
ref: 73
LEVER
€ 10.00
74
1360547070
ref: 74
SCREW
€ 5.50
75
1341047070
ref: 75
SHAFT,STARTER
€ 29.00
76
1362847070
ref: 76
BRACKET
€ 0.00
77
0211205088
ref: 77
02112-05087
SCREW
€ 2.00
78
1368331610
ref: 78
09355-45855-600
HOSE
€ 15.50
79
1368547070
ref: 79
NIPPLE
€ 27.50
80
1368347070
ref: 80
09352-60103-600
HOSE
€ 19.50
81
1368547080
ref: 81
NIPPLE,CARBURETOR
€ 25.50
82
0211206128
ref: 82
02112-06127
SCREW 6X12
€ 2.50
83
1368547090
ref: 83
NIPPLE
€ 16.50
up
all assemblies
AIR CLEANER
BATTERY
CAM CHAIN
CAM SHAFT - VALVE
CARBURETOR (MODEL X)
CARBURETOR (MODEL Z)
CHAIN CASE - SHOCK ABSORBER
CLUTCH
CRANK CASE
CRANKCASE COVER
CRANKSHAFT
CYLINDER
CYLINDER HEAD
CYLINDER HEAD COVER (E.NO.234047~)
CYLINDER HEAD COVER (~E.NO.234046)
ELECTRICAL
FOOTREST (MODEL X)
FOOTREST (MODEL Z)
FRAME
FRAME COVER (MODEL X)
FRAME COVER (MODEL Z)
FRONT BRAKE HOSE
FRONT CALIPERS
FRONT FORK (MODEL X)
FRONT FORK (MODEL Z)
FRONT MASTER CYLINDER (MODEL X)
FRONT MASTER CYLINDER (MODEL Z)
FRONT WHEEL (MODEL X)
FRONT WHEEL (MODEL Z)
FUEL COCK
FUEL TANK (MODEL X)
FUEL TANK (MODEL Z)
GEAR SHIFTING
GENERATOR
HANDLEBAR
HEADLAMP
HEADLAMP HOUSING - FRONT FENDER
LEFT HANDLE SWITCH (MODEL X)
LEFT HANDLE SWITCH (MODEL Z)
MUFFLER
OIL PUMP - OIL FILTER
REAR BRAKE (MODEL X)
REAR BRAKE (MODEL Z)
REAR CARIPERS (MODEL X)
REAR COMBINATION LAMP
REAR FENDER
REAR MASTER CYLINDER (MODEL X)
REAR SWINGING ARM (MODEL X)
REAR SWINGING ARM (MODEL Z)
REAR WHEEL (MODEL X)
REAR WHEEL (MODEL Z)
RIGHT HANDLE SWITCH (MODEL X)
RIGHT HANDLE SWITCH (MODEL Z)
SEAT
SIGNAL GENERATOR
SPEEDOMETER - TACHOMETER (MODEL X)
SPEEDOMETER - TACHOMETER (MODEL Z)
STAND
STARTER CLUTCH
STARTING MOTOR
STEERING STEM (MODEL X)
STEERING STEM (MODEL Z)
TRANSMISSION
TURN SIGNAL LAMP
WIRING HARNESS
up