prices are in EUR
ref
part #
description
quantity
 
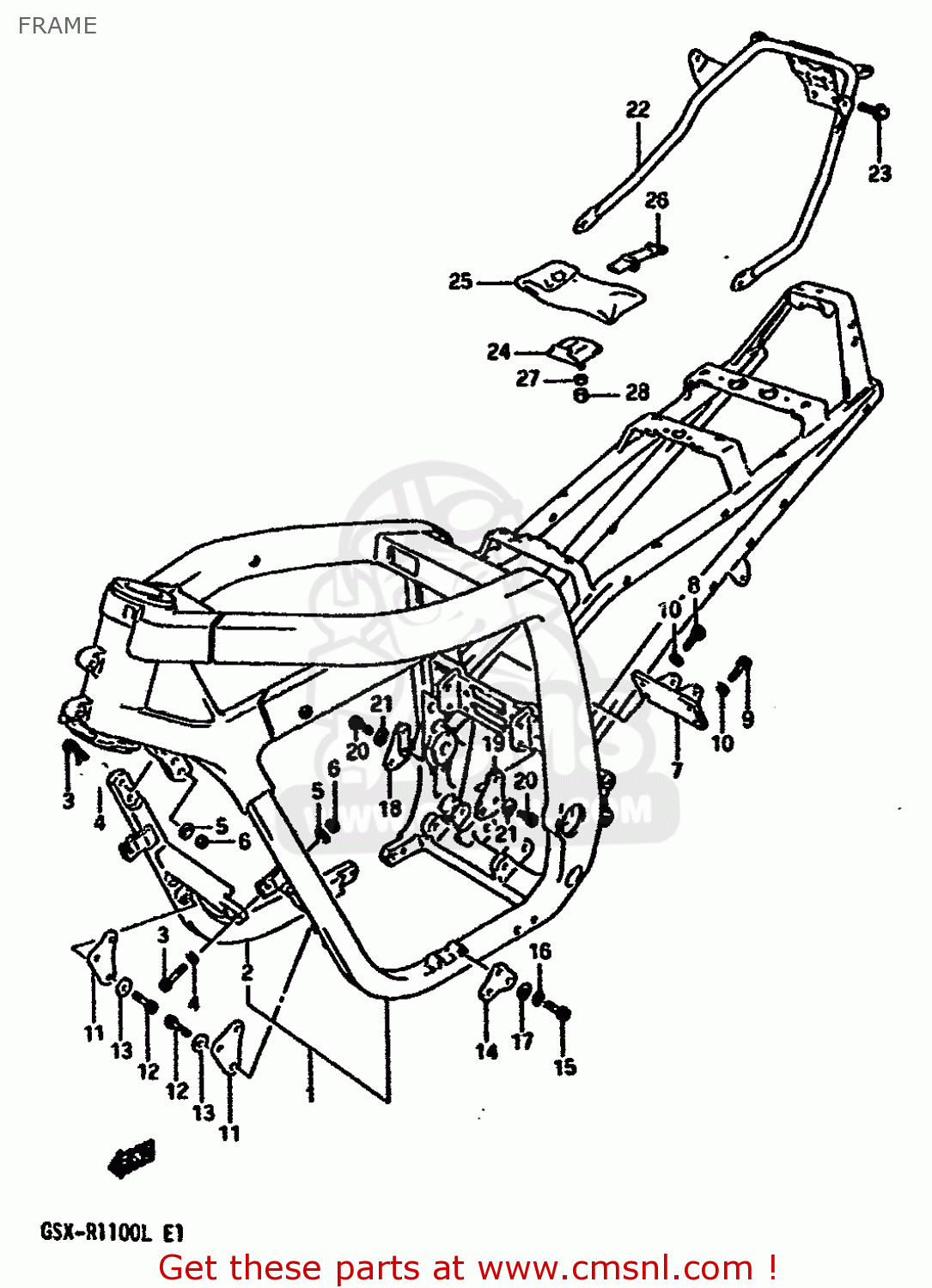
2-1
TUBE COMP,FRAME DOWN,RIGHT
 
2-2
TUBE COMP,FRAME DOWN,RIGHT
 
4
WASHER (10.1X21X2.3)
 
 
 
5
WASHER
 
 
 
6
NUT
 
 
 
7
BRACKET,REAR CUSHION UNIT
 
8
BOLT 10X27
 
 
 
10
WASHER
 
 
 
12
BOLT, FRONT LH
 
 
 
13
WASHER (8.2X20X1.6)
 
 
 
14
PLATE,ENGINE MOUNT NO.2
 
 
 
15
BOLT, FRONT LH
 
 
 
17
WASHER (8.2X20X1.6)
 
 
 
18
PLATE,ENGINE MOUNT NO.3,R
 
19
PLATE,ENGINE MOUNTING NO
 
20
BOLT(8X22)
 
 
 
21
WASHER (8.2X20X1.6)
 
 
 
22-1
GRIP COMP,REAR
 
 
 
22-3
GRIP
 
 
 
26
BAND
 
 
 
27
WASHER
 
 
 
28
NUT 6MM
