Buy Suzuki GSXR Parts Online

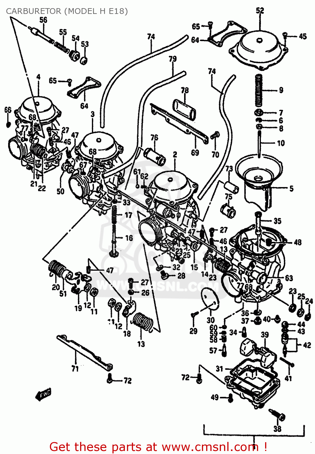
CARBURETOR (MODEL H E18)

GSXR750X 1987 (H) (E01 E02 4 6 15 16 17 18 21 22 24 25 34 39 53)

Carburetor (model h e18) diagram GSXR750X 1987 (H) (E01 E02 4 6 15 16 17 18 21 22 24 25 34 39 53)

CARBURETOR (MODEL H E18) GSXR750X 1987 (H) (E01 E02 4 6 15 16 17 18 21 22 24 25 34 39 53)
CARBURETOR (MODEL H E18) GSXR750X 1987 (H) (E01 E02 4 6 15 16 17 18 21 22 24 25 34 39 53)
CARBURETOR (MODEL H E18) GSXR750X 1987 (H) (E01 E02 4 6 15 16 17 18 21 22 24 25 34 39 53)
prices are in EUR
ref
part #
description
quantity
1
1320127B00
ref: 1
CARBURETOR ASSY,LH
€ 0.00

2
1320227B00
ref: 2
CARBURETOR ASSY,ML
€ 0.00

3
1320327B00
ref: 3
CARBURETOR ASSY,MR
€ 0.00

4
1320427B00
ref: 4
CARBURETOR ASSY,RH
€ 0.00

5
1350027B00
ref: 5
DIAPHRAGM
€ 183.00

6
1339410010
ref: 6

FROM 13415-47070
CLIP
1339410010
€ 5.00

7
1338242A00
ref: 7
RING
1338242A00
€ 4.50

8
1338747010
ref: 8
RING
1338747010
€ 8.00

9
1341742A00
ref: 9
SPRING
1341742A00
€ 6.50

10
1338327B00
ref: 10
NEEDLE,JET (AC8-3)
€ 17.00

11
0831021086
ref: 11

ML,MR
NUT
€ 2.00

12
1360647070
ref: 12

ML,MR
WASHER
1360647070
€ 3.00

13
1357328A10
ref: 13

LH,ML
SPRING
€ 0.00

14
1353028A30
ref: 14

LH
SHAFT ASSY
€ 0.00

15
1355028A00
ref: 15

ML
SHAFT ASSEMBLY
€ 0.00

16
1326728A00
ref: 16

MR
SCREW
€ 22.50

17
1327128A10
ref: 17

MR
SPRING
€ 6.00

18
1355328A00
ref: 18

ML
LEVER
€ 0.00

19
1355528A00
ref: 19

MR
LEVER ASSEMBLY
1355528A00
€ 29.00

20
1357328A00
ref: 20

MR
SPRING
€ 0.00

21
1357328A20
ref: 21

RH
SPRING
€ 0.00

22
1355028A20
ref: 22

RH
SHAFT ASSEMBLY
€ 0.00

23
1365151010
ref: 23
SEAL
1365151010
€ 4.50

24
1361744080
ref: 24

LH,RH
E RING
1361744080
€ 4.00

25
1355747070
ref: 25
GASKET,THROTTLE SHAFT (NAS)
1355747070
€ 5.00

26
1358295216
ref: 26

ML
NUT,THROTTLE ROD
1358295216
€ 6.50

27
1326752012
ref: 27

LH,ML,RH
SCREW
1326752012
€ 3.00

28
1360573000
ref: 28
SCREW
1360573000
€ 11.50

29
1360442A00
ref: 29
SCREW
€ 4.00

30
1355127B00
ref: 30
VALVE,THROTTLE (130)
€ 0.00

31
1325142A00
ref: 31
O RING,FLOAT CHAMBER
1325142A00
€ 8.50

32
1324978100
ref: 32
WASHER
1324978100
€ 4.00

33
1343247090
ref: 33

MR
WASHER
1343247090
€ 2.50

34
0949235009
ref: 34
JET ,PILOT (35)
€ 8.50

35
0949400565
ref: 35
JET NEEDLE (Q-0)
€ 0.00

36
1333244080
ref: 36
WASHER,NEEDLE NOZZLE
€ 3.00

37
0949123017
ref: 37
JET,MAIN(117.5)
0949123017
€ 12.00

38
1324713A00
ref: 38
SCREW,DRAIN
1324713A00
€ 6.00

39
1325028A00
ref: 39
FLOAT
1325028A00
€ 36.00

40
1360243410
ref: 40
SCREW
1360243410
€ 2.50

41
1325492311
ref: 41
PIN,FLOAT
1325492311
€ 2.00

42
1337044500
ref: 42
VALVE ASSY,NEEDLE
1337044500
€ 44.00

43
1337444080
ref: 43
O-RING,NEEDLE VALVE
1337444080
€ 6.00

44
1337665010
ref: 44
FILTER
€ 7.00

45
0211204085
ref: 45

LH/MR:2,ML/RH:3
SCREW
0211204085
€ 2.00

46
1327128A00
ref: 46

LH,RH
SPRING
1327128A00
€ 4.00

47
1326896110
ref: 47

LH,ML,RH
SPRING,THROTTLE SCREW
€ 5.50

48
0949332002
ref: 48
JET
0949332002
€ 12.50

49
1360227A10
ref: 49
SCREW
€ 1.50

50
1355028A10
ref: 50

MR
SHAFT ASSEMBLY
€ 0.00

51
1357428A00
ref: 51

MR
RING
1357428A00
€ 4.50

52
1350228A00
ref: 52
COVER,DIAPHRAGM
€ 35.00

53
1368231210
ref: 53
CAP,STARTER VALVE
1368231210
€ 5.50

54
1341844080
ref: 54
GUIDE SCREW,PLUNGER
1341844080
€ 9.00

55
1341743010
ref: 55
SPRING
1341743010
€ 4.00

56
1341105320
ref: 56
PLUNGER ASSY
1341105320
€ 19.50

57
1327947070
ref: 57
SCREW,PILOT
1327947070
€ 12.50

58
1326847070
ref: 58
SPRING
1326847070
€ 5.50

59
1327744080
ref: 59
GASKET
€ 2.00

60
1329529900
ref: 60

FROM 13278-44080
O RING,PILOT AIR SCREW
1329529900
€ 4.00

61
1359693010
ref: 61
BALL,CARBURETOR
1359693010
€ 3.50

62
1343406B00
ref: 62
SPRING
€ 6.50

63
1341028A00
ref: 63
SHAFT ASSEMBLY
€ 28.00

64
1362828A00
ref: 64
PLATE
€ 0.00

65
0211204085
ref: 65
SCREW
0211204085
€ 2.00

66
1329849000
ref: 66
E-RING
€ 2.00

67
1360549330
ref: 67
SCREW
1360549330
€ 5.50

68
1342228A00
ref: 68
LEVER
1342228A00
€ 11.50

69
1362828A10
ref: 69
PLATE
€ 0.00

70
0211205128
ref: 70
SCREW
€ 2.50

71
1362828A20
ref: 71
PLATE
€ 0.00

72
0211205168
ref: 72
SCREW
0211205168
€ 2.50

73
1368349160
ref: 73

L:400-18
HOSE,CARBURETOR
€ 28.50

74
1368428A00
ref: 74
HOSE
€ 14.00

75
1368027A00
ref: 75
HOSE SET (3X5X18)
€ 6.00

76
1368028A00
ref: 76
HOSE ASSY
1368028A00
€ 6.00

77
1360534390
ref: 77
SCREW
€ 3.50

78
1368428A10
ref: 78
HOSE
€ 6.50

79
1368306A20
ref: 79
HOSE
€ 7.00