×
Buy Suzuki GSX Parts Online
home
GSX400E 1980 (T) (E02 E04 E22 E24)
* COLOR CHART *
0 products
* COLOR CHART *
0 products
* CATALOG PREFACE *
0 products
* CONVERSION CHART *
0 products
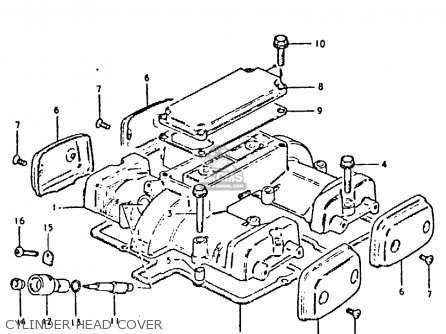
CYLINDER HEAD COVER
17 products
CYLINDER HEAD
27 products
CYLINDER
6 products
CRANKCASE
34 products
CRANKCASE COVER
29 products
OIL FILTER - OIL PUMP
24 products
CRANKSHAFT
32 products
CRANKSHAFT BALANCER
12 products
STARTER CLUTCH
8 products
CAM SHAFT - VALVE
27 products
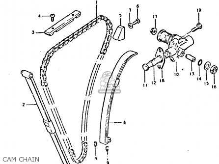
CAM CHAIN
19 products
CARBURETOR
73 products
AIR CLEANER
13 products
MUFFLER
16 products
CLUTCH
30 products
TRANSMISSION
39 products
GEAR SHIFTING
42 products
STARTING MOTOR
17 products
GENERATOR
12 products
SIGNAL GENERATOR
10 products
BATTERY
16 products
SPEEDOMETER - TACHOMETER
34 products
HEADLAMP
14 products
TURN SIGNAL LAMP
27 products
REAR COMBINATION LAMP
23 products
ELECTRICAL
22 products
WIRING HARNESS
22 products
FRAME
25 products
STAND - REAR BRAKE
35 products
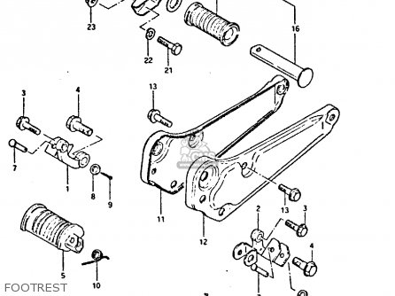
FOOTREST
23 products
FUEL TANK (GSX400ET/ST)
23 products
FUEL TANK (GSX400EX)
18 products
FUEL TANK (GSX400SX)
14 products
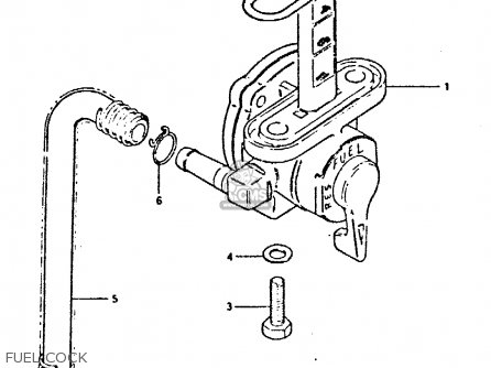
FUEL COCK
9 products
SEAT (GSX400ET)
32 products
SEAT (GSX400ST)
34 products
SEAT (GSX400EX)
28 products
SEAT (GSX400SX)
20 products
SEAT TAIL COVER (GSX400ET/ST)
35 products
SEAT TAIL COVER (GSX400EX)
27 products
SEAT TAIL COVER (GSX400SX)
23 products
FRAME COVER (GSX400ET/EX)
21 products
FRAME COVER (GSX400ST)
17 products
FRAME COVER (GSX400SX)
17 products
FRONT FORK (GSX400ST:~F.NO. 500305/ET, EX)
25 products
FRONT FORK (GSX400ST F.NO. 500306~ GSX400SX)
27 products
STEERING STEM (GSX400ST ~F.NO. 500305/ET, EX)
31 products
STEERING STEM (GSX400ST F.NO. 500306~/GSX400SX)
33 products
HEADLAMP HOUSING - FRONT FENDER (GSX400ET, EX)
11 products
HEADLAMP HOUSING - FRONT FENDER (GSX400ST, SX)
18 products
FRONT WHEEL
22 products
HANDLEBAR (GSX400ET, GSX400EX)
16 products
HANDLEBAR (GSX400ST, GSX400SX)
14 products
RIGHT HANDLE SWITCH
20 products
LEFT HANDLE SWITCH
12 products
FRONT CALIPERS
17 products
FRONT MASTER CYLINDER
15 products
FRONT BRAKE HOSE
9 products
REAR SWINGING ARM
20 products
CHAIN CASE - SHOCK ABSORBER
17 products
REAR FENDER
25 products
REAR WHEEL
39 products
COWLING (GSX400ST / GSX400SX E22)
23 products
COWLING (GSX400SX E2, E4)
19 products
COWLING (OPTIONAL)
26 products
OPTIONAL
23 products
up
popular products
3417344101
SOCKET,SPEEDOMETER
Suzuki
6827844100
EMBLEM
Suzuki
3571344130
GASKET,REAR COMBINATION LAMP LENS (NAS)
Suzuki
6813144140019
EMBLEM, "GSX400" (BLACK)
Suzuki