Buy Suzuki RGV Parts Online

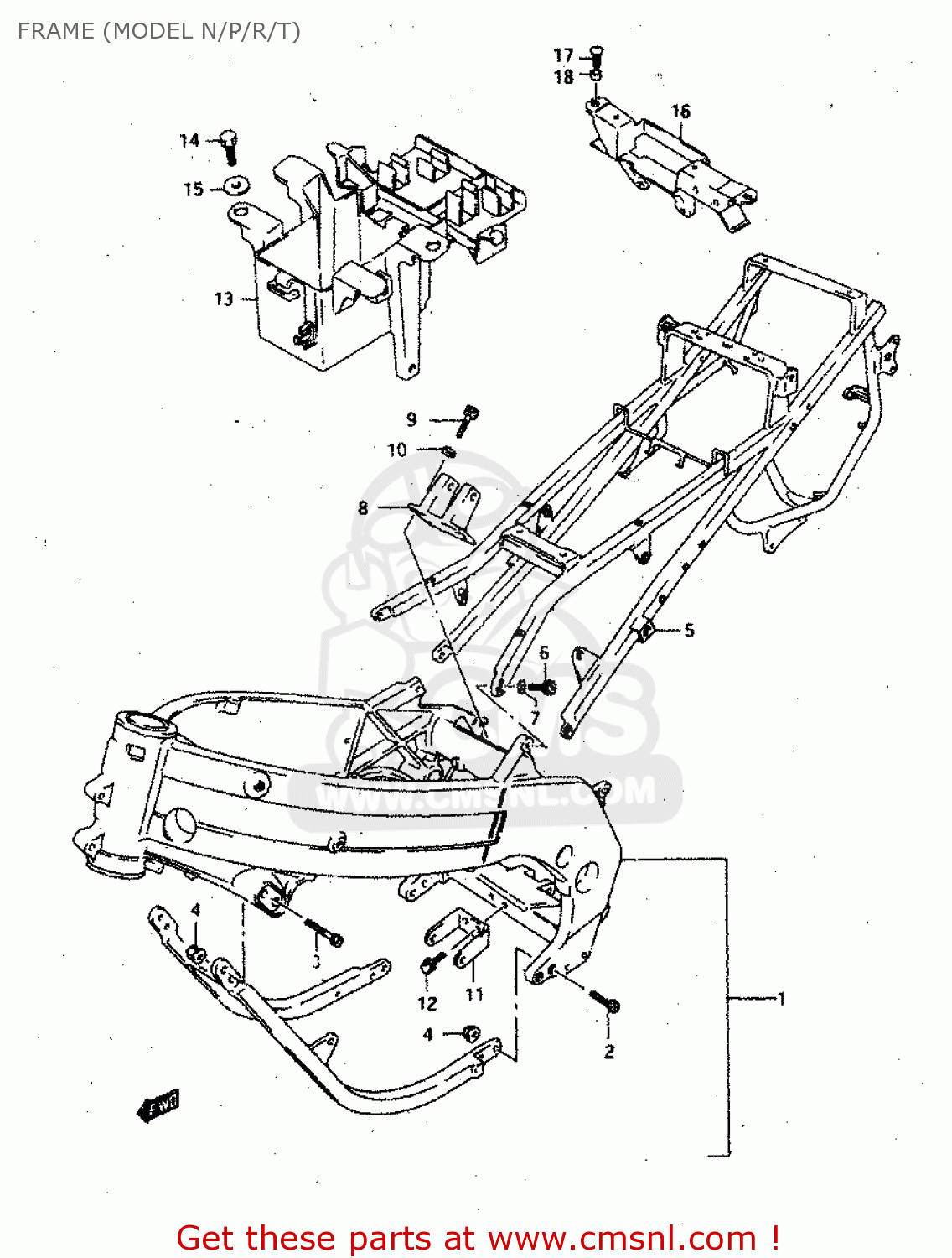
FRAME (MODEL N/P/R/T)

RGV250 1994 (R) (E02 E04 E21 E24 E34)

Frame (model n/p/r/t) diagram RGV250 1994 (R) (E02 E04 E21 E24 E34)

FRAME (MODEL N/P/R/T) RGV250 1994 (R) (E02 E04 E21 E24 E34)
FRAME (MODEL N/P/R/T) RGV250 1994 (R) (E02 E04 E21 E24 E34)
FRAME (MODEL N/P/R/T) RGV250 1994 (R) (E02 E04 E21 E24 E34)
prices are in EUR
ref
part #
description
quantity
1
4110022834
ref: 1

MODEL N
FRAME SET
€ 2,377.00

1
4110022835
ref: 1

MODEL P/R
FRAME SET
€ 2,377.00

1
4110022880
ref: 1

MODEL T
FRAME SET
€ 2,377.00

1
4110022853
ref: 1

MODEL N E22
FRAME SET
€ 2,377.00

1
4110022854
ref: 1

MODEL P E22
FRAME SET
€ 2,377.00

2
0713008307
ref: 2

MODEL N/P
BOLT
0713008307
€ 5.00

3
0713008407
ref: 3

MODEL N/P
BOLT
0713008407
€ 4.50

3
0713008407
ref: 3

MODEL R/T
BOLT
0713008407
€ 4.50

4
0831931087
ref: 4
NUT
0831931087
€ 3.00

5
4120022D30
ref: 5

MODEL N/P/R
SEAT RALE
€ 738.00

5
4120022D3113L
ref: 5

MODEL T
RAIL,SEAT(SILVER)
€ 738.00

6
0713010207
ref: 6
BOLT
0713010207
€ 3.50

7
0916410005
ref: 7
WASHER
0916410005
€ 7.50

8
4176222D00
ref: 8

MODEL N
BRACKET,R.C.U.
€ 102.00

8
4176222D01
ref: 8

MODEL P/R/T
BRACKET,RR CUSHION UNIT
€ 102.00

9
0910608083
ref: 9

MODEL N/P
BOLT(8X25)
0910608083
€ 3.50

9
0713008257
ref: 9

MODEL R/T
BOLT
0713008257
€ 4.00

10
0916408015
ref: 10
WASHER
0916408015
€ 3.50

11
4191112C00
ref: 11
PLATE, ENGINE MOUNTING
€ 10.50

12
0155006167
ref: 12

MODEL N/P
BOLT
0155006167
€ 1.50

12
0155006163
ref: 12

MODEL R/T
BOLT
0155006163
€ 2.50

13
4154012C02
ref: 13
HOLDER, BATTERY
€ 36.00

14
0150006207
ref: 14

MODEL N/P
BOLT
0150006207
€ 2.50

14
0150006203
ref: 14

MODEL R/T
BOLT
0150006203
€ 2.50

15
0916906031
ref: 15
WASHER
0916906031
€ 2.50

16
4741122D00
ref: 16
HOLDER, ELECTRIC PARTS
4741122D00
€ 26.00

17
0214206127
ref: 17

MODEL N/P
SCREW 6X12
0214206127
€ 2.00

17
0214206123
ref: 17

MODEL R/T
SCREW 6X12
0214206123
€ 2.00

18
0918006173
ref: 18

MODEL N/P
SPACER (6.1X9X3.8)
€ 2.00

18
0918006142
ref: 18

MODEL R/T
SPACER
0918006142
€ 2.00