Buy Suzuki VS Parts Online

ELECTRICAL

VS1400GLP 1997 (V) (E02 E04 E17 E22 E24 E34) / P37

Electrical diagram VS1400GLP 1997 (V) (E02 E04 E17 E22 E24 E34) / P37

ELECTRICAL VS1400GLP 1997 (V) (E02 E04 E17 E22 E24 E34) / P37
ELECTRICAL VS1400GLP 1997 (V) (E02 E04 E17 E22 E24 E34) / P37
ELECTRICAL VS1400GLP 1997 (V) (E02 E04 E17 E22 E24 E34) / P37
prices are in EUR
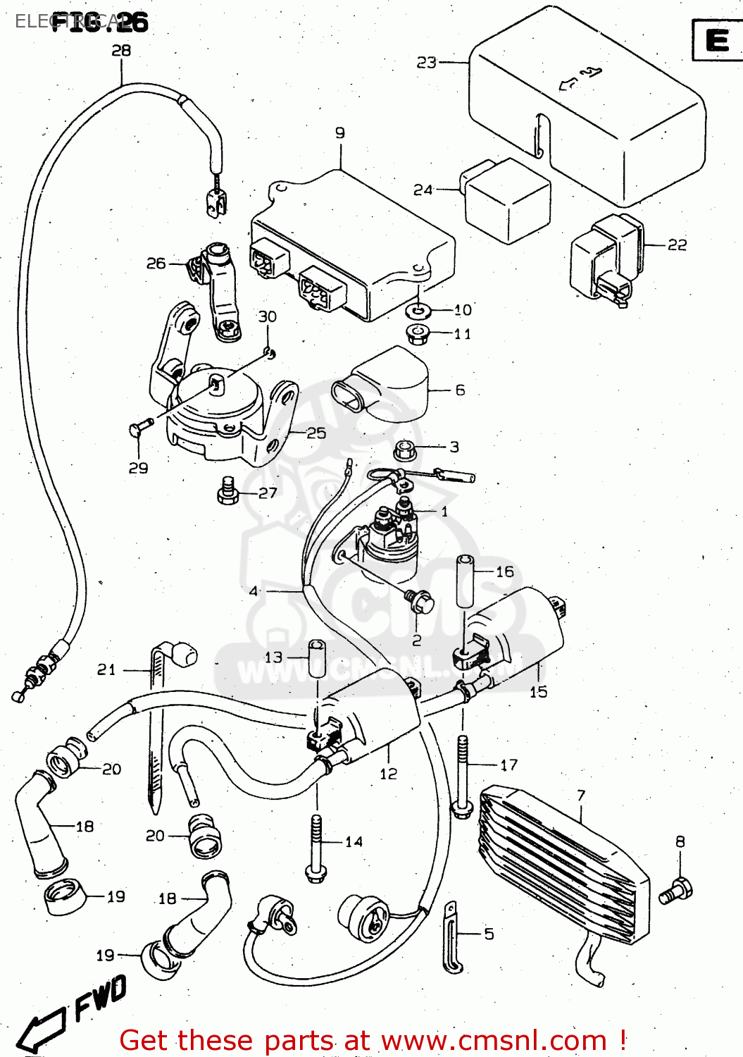
ref
part #
description
quantity
1
3180049100
ref: 1
RELAY ASSY,STARTING MOTOR
3180049100
€ 97.00

2
0155006103
ref: 2
BOLT
0155006103
€ 3.00

3
0836135068
ref: 3
NUT
0836135068
€ 2.00

4
3385038B00
ref: 4
WIRE,STARTER MOTOR LEAD
3385038B00
€ 57.50

5
0940406432
ref: 5

<-09404-06401
CLAMP(L:65)
0940406432
€ 3.00

6
3362449401
ref: 6

<-33624-49420
CAP,STARTER RELAY TERMINAL
3362449401
€ 6.00

7
3280012E01
ref: 7
RECTIFIER ASSY
3280012E01
€ 390.00

8
0150006103
ref: 8
BOLT
€ 2.00

9
3290038B41
ref: 9
IGNITOR ASSY
€ 832.00

10
0916006017
ref: 10

MODEL T
WASHER (6.5X13X2.3)
0916006017
€ 2.00

10
0916006115
ref: 10

MODEL V
WASHER
€ 2.50

10
0916006131
ref: 10

MODEL W/X
WASHER(6.5X16X4)
0916006131
€ 2.50

11
0831610063
ref: 11
NUT
0831610063
€ 2.50

12
3341038B00
ref: 12
COIL ASSY,IGNITION RR
3341038B00
€ 159.50

13
0918006178
ref: 13
SPACER(6.4X10X22)
0918006178
€ 5.00

14
0157005453
ref: 14
BOLT
€ 2.50

15
3342038B00
ref: 15
COIL ASSY,IGNITION
3342038B00
€ 159.50

16
0918006179
ref: 16
SPACER(6.4X10X32)
0918006179
€ 5.50

17
0157005553
ref: 17
BOLT
€ 2.50

18
3351038B00
ref: 18
CAP,SPARK PLUG
3351038B00
€ 23.50

19
3354124510
ref: 19
SEAL,SPARK PLUG CAP
3354124510
€ 8.00

20
3354238B00
ref: 20
SEAL,HIGH TENSION CORD
3354238B00
€ 5.00

21
0940714403
ref: 21
CLAMP(L:125)
0940714403
€ 2.50

22
3395038B00
ref: 22
RELAY ASSY,FUEL CUT
3395038B00
€ 97.00

23
3395138B00
ref: 23
COVER,RELAY
€ 21.00

24
3291024B10
ref: 24
CONTROL UNIT,DECOMP
3291024B10
€ 76.00

25
3397038B00
ref: 25
SOLENOID ASSY,DECOMP
3397038B00
€ 290.00

26
3397138B00
ref: 26
BRACKET,DECOMP SOLENOID
€ 13.50

27
0155006123
ref: 27
BOLT
0155006123
€ 3.00

28
5890038B01
ref: 28
CABLE ASSEMBLY,DECOMPRESSION
5890038B01
€ 57.50

29
0920904020
ref: 29
PIN(4X12.5)
0920904020
€ 6.50

30
0833211033
ref: 30
E RING
0833211033
€ 1.50