×
Buy Suzuki DR Parts Online
home
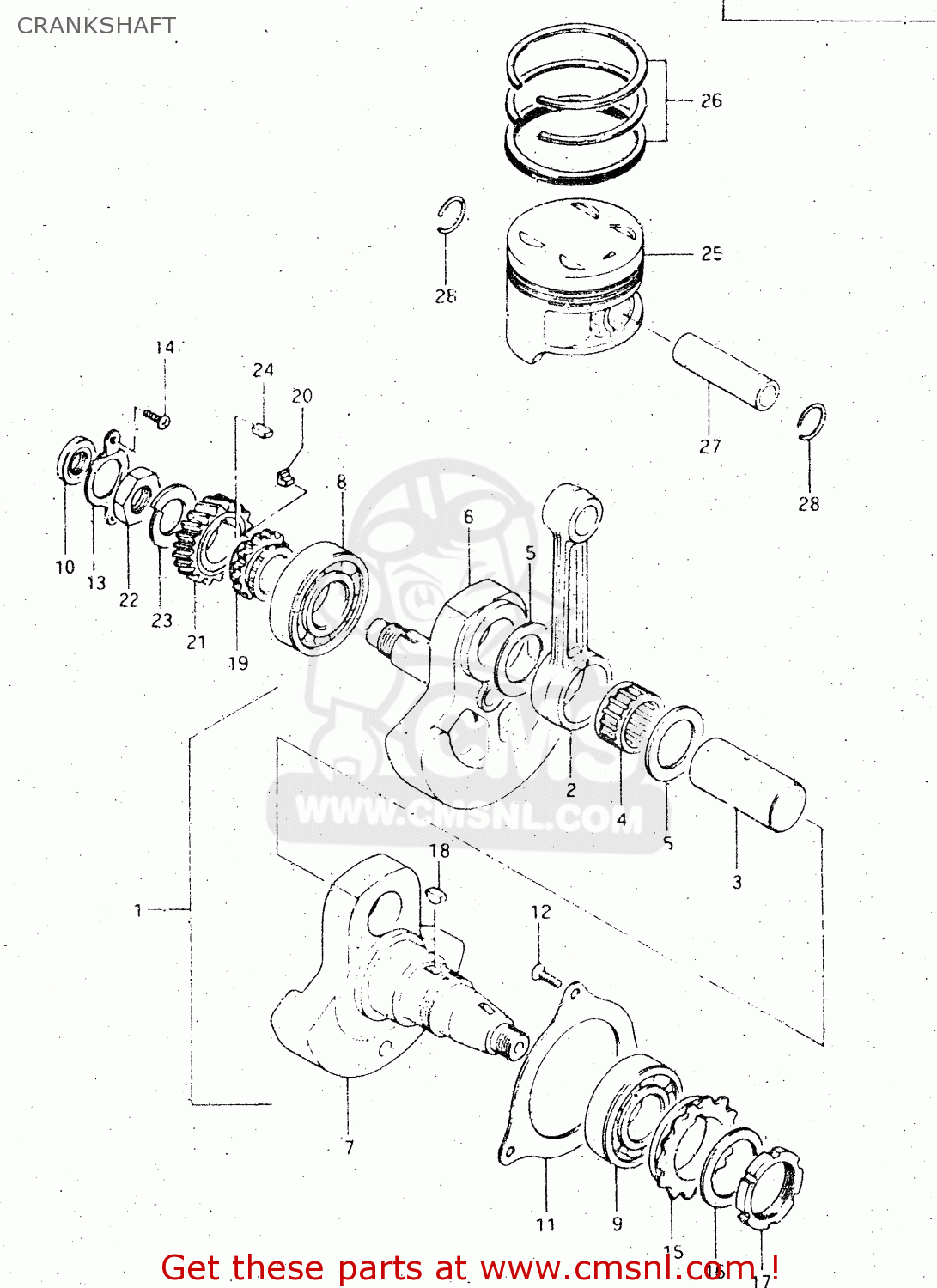
CRANKSHAFT
DR500S 1984 (E)
Crankshaft diagram DR500S 1984 (E)
CRANKSHAFT DR500S 1984 (E)
×
prices are in EUR
ref
part #
description
quantity
1
1220037401
ref: 1
CRANKSHAFT ASSEMBLY
€ 736.00
2
1216137400
ref: 2
ROD,CONNECTING
€ 91.00
3
1221037401
ref: 3
PIN,CRANK
€ 89.50
4
0926335009
ref: 4
BEARING(35X44X26)
€ 54.00
5
0916035005
ref: 5
WASHER(35X55X1)
€ 8.50
6
1222037402
ref: 6
CRANKSHAFT
€ 0.00
7
1226137401
ref: 7
CRANKSHAFT,LEFT
€ 0.00
8
0926235009
ref: 8
BEARING(35X80X21)
€ 75.00
9
0926245003
ref: 9
BEARING
€ 54.00
10
0928216002
ref: 10
SEAL,OIL(16X30X6)
€ 9.50
11
1254137400
ref: 11
RETAINER,CRANKSHAFT BEARING,L
€ 13.50
12
0212206168
ref: 12
SCREW
€ 2.50
13
1254837400
ref: 13
RETAINER,CRANKSHAFT BEARING,R
€ 7.00
14
0211205088
ref: 14
SCREW
€ 2.00
15
1266237401
ref: 15
NT:25
SPROCKET,BALANCER DRIVE
€ 161.00
16
0916440003
ref: 16
WASHER
€ 3.50
17
1266437400
ref: 17
NUT,FLYWHEEL
€ 26.00
18
0834131039
ref: 18
KEY
€ 2.00
19
1273137400
ref: 19
SPROCKET,CAM CHAIN DRIVE
€ 91.00
20
1274932400
ref: 20
KEY,SPROCKET
€ 13.50
21
2111137400
ref: 21
GEAR,PRIMARY DRIVE
€ 33.50
22
0914020008
ref: 22
NUT (20MM)
€ 5.00
23
0916420003
ref: 23
WASHER
€ 3.00
24
0942107002
ref: 24
KEY
€ 4.50
25-1
1211137401
ref: 25-1
PISTON (88.00MM)
€ 109.50
25-2
1211137401050
ref: 25-2
OPT
PISTON
€ 134.00
25-3
1211137401100
ref: 25-3
OPT
PISTON
€ 165.00
26-1
1214037430
ref: 26-1
RING SET,PISTON
€ 65.50
26-2
1214037430050
ref: 26-2
OPT
RING SET,PISTON (OS:0.5)
€ 0.00
26-3
1214037430100
ref: 26-3
OPT
RING SET,PISTON
€ 44.00
27
1215137400
ref: 27
PISTON PIN
€ 26.00
28
0938121002
ref: 28
RING,SNAP
€ 1.50
up
all assemblies
* COLOR CHART *
* CATALOG PREFACE *
* CONVERSION CHART *
CYLINDER HEAD
CARBURETOR
AIR CLEANER
MUFFLER
OIL PUMP
CLUTCH
TRANSMISSION
GEAR SHIFTING
KICK STARTER
MAGNETO
MAGNETO (E39)
CYLINDER
BATTERY
ELECTRICAL
SPEEDOMETER - TACHOMETER
PILOT BOX
HEADLAMP (E1, E6, E24)
HEADLAMP (MODEL D E2)
HEADLAMP (MODEL E E2)
HEADLAMP (E4)
HEADLAMP (MODEL D/E E18,E21,E22,E25,E39, MODEL D E34)
TURN SIGNAL LAMP (E1, E6, E24)
CRANKCASE
TURN SIGNAL LAMP (E2)
TURN SIGNAL LAMP (E4, E21, E25, E34)
TURN SIGNAL LAMP (E18, E39)
TURN SIGNAL LAMP (E22)
REAR COMBINATION LAMP (E1,E4,E6,E21,E24,E25,E34)
REAR COMBINATION LAMP (E2)
REAR COMBINATION LAMP (E18)
REAR COMBINATION LAMP (E22)
REAR COMBINATION LAMP (E39)
WIRING HARNESS
CRANKCASE COVER
FRAME
STAND - REAR BRAKE
FOOTREST
FUEL TANK (MODEL D)
FUEL TANK (MODEL E)
FUEL COCK
SEAT
FRAME COVER (MODEL D)
FRAME COVER (MODEL E)
FRONT FORK (MODEL D)
CRANKSHAFT
FRONT FORK (MODEL E)
STEERING STEM
HEADLAMP HOUSING
FRONT FENDER
FRONT WHEEL
HANDLEBAR (MODEL D)
HANDLEBAR (MODEL E)
RIGHT HANDLE SWITCH
LEFT HANDLE SWITCH
REAR SWINGING ARM
CRANK BALANCER
CHAIN CASE
REAR FENDER
REAR WHEEL
OPTIONAL
BALANCER CHAIN
CAM SHAFT - VALVE
CAM CHAIN
up