×
Buy Suzuki DR Parts Online
home
DR650R 1990 (L) (E2 E4 E15 E16 E17 E18 E21 E22 E24 E25 E34 E39 E
* COLOR CHART *
0 products
* CATALOG PREFACE *
0 products
CYLINDER HEAD
45 products
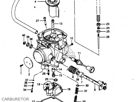
CARBURETOR
55 products
AIR CLEANER
23 products
MUFFLER
19 products
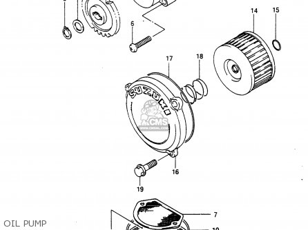
OIL PUMP
19 products
OIL COOLER
24 products
CLUTCH
24 products
TRANSMISSION
39 products
GEAR SHIFTING
37 products
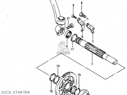
KICK STARTER
21 products
MAGNETO
10 products
CYLINDER
5 products
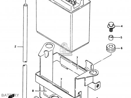
BATTERY
9 products
ELECTRICAL
12 products
SPEEDOMETER
32 products
HEADLAMP
27 products
TURN SIGNAL LAMP
26 products
REAR COMBINATION LAMP
32 products
WIRING HARNESS
19 products
FRAME
34 products
STAND - REAR BRAKE
15 products
FOOTREST
30 products
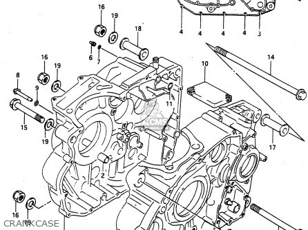
CRANKCASE
19 products
FUEL TANK
19 products
FUEL COCK
8 products
SEAT
33 products
FRAME COVER
32 products
FRONT FORK
28 products
STEERING STEM
33 products
FRONT FORK COVER
10 products
HEADLAMP HOUSING
18 products
FRONT FENDER - METER VISOR
34 products
FRONT WHEEL
18 products
CRANKCASE COVER
33 products
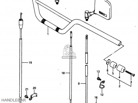
HANDLEBAR
23 products
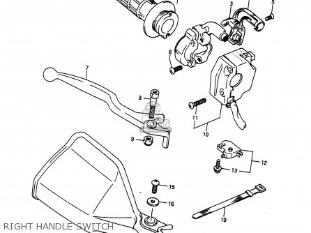
RIGHT HANDLE SWITCH
20 products
LEFT HANDLE SWITCH
26 products
FRONT CALIPER
15 products
FRONT BRAKE HOSE
10 products
FRONT MASTER CYLINDER
10 products
REAR SWINGING ARM
23 products
REAR CUSHION LEVER
24 products
REAR FENDER
44 products
REAR WHEEL
28 products
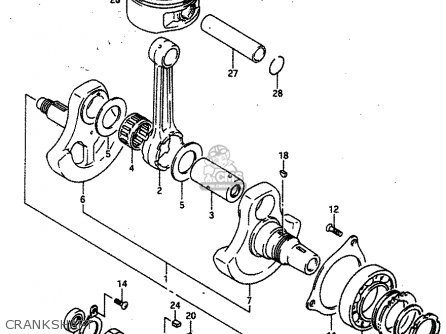
CRANKSHAFT
32 products
REAR CALIPER
15 products
REAR MASTER CYLINDER
29 products
OPTIONAL
27 products
CRANK BALANCER
9 products
BALANCER CHAIN
16 products
CAM SHAFT - VALVE
31 products
CAM CHAIN
11 products
up
popular products
0944032006
SPRING
Suzuki
5191545000
LABEL,STEERING LOCK
Suzuki
4514723450
CUSHION,SEAT FR
Suzuki
5620025810
BALANCER SET,HANDLEBAR
Suzuki