×
Buy Suzuki GS Parts Online
home
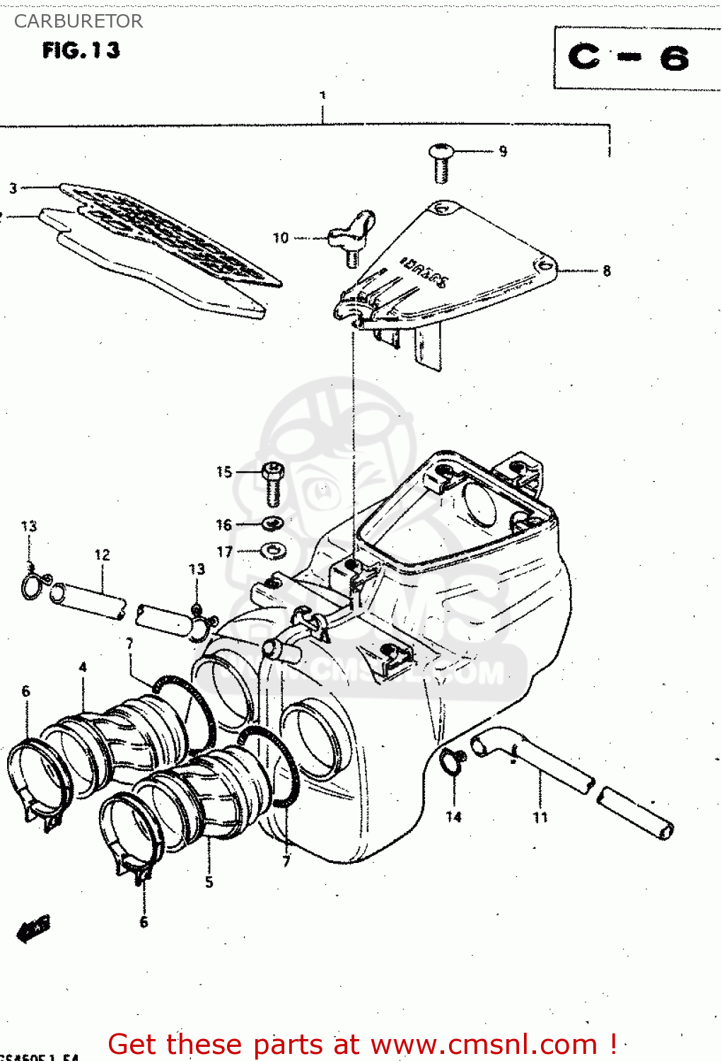
CARBURETOR
GS450L 1980 (T) (E02 E21 E22 E24 E25)
Carburetor diagram GS450L 1980 (T) (E02 E21 E22 E24 E25)
CARBURETOR GS450L 1980 (T) (E02 E21 E22 E24 E25)
×
prices are in EUR
ref
part #
description
quantity
0
1320044100
ref: 0
CARBURETOR ASSY
€ 0.00
0
1320044120
ref: 0
GS450LT E22
CARBURETOR ASSY
€ 0.00
1-1
1320144100
ref: 1-1
CARBURETOR ASSY, RH
€ 0.00
1-2
1320144120
ref: 1-2
GS450LT E22
CARBURETOR ASSY, RH
€ 0.00
2-1
1320244100
ref: 2-1
CARBURETOR ASSY, LH
€ 0.00
2-2
1320244120
ref: 2-2
GS450LT E22
CARBURETOR ASSY, LH
€ 0.00
3
1355144110
ref: 3
VALVE,THROTTLE
€ 0.00
4
1360444080
ref: 4
SCREW
€ 4.00
5
1350044110
ref: 5
DIAPHRAGM
€ 222.00
6
1358144030
ref: 6
E RING
€ 6.50
7
1350344030
ref: 7
SPRING,DIAPHRAGM
€ 8.00
8
1338944030
ref: 8
HOLDER,GUIDE
€ 10.50
9
1338744030
ref: 9
RING
€ 5.50
10
1339444010
ref: 10
CLIP
€ 4.00
11
1338244030
ref: 11
WASHER
€ 4.00
12
1338844030
ref: 12
SPRING
€ 6.50
13-1
1338344100
ref: 13-1
NEEDLE, JET (4C3-3)
€ 13.50
13-2
1338344120
ref: 13-2
GS450LT E22
NEEDLE, JET (4F29-3)
€ 14.50
14
1361744080
ref: 14
E RING
€ 4.00
15
1355747070
ref: 15
GASKET,THROTTLE SHAFT (NAS)
€ 5.00
16
1355644010
ref: 16
SEAL
€ 4.50
17
1325144012
ref: 17
GASKET,FLOAT CHAMBER (NAS)
€ 13.50
18
1329531210
ref: 18
O-RING
€ 2.50
19-1
0949217007
ref: 19-1
JET, PILOT (17.5)
€ 8.00
19-2
0949222002
ref: 19-2
GS450LT E22
JET
€ 8.50
20-1
0949400271
ref: 20-1
JET, NEEDLE (Y-6)
€ 16.00
20-2
0949400282
ref: 20-2
GS450LT E22
JET, NEEDLE (Y-2)
€ 0.00
21-1
0949123013
ref: 21-1
JET,MAIN
€ 12.50
21-2
0949122011
ref: 21-2
GS450LT E22
JET,MAIN(112.5)
€ 18.00
22
1324644010
ref: 22
O-RING
€ 5.50
23
1324732210
ref: 23
SCREW,GUIDE
€ 14.50
24
1325231210
ref: 24
FLOAT
€ 35.00
25
1337044010
ref: 25
VALVE ASSY,NEEDLE
€ 57.00
26
1325401010
ref: 26
PIN,FLOAT
€ 3.50
27
1339216600
ref: 27
GASKET,MAIN JET HOLDER (NAS)
€ 3.50
28
1337644080
ref: 28
FILTER
€ 7.00
29
0211105158
ref: 29
SCREW
€ 2.50
30
0832121058
ref: 30
LOCK WASHER
€ 2.00
31
0211204128
ref: 31
SCREW
€ 1.50
32
0832121048
ref: 32
LOCK WASHER
€ 2.50
33
1357847070
ref: 33
CAP
€ 4.50
34
1343644010
ref: 34
GASKET
€ 7.00
35
0211205168
ref: 35
SCREW
€ 2.50
36
0832121058
ref: 36
LOCK WASHER
€ 2.00
37
0949332003
ref: 37
JET,AIR(1.6)
€ 10.00
38
1357331610
ref: 38
RH
SPRING
€ 0.00
39
1357444110
ref: 39
RH
RING
€ 0.00
40
1355044120
ref: 40
RH
SHAFT ASSEMBLY
€ 0.00
41
1338744110
ref: 41
LH
RING
€ 0.00
42
1326844110
ref: 42
LH
SPRING,THROTTLE SCREW
€ 0.00
43
1356344110
ref: 43
LH
PIN,THROTTLE LEVER
€ 0.00
44
1360747070
ref: 44
LH
NUT
€ 4.50
45
1360547070
ref: 45
LH
SCREW
€ 5.50
46
1341344110
ref: 46
LH
LEVER,STARTER
€ 19.50
47
1343244110
ref: 47
LH
WASHER,STARTER LEVER (4.1X12X0.8)
€ 2.00
48
1361544010
ref: 48
LH
WASHER,STARTER LEVER
€ 3.00
49
1343231210
ref: 49
LH
RING,STARTER LEVER
€ 3.00
50
1360544110
ref: 50
LH
SCREW
€ 5.50
51
1338844110
ref: 51
LH
SPRING,STARTER LEVER S
€ 0.00
52
1343244120
ref: 52
LH
WASHER
€ 2.50
53
1343233110
ref: 53
LH
WASHER
€ 5.00
54
1357344110
ref: 54
LH
SPRING
€ 0.00
55
1355044110
ref: 55
LH
SHAFT ASSEMBLY
€ 0.00
56
1341044110
ref: 56
SHAFT,STARTER
€ 29.00
57
0211205088
ref: 57
SCREW
€ 2.00
58
0832121058
ref: 58
LOCK WASHER
€ 2.00
59
1327193011
ref: 59
SPRING
€ 4.50
60
1362744110
ref: 60
BRACKET,THROTTLE ADJUST
€ 12.50
61
1368144110
ref: 61
BUSHING,THROTTLE ADJUSTER
€ 13.00
62
1326747070
ref: 62
SCREW
€ 21.00
63
1368345050
ref: 63
HOSE 4.5X8X390
€ 15.50
64
1342244110
ref: 64
ARM, STARTER
€ 0.00
65
1360544080
ref: 65
SCREW
€ 4.00
66
0211206128
ref: 66
SCREW 6X12
€ 2.50
67
0832121068
ref: 67
LOCK WASHER
€ 2.50
68
1368344010
ref: 68
HOSE
€ 14.00
69
1368544110
ref: 69
NIPPLE
€ 34.50
up
all assemblies
* COLOR CHART *
* CATALOG PREFACE *
* CATALOG PREFACE *
* CONVERSION CHART *
CYLINDER HEAD COVER (MODEL T, X)
STARTER CLUTCH
CAM SHAFT - VALVE
CAM CHAIN
CARBURETOR
AIR CLEANER
MUFFLER
CLUTCH
TRANSMISSION
GEAR SHIFTING
STARTING MOTOR
CYLINDER HEAD COVER (MODEL Z)
GENERATOR
CONTACT BRAKER (MODEL T)
SIGNAL GENERATOR (MODEL X, Z)
BATTERY
SPEEDOMETER - TACHOMETER
HEADLAMP
HEADLAMP (E15, E21, E22, E25, E34, E39)
HEADLAMP (E24)
TURN SIGNAL LAMP
TURN SIGNAL LAMP (E15, E21)
CYLINDER HEAD
TURN SIGNAL LAMP (E22, E25)
TURN SIGNAL LAMP (E24)
TURN SIGNAL LAMP (E34)
TURN SIGNAL LAMP (E39)
REAR COMBINATION LAMP
REAR COMBINATION LAMP (E22, E25)
REAR COMBINATION LAMP (E24)
REAR COMBINATION LAMP (E34)
REAR COMBINATION LAMP (E39)
ELECTRICAL
CYLINDER
WIRING HARNESS
FRAME
STAND - REAR BRAKE
FOOTREST
FUEL TANK (MODEL T)
FUEL TANK (MODEL X)
FUEL TANK (MODEL X : E22, E25)
FUEL TANK (MODEL Z)
FUEL COCK
SEAT
CRANKCASE
FRAME COVER (MODEL T)
FRAME COVER (MODEL X)
FRAME COVER (MODEL X E22, E25)
FRAME COVER (MODEL Z)
FRONT FORK (MODEL T, X)
FRONT FORK (MODEL Z)
STEERING STEM (MODEL T, X)
STEERING STEM (MODEL Z)
HEADLAMP HOUSING - FRONT FENDER
FRONT WHEEL (MODEL T, X)
CRANKCASE COVER
FRONT WHEEL (MODEL Z)
HANDLEBAR
RIGHT HANDLE SWITCH (MODEL T, X)
RIGHT HANDLE SWITCH (MODEL Z)
LEFT HANDLE SWITCH (MODEL T, X)
LEFT HANDLE SWITCH (MODEL Z)
FRONT CALIPERS
MASTER CYLINDER (MODEL T, X)
MASTER CYLINDER (MODEL Z)
FRONT BRAKE HOSE
OIL FILTER - OIL PUMP
REAR SWINGING ARM
REAR FENDER
REAR WHEEL (MODEL T, X)
CRANKSHAFT
CRANKSHAFT BALANCER
up