×
Buy Suzuki GS Parts Online
home
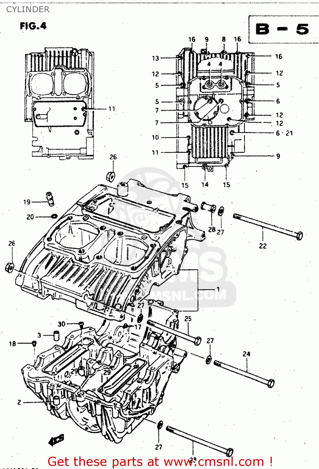
CYLINDER
GS450L 1980 (T) (E02 E21 E22 E24 E25)
Cylinder diagram GS450L 1980 (T) (E02 E21 E22 E24 E25)
CYLINDER GS450L 1980 (T) (E02 E21 E22 E24 E25)
×
prices are in EUR
ref
part #
description
quantity
1
1121044100
ref: 1
CYLINDER
€ 522.00
2
0910810028
ref: 2
STUD
€ 10.00
3
0421111189
ref: 3
PIN
€ 2.00
4-1
1124144100
ref: 4-1
GASKET,CYLINDER (MCA)
€ 12.50
4-2
1124144110
ref: 4-2
GS450LT E22
GASKET (T:1.2) (MCA)
€ 11.50
5
0928074002
ref: 5
O RING(D:2,ID:74)
€ 6.50
up
all assemblies
* COLOR CHART *
* CATALOG PREFACE *
* CATALOG PREFACE *
* CONVERSION CHART *
CYLINDER HEAD COVER (MODEL T, X)
STARTER CLUTCH
CAM SHAFT - VALVE
CAM CHAIN
CARBURETOR
AIR CLEANER
MUFFLER
CLUTCH
TRANSMISSION
GEAR SHIFTING
STARTING MOTOR
CYLINDER HEAD COVER (MODEL Z)
GENERATOR
CONTACT BRAKER (MODEL T)
SIGNAL GENERATOR (MODEL X, Z)
BATTERY
SPEEDOMETER - TACHOMETER
HEADLAMP
HEADLAMP (E15, E21, E22, E25, E34, E39)
HEADLAMP (E24)
TURN SIGNAL LAMP
TURN SIGNAL LAMP (E15, E21)
CYLINDER HEAD
TURN SIGNAL LAMP (E22, E25)
TURN SIGNAL LAMP (E24)
TURN SIGNAL LAMP (E34)
TURN SIGNAL LAMP (E39)
REAR COMBINATION LAMP
REAR COMBINATION LAMP (E22, E25)
REAR COMBINATION LAMP (E24)
REAR COMBINATION LAMP (E34)
REAR COMBINATION LAMP (E39)
ELECTRICAL
CYLINDER
WIRING HARNESS
FRAME
STAND - REAR BRAKE
FOOTREST
FUEL TANK (MODEL T)
FUEL TANK (MODEL X)
FUEL TANK (MODEL X : E22, E25)
FUEL TANK (MODEL Z)
FUEL COCK
SEAT
CRANKCASE
FRAME COVER (MODEL T)
FRAME COVER (MODEL X)
FRAME COVER (MODEL X E22, E25)
FRAME COVER (MODEL Z)
FRONT FORK (MODEL T, X)
FRONT FORK (MODEL Z)
STEERING STEM (MODEL T, X)
STEERING STEM (MODEL Z)
HEADLAMP HOUSING - FRONT FENDER
FRONT WHEEL (MODEL T, X)
CRANKCASE COVER
FRONT WHEEL (MODEL Z)
HANDLEBAR
RIGHT HANDLE SWITCH (MODEL T, X)
RIGHT HANDLE SWITCH (MODEL Z)
LEFT HANDLE SWITCH (MODEL T, X)
LEFT HANDLE SWITCH (MODEL Z)
FRONT CALIPERS
MASTER CYLINDER (MODEL T, X)
MASTER CYLINDER (MODEL Z)
FRONT BRAKE HOSE
OIL FILTER - OIL PUMP
REAR SWINGING ARM
REAR FENDER
REAR WHEEL (MODEL T, X)
CRANKSHAFT
CRANKSHAFT BALANCER
up