×
Buy Suzuki LS Parts Online
home
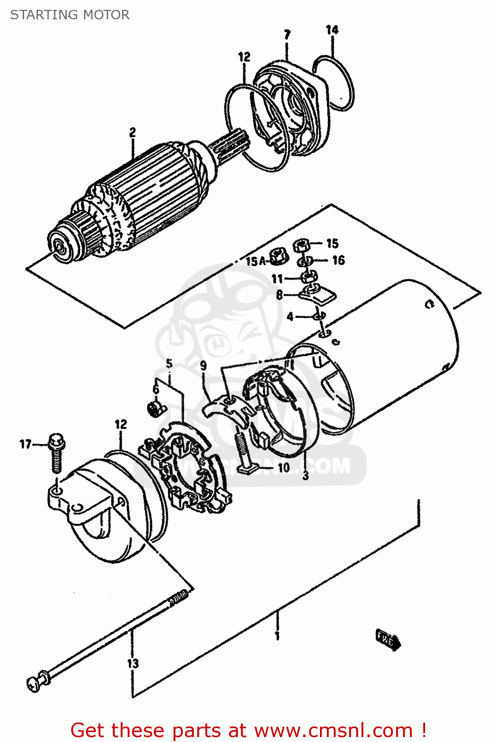
STARTING MOTOR
LS650P 1990 (L) (E24)
Starting motor diagram LS650P 1990 (L) (E24)
STARTING MOTOR LS650P 1990 (L) (E24)
×
prices are in EUR
ref
part #
description
quantity
1-1
3110024B11
ref: 1-1
MODEL G/J, 31100-24B
MOTOR ASSEMBLY,STARTING
€ 620.00
1-2
3110024B11H17
ref: 1-2
MODEL K/L/M/R
MOTOR ASSY ,STARTING
€ 620.00
2
3131024B01H17
ref: 2
ARMATURE
€ 173.00
3
3113148B00
ref: 3
TERMINAL SET,BRUSH
€ 35.00
4-1
3114338300
ref: 4-1
MODEL G
O RING
€ 4.00
4-2
3114348B00
ref: 4-2
MODEL J/K/L/M/R
GASKET (NAS)
€ 6.50
5
3113248B00
ref: 5
HOLDER SET,BRUSH(-)
€ 51.00
6
3113565010
ref: 6
SPRING
€ 3.50
7
3115024B00
ref: 7
HOUSING ASSEMBLY,STARTER
€ 107.00
8-1
3117238A10
ref: 8-1
MODEL G
BUSHING
€ 7.00
8-2
3117248B10
ref: 8-2
MODEL J/K/L/M/R
BUSHING
€ 3.00
9-1
3117238A20
ref: 9-1
MODEL G
BUSHING
€ 7.00
9-2
3117248B20
ref: 9-2
MODEL J/K/L/M/R
BUSHING
€ 8.50
10-1
3113038A00
ref: 10-1
MODEL G
TERMINAL SET,BRUSH
€ 6.00
10-2
3113048B00
ref: 10-2
MODEL J/K/L/M/R
BOLT
€ 4.50
11-1
0831022067
ref: 11-1
MODEL G
NUT 6MM
€ 2.50
11-2
3114548B00
ref: 11-2
MODEL J/K/L/M/R
NUT
€ 1.50
12
3126444110
ref: 12
O RING
€ 8.50
13
3128124B10
ref: 13
BOLT
€ 8.00
14
3115624B00
ref: 14
O-RING (D:2.0)
€ 11.00
15
0831012066
ref: 15
NUT
€ 2.50
15A
0836135066
ref: 15A
NUT
€ 2.00
16
0832121066
ref: 16
WASHER,LOCK
€ 2.50
17
0154706207
ref: 17
BOLT
€ 2.50
up
all assemblies
* COLOR CHART *
* CATALOG PREFACE *
* CONVERSION CHART *
CYLINDER HEAD
CYLINDER
CRANKCASE
CRANKCASE COVER
CRANKSHAFT
CRANK BALANCER
STARTER CLUTCH
CAM SHAFT-VALVE
CAM CHAIN
CARBURETOR
AIR CLEANER
MUFFLER
OIL PUMP
CLUTCH
TRANSMISSION (MODEL M/R E2,4,15,16,17,18,22,25,39,53)
GEAR SHIFTING (MODEL M/R E2,E15,E16,E17,E18,E22,E25,E39)
STARTING MOTOR
MAGNETO
BATTERY
ELECTRICAL
SPEEDOMETER (MODEL R)
HEADLAMP (MODEL R)
TURN SIGNAL LAMP (MODEL R)
REAR COMBINATION LAMP
WIRING HARNESS (MODEL G/J/K/L/M)
FRAME
PROP STAND-REAR BRAKE
FOOTREST
FUEL TANK (MODEL M/R)
FUEL COCK
SEAT
PILLION RIDER HANDLE
FRAME COVER (MODEL M/R)
FRONT FORK
STEERING STEM
FRONT FENDER (E1,E2,E4,E17,E18,E21,E22,E25,E34,E39,E53)
HEADLAMP HOUSING-FRONT FENDER (E15/E16/E24/E75/E77)
FRONT WHEEL
HANDLEBAR-CONTROL CABLE (LS650FG/FJ/FK)
HANDLEBAR-CONTROL CABLE (LS650PG/PJ/PK/PL,MODEL M/R)
HANDLE SWITCH (MODEL K/L/M/R)
FRONT CALIPER
FRONT BRAKE HOSE
FRONT MASTER CYLINDER (LS650FG/FJ/FK)
FRONT MASTER CYLINDER (LS650PG/PJ/PK/PL,MODEL M/R)
REAR SWINGING ARM
REAR FENDER
REAR WHEEL
OPTIONAL
up