Buy Suzuki TS Parts Online

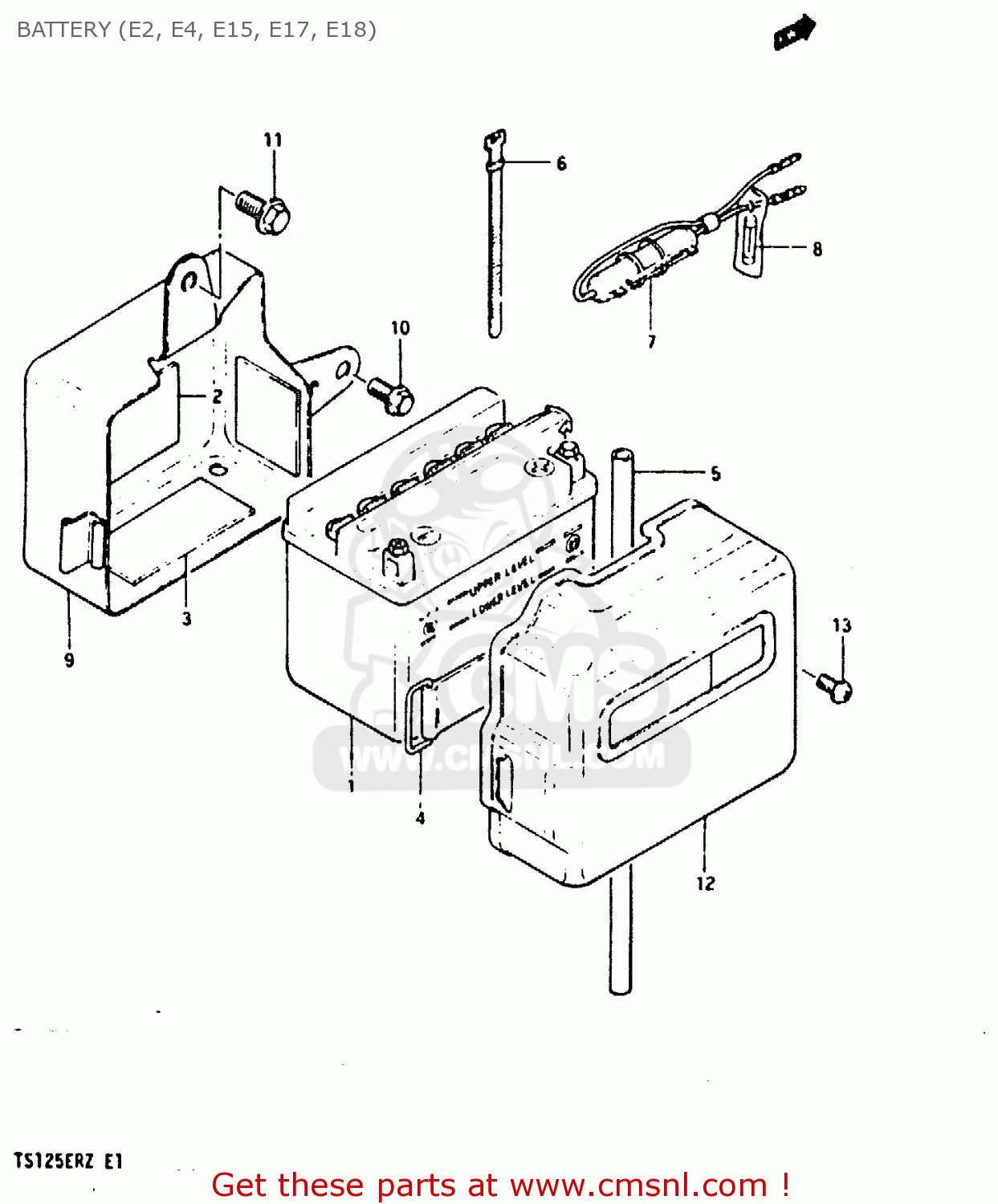
BATTERY (E2, E4, E15, E17, E18)

TS125ER 1982 (Z) (1 2 6 E08 E09 E15 E17 E18 E21 E24 E30 E31 E95)

Battery (e2, e4, e15, e17, e18) diagram TS125ER 1982 (Z) (1 2 6 E08 E09 E15 E17 E18 E21 E24 E30 E31 E95)

BATTERY (E2, E4, E15, E17, E18) TS125ER 1982 (Z) (1 2 6 E08 E09 E15 E17 E18 E21 E24 E30 E31 E95)
BATTERY (E2, E4, E15, E17, E18) TS125ER 1982 (Z) (1 2 6 E08 E09 E15 E17 E18 E21 E24 E30 E31 E95)
BATTERY (E2, E4, E15, E17, E18) TS125ER 1982 (Z) (1 2 6 E08 E09 E15 E17 E18 E21 E24 E30 E31 E95)
prices are in EUR
ref
part #
description
quantity
1
3361002500
ref: 1
BATTERY ASSY(YB4L-B,12V4.2AH)
€ 26.50

2
3365236100
ref: 2
PROTECTOR,BATTERY
3365236100
€ 2.50

3
3365249000
ref: 3
PROTECTOR(20X90)X4
3365249000
€ 2.00

4
0946200007
ref: 4
BAND
0946200007
€ 6.00

5
3368031003
ref: 5
HOSE,BATTERY EXHAUST
€ 5.00

6
0940712402
ref: 6
CLAMP(L:120)
0940712402
€ 3.50

7
3674002200
ref: 7
BOX ASSEMBLY,FUSE
€ 12.50

8
0948110001
ref: 8
FUSE(10A)
0948110001
€ 2.00

9
4154048710
ref: 9
HOLDER,BATTERY
4154048710
€ 21.00

10
0151706108
ref: 10
BOLT
0151706108
€ 2.50

11
0151708168
ref: 11
BOLT
€ 3.00

12
4156648710
ref: 12
COVER,BATTERY
4156648710
€ 7.00

13
0214205128
ref: 13
SCREW
0214205128
€ 1.50