×
Buy Suzuki GS Parts Online
home
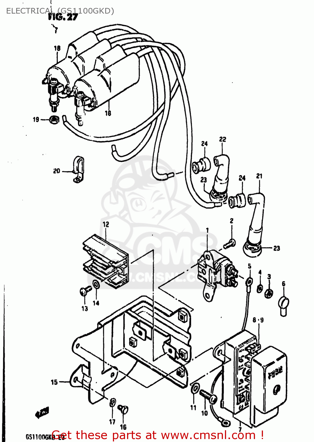
ELECTRICAL (GS1100GKD)
GS1100GK 1982 (Z) USA (E03)
Electrical (gs1100gkd) diagram GS1100GK 1982 (Z) USA (E03)
ELECTRICAL (GS1100GKD) GS1100GK 1982 (Z) USA (E03)
×
prices are in EUR
ref
part #
description
quantity
1
3180033400
ref: 1
31800-49100
RELAY ASSEMBLY,STARTING MOTOR
€ 89.00
2
0211206108
ref: 2
02112-06107
SCREW
€ 1.50
3
0831022068
ref: 3
08310-00067
NUT 6MM
€ 2.50
4
0832121068
ref: 4
08321-01067
LOCK WASHER
€ 2.50
5
3385049410
ref: 5
33850-00A01
CABLE,STARTING MOTOR
€ 24.00
6-1
3186135100
ref: 6-1
31861-48B10
CAP,STARTER RELAY
€ 4.50
6-2
3186149400
ref: 6-2
CAP,STARTER RELAY
€ 0.00
7
3674049411
ref: 7
BOX ASSEMBLY,FUSE
€ 0.00
8
0948110101
ref: 8
FUSE(10A)
€ 2.50
9
0948115101
ref: 9
FUSE(15A)
€ 1.50
10
0211206128
ref: 10
02112-06127
SCREW 6X12
€ 2.00
11
0832221068
ref: 11
08322-01067
WASHER
€ 2.00
12
3280009300
ref: 12
32800-09301
RECTIFIER ASSEMBLY
€ 306.50
13
0211206208
ref: 13
02112-06207
SCREW
€ 2.00
14
0832221068
ref: 14
08322-01067
WASHER
€ 2.00
15
4741045120
ref: 15
HOLDER COMP,ELECTRONIC PARTS
€ 0.00
16
0110706128
ref: 16
01500-06127
BOLT
€ 2.00
17
0832121068
ref: 17
08321-01067
LOCK WASHER
€ 2.50
18
3341034210
ref: 18
33410-31311
COIL ASSEMBLY,IGNITION
€ 182.00
19
0831011068
ref: 19
08310-00067
NUT
€ 2.50
20
0940306307
ref: 20
CLAMP
€ 4.50
21
3351045010
ref: 21
CAP ASSY,SPARK PLUG
€ 23.00
22
3351043010
ref: 22
CAP,SPARK PLUG
€ 11.50
23
3354169010
ref: 23
SEAL,SPARK PLUG
€ 5.00
24
3354298000
ref: 24
33542-38B00
SEAL,SPARK PLU
€ 4.50
up
all assemblies
AIR CLEANER
BATTERY
BUMPER
CAM CHAIN (GS1100GKD)
CAM CHAIN (GS1100GKZ/GK2)
CAM SHAFT-VALVE
CARBURETOR
CLUTCH
COWLING (NO.1) (GS1100GK2/GKD)
COWLING (NO.1) (GS1100GKZ)
COWLING (NO.2)
CRANKCASE (GS1100GKD)
CRANKCASE (GS1100GKZ/GK2)
CRANKCASE COVER
CRANKSHAFT
CYLINDER
CYLINDER HEAD
CYLINDER HEAD COVER (GS1100GKJ)
CYLINDER HEAD COVER (GS1100GKZ/GK2)
ELECTRICAL (GS1100GKD)
ELECTRICAL (GS1100GKZ/GK2)
FOOTREST (GS1100GK2/GKD)
FOOTREST (GS1100GKZ)
FRAME
FRAME COVER (GS1100GK2/GKD)
FRAME COVER (GS1100GKZ)
FRONT BRAKE HOSE
FRONT CARIPERS
FRONT FORK (GS1100GK2/GKD)
FRONT FORK (GS1100GKZ)
FRONT MASTER CYLINDER
FRONT WHEEL
FUEL COCK
FUEL TANK (GS1100GK2/GKD)
FUEL TANK (GS1100GKZ)
GEAR SHIFTING
GENERATOR
HANDLEBAR
HEADLAMP
HEADLAMP HOUSING-FRONT FENDER
LEFT HANDLE SWITCH
LUGGAGE BAG (OPTIONAL)
MUFFLER
OIL PUMP-OIL FILTER
PROPELLER SHAFT-FINAL DRIVE GEAR
REAR BRAKE
REAR CARIPERS
REAR COMBINATION LAMP
REAR FENDER
REAR FENDER EXTENSION (OPTIONAL)
REAR MASTER CYLINDER
REAR SWINGING ARM
REAR WHEEL
RIGHT HANDLE SWITCH
SEAT
SEAT TAIL COVER
SECONDARY DRIVE GEAR
SIDE BAG (GS1100GK2/GKD)
SIDE BAG (GS1100GKZ)
SIGNAL GENERATOR
SPEEDOMETER-TACHOMETER
STAND
STARTER CLUTCH
STARTING MOTOR
STEERING STEM (GS1100GK2/GKD)
STEERING STEM (GS1100GKZ)
TRANSMISSION
TRAVEL TRUNK (GS1100GK2/GKD)
TRAVEL TRUNK (GS1100GKZ)
TURN SIGNAL LAMP
WIRING HARNESS
up