×
Buy Suzuki GSX Parts Online
home
GSX400F 1983 (D) (E01 E02 E04 E06 E16 E17 E21 E24 E25 E26 34 48)
* COLOR CHART *
0 products
* CATALOG PREFACE *
0 products
* CONVERSION CHART *
0 products
CYLINDER HEAD COVER
15 products
CAM CHAIN
18 products
CARBURETOR
55 products
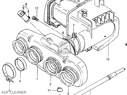
AIR CLEANER
18 products
MUFFLER
26 products
CLUTCH
29 products
TRANSMISSION
41 products
GEAR SHIFTING
45 products
STARTING MOTOR
17 products
GENERATOR
10 products
SIGNAL GENERATOR
11 products
CYLINDER HEAD
22 products
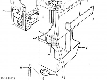
BATTERY
15 products
ELECTRICAL
26 products
SPEEDOMETER - TACHOMETER
48 products
HEADLAMP
14 products
HEADLAMP (E2)
12 products
HEADLAMP (E4)
17 products
HEADLAMP (E16,E17,E21,E25,E26,E34)
17 products
TURN SIGNAL LAMP
25 products
TURN SIGNAL LAMP (E2, E4, E17, E34)
25 products
TURN SIGNAL LAMP (E16, E26)
25 products
CYLINDER
5 products
TURN SIGNAL LAMP (E21)
25 products
TURN SIGNAL LAMP (E25)
25 products
REAR COMBINATION LAMP
24 products
REAR COMBINATION LAMP (E2, E4, E21)
24 products
REAR COMBINATION LAMP (E16, E26)
26 products
REAR COMBINATION LAMP (E17)
27 products
REAR COMBINATION LAMP (E25)
27 products
REAR COMBINATION LAMP (E34)
24 products
WIRING HARNESS
26 products
FRAME
22 products
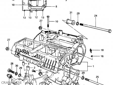
CRANKCASE
32 products
STAND
20 products
REAR BRAKE
22 products
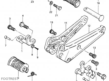
FOOTREST
23 products
FUEL TANK
14 products
FUEL COCK
17 products
SEAT
11 products
SEAT TAIL COVER
20 products
FRAME COVER
10 products
FRONT RIGHT FORK
24 products
FRONT LEFT FORK
39 products
CRANKCASE COVER
26 products
STEERING STEM
31 products
HEADLAMP HOUSING - FRONT FENDER
14 products
FRONT WHEEL
21 products
HANDLEBAR
19 products
RIGHT HANDLE SWITCH
16 products
LEFT HANDLE SWITCH
13 products
FRONT CALIPERS
18 products
MASTER CYLINDER
12 products
FRONT BRAKE HOSE
21 products
REAR SWINGING ARM
16 products
OIL PUMP - OIL FILTER
25 products
REAR SWINGING ARM (E2)
15 products
CHAIN CASE - SHOCK ABSORBER
11 products
REAR FENDER
23 products
REAR WHEEL
41 products
REAR WHEEL (E2)
35 products
REAR CARIPERS (E2)
15 products
REAR MASTER CYLINDER (E2)
25 products
OPTIONAL
22 products
CRANKSHAFT
30 products
STARTER CLUTCH
8 products
CAM SHAFT - VALVE
19 products
up
popular products
0944317006
SPRING
Suzuki
1148933203
GASKET,OIL PAN (MCA)
Suzuki
3418933220
CUSHION,SPEEDOMETER
Suzuki
1222911410020
METAL CRANKSHAFT (BROWN)
Suzuki