Buy Suzuki GSX Parts Online

ELECTRICAL

GSX400F 1983 (D) (E01 E02 E04 E06 E16 E17 E21 E24 E25 E26 34 48)

Electrical diagram GSX400F 1983 (D) (E01 E02 E04 E06 E16 E17 E21 E24 E25 E26 34 48)

ELECTRICAL GSX400F 1983 (D) (E01 E02 E04 E06 E16 E17 E21 E24 E25 E26 34 48)
ELECTRICAL GSX400F 1983 (D) (E01 E02 E04 E06 E16 E17 E21 E24 E25 E26 34 48)
ELECTRICAL GSX400F 1983 (D) (E01 E02 E04 E06 E16 E17 E21 E24 E25 E26 34 48)
prices are in EUR
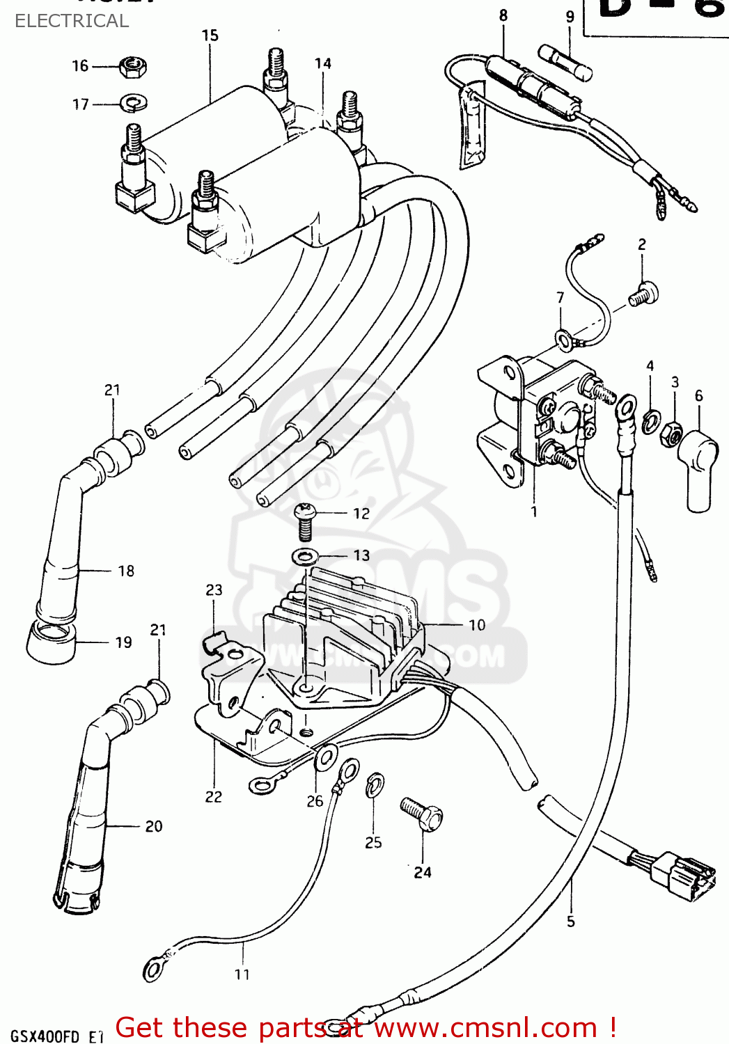
ref
part #
description
quantity
1
3180037020
ref: 1
RELAY ASSY,STARTING MOTOR
3180037020
€ 114.00

2
0211206088
ref: 2
SCREW
€ 2.00

3
0831022068
ref: 3
NUT 6MM
€ 2.50

4
0832121068
ref: 4
LOCK WASHER
0832121068
€ 2.50

5
3385033210
ref: 5
WIRE,STARTER MOTOR LEAD
3385033210
€ 50.00

6
3186135100
ref: 6
CAP,STARTER RELAY
3186135100
€ 5.00

7
3686227690
ref: 7
LEAD WIRE
3686227690
€ 9.00

8
3674015010
ref: 8
BOX ASSEMBLY,FUSE
3674015010
€ 12.00

9
0948115001
ref: 9
FUSE(15A)
0948115001
€ 3.00

10
3280045220
ref: 10
RECTIFIER ASSEMBLY
3280045220
€ 306.50

11
3685102331
ref: 11
LEAD WIRE,EARTH
3685102331
€ 6.00

12
0211206208
ref: 12
SCREW
€ 2.00

13
0832221068
ref: 13
WASHER
0832221068
€ 2.50

14
3341033220
ref: 14
COIL, IGNITION NO. 1
€ 348.00

15
3342033220
ref: 15
COIL, IGNITION NO. 2
€ 348.00

16
0831011068
ref: 16
NUT
0831011068
€ 2.50

17
0832121068
ref: 17
LOCK WASHER
0832121068
€ 2.50

18
3351045010
ref: 18
CAP ASSY,SPARK PLUG
3351045010
€ 25.00

19
3354132410
ref: 19
SEAL,SPARK PLUG
€ 8.00

20
3351045410
ref: 20

E16
CAP, SPARK PLUG
€ 29.50

21
3354298000
ref: 21
SEAL,SPARK PLU
3354298000
€ 5.00

22
4741033200
ref: 22
PLATE, PARTS HOLDER
€ 0.00

23
4742033200
ref: 23
BRACKET
4742033200
€ 31.00

24
0110706168
ref: 24
BOLT, UPPER
€ 3.00

25
0832121068
ref: 25
LOCK WASHER
0832121068
€ 2.50

26
0832221068
ref: 26
WASHER
0832221068
€ 2.50