×
Buy Suzuki GSXR Parts Online
home
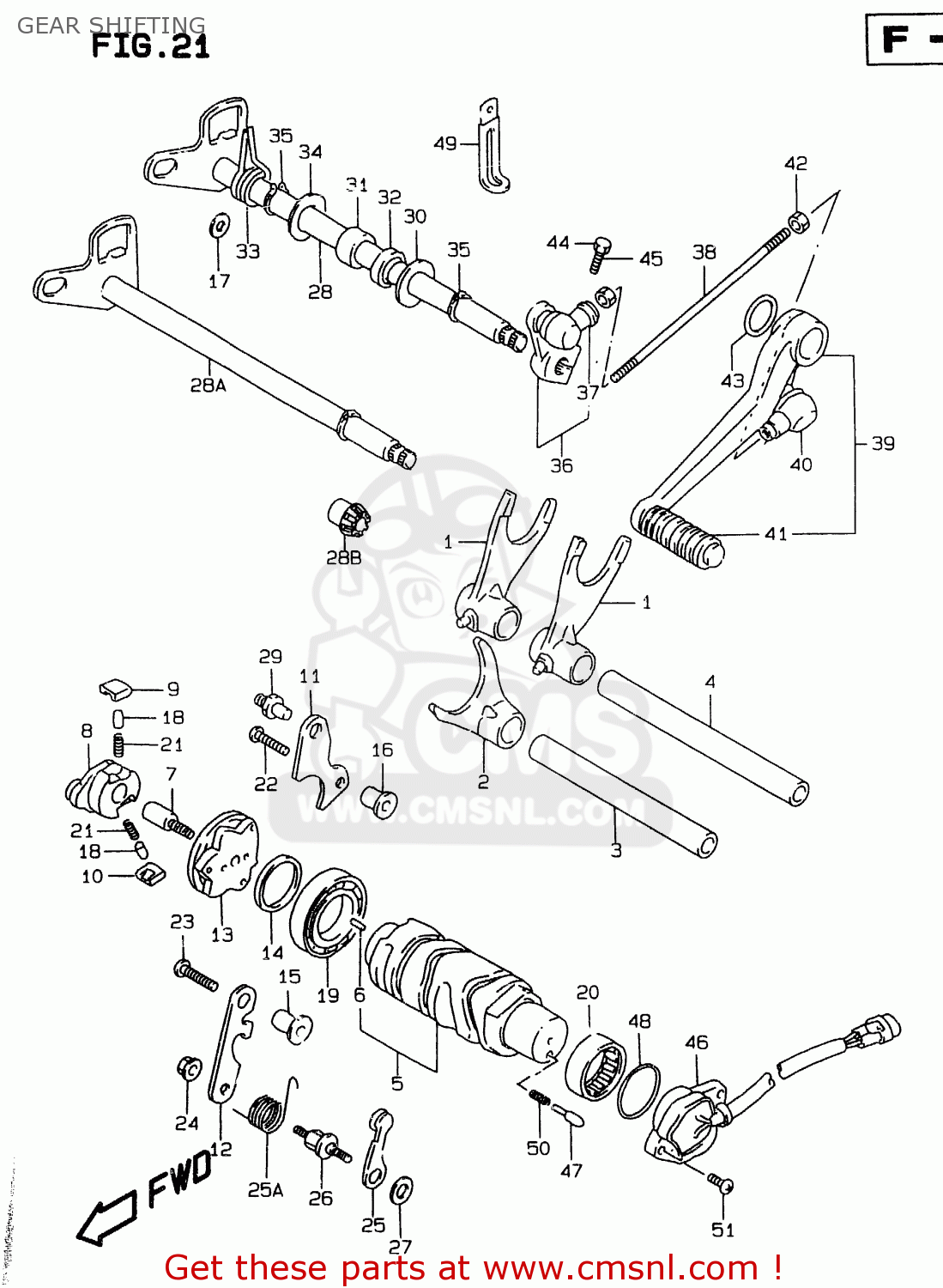
GEAR SHIFTING
GSXR750 1999 (X)
Gear shifting diagram GSXR750 1999 (X)
GEAR SHIFTING GSXR750 1999 (X)
×
prices are in EUR
ref
part #
description
quantity
1
2521117E00
ref: 1
FORK,GEAR SHIFT NO.1
€ 70.00
2
2523117E00
ref: 2
FORK,GEAR SHIFT NO.3
€ 108.50
3
2541126D01
ref: 3
SHAFT,GEAR SHIFT FORK
€ 17.50
4
2541127A00
ref: 4
SHAFT,GEAR SHIFT FORK(L:128)
€ 26.00
5-1
2531017E01
ref: 5-1
MODEL T/V
CAM,GEAR SHIFT
€ 147.00
5-2
2531017E02
ref: 5-2
MODEL W
CAM,GEAR SHIFT
€ 147.00
6
0422104089
ref: 6
PIN
€ 1.50
7
2531212C00
ref: 7
PIN,SHIFT CAM DRIVEN GEAR
€ 6.50
8
2532233C01
ref: 8
<-25322-33C00
SHIFTER,GEAR SHIFT CAM
€ 49.50
9
2532334201
ref: 9
PAWL,GEAR SHIFT NO.1
€ 7.00
10
2532434201
ref: 10
PAWL,GEAR SHIFT NO.2
€ 7.00
11-1
2533126D00
ref: 11-1
MODEL T/V
LIFTER,GEAR SHIFT PAWL
€ 6.00
11-2
2533126D10
ref: 11-2
MODEL W
LIFTER,GEAR SHIFT PAWL
€ 6.00
12
2534133E00
ref: 12
GUIDE,GEAR SHIFT CAM
€ 6.00
13
2538033E00
ref: 13
PLATE,GEAR SHIFT CAM
€ 13.00
14
0916025059
ref: 14
25X32X3
WASHER(25X32X3)
€ 5.50
15
0918006202
ref: 15
6.1X10X16
SPACER(6.1X10X16)
€ 4.00
16
0918006202
ref: 16
6.1X10X16
SPACER(6.1X10X16)
€ 4.00
17
0918007014
ref: 17
7X10X5
SPACER(7X10X5)
€ 4.50
18
0920105003
ref: 18
PIN, SHIFT PAWL CLICK
€ 2.50
19
0926225006
ref: 19
25X47X8
BEARING(25X47X8)
€ 27.50
20
0926325018
ref: 20
25X32X12
BEARING(25X32X12)
€ 19.00
21
0944004003
ref: 21
SPRING
€ 2.00
22
0211206303
ref: 22
SCREW 6X30
€ 2.50
23
0212206303
ref: 23
SCREW
€ 2.00
24
0831610063
ref: 24
NUT
€ 2.50
25
2535026D01
ref: 25
STOPPER,GEAR SHIFT CAM
€ 9.50
25A
2535533E00
ref: 25A
SPRING,SHIFT CAM STOPPER
€ 4.50
26
2535612C00
ref: 26
SUPPORT,CAM STOPPER ARM
€ 10.50
27
0821106141
ref: 27
WASHER
€ 2.50
28
2551017E20
ref: 28
MODEL T/V
SHAFT COMP,GEAR SHIFTING
€ 62.50
28A
2551033E10
ref: 28A
MODEL W
SHAFT,GEAR SHIFT
€ 62.50
28B
2551633E00
ref: 28B
MODEL W
BUSH,GEAR SHIFT SHAFT
€ 6.50
29
2567101000
ref: 29
STOPPER,GEAR SHIFT CAM
€ 3.50
30
0916014016
ref: 30
14X29X0.8
WASHER(14X29X0.8)
€ 2.00
31
0926314027
ref: 31
14X20X12
BEARING(14X20X12)
€ 12.00
32
0928314006
ref: 32
14X22X6
SEAL,OIL(14X22X6)
€ 6.50
33
0944420003
ref: 33
SPRING
€ 6.50
34
0821114261
ref: 34
WASHER
€ 2.50
35
0833131146
ref: 35
CIRCLIP
€ 2.00
36
2552029B00
ref: 36
ARM,GEAR SHIFT LINK
€ 63.00
37
2552647000
ref: 37
COVER,DUST
€ 4.00
38
2552507A10
ref: 38
ROD,GEAR SHIFT LINK(L:165)
€ 13.00
39
2560033E00
ref: 39
LEVER ASSY,GEAR SHIFT
€ 106.00
40
2552647000
ref: 40
COVER,DUST
€ 4.00
41
2565220C00
ref: 41
RUBBER,GEAR SHIFT PEDAL
€ 8.50
42
0914006011
ref: 42
NUT
€ 2.00
43
0916018022
ref: 43
MODEL T
WASHER(18X24X1)
€ 3.00
44
0150006203
ref: 44
BOLT
€ 2.50
45
0831000067
ref: 45
NUT
€ 2.50
46-1
3773033E00
ref: 46-1
MODEL T/V
BASE ASSEMBLY,GEAR SHIFT TERMINAL
€ 100.50
46-2
3773033E10
ref: 46-2
MODEL W
BASE ASSEMBLY,GEAR SHIFT TERMINAL
€ 106.50
47
0920905011
ref: 47
PIN(5X15.5)
€ 2.00
48
0928026007
ref: 48
ID:25.7, OD:2.4
O RING(D:2.4,ID:25.7)
€ 7.00
49
0940406429
ref: 49
CLAMP(L:45)
€ 3.00
50
0944004010
ref: 50
SPRING
€ 2.00
51
0211205163
ref: 51
SCREW
€ 2.50
up
all assemblies
* COLOR CHART *
* CATALOG PREFACE *
* CONVERSION CHART *
CYLINDER HEAD COVER
CAM CHAIN
CARBURETOR (MODEL T/V)
CARBURETOR FITTINGS (MODEL T/V)
THROTTLE BODY (MODEL W)
THROTTLE BODY FITTING (MODEL W)
AIR CLEANER (MODEL T/V)
AIR CLEANER (MODEL W)
MUFFLER
OIL COOLER
WATER PUMP
RADIATOR (MODEL T/V)
RADIATOR (MODEL W)
RADIATOR HOSE (MODEL T/V)
RADIATOR HOSE (MODEL W)
2ND AIR (MODEL V E18, E39)
2ND AIR (MODEL W E18, E39)
CLUTCH
CYLINDER HEAD (MODEL T/V)
TRANSMISSION
GEAR SHIFTING
STARTING MOTOR
GENERATOR
SIGNAL GENERATOR (MODEL T/V)
SIGNAL GENERATOR (MODEL W)
BATTERY
ELECTRICAL (MODEL T/V)
ELECTRICAL (MODEL W)
SPEEDOMETER (MODEL T/V)
SPEEDOMETER (MODEL W)
HEADLAMP (MODEL T/V E2, E24)
HEADLAMP (MODEL W E2, E24)
HEADLAMP (MODEL T/V E4, E18, E22, E25, E34, E39, P37)
HEADLAMP (MODEL W E4, E18, E22, E25, E34, E39)
TURNSIGNAL LAMP
CYLINDER HEAD (MODEL W)
CYLINDER
TAIL LAMP
WIRING HARNESS (MODEL T/V)
WIRING HARNESS (MODEL W)
HANDLE SWITCH
FRAME
STAND
FOOTREST
FUEL TANK (MODEL T)
FUEL TANK (MODEL V)
FUEL TANK (MODEL W)
FUEL COCK (MODEL T/V)
FRAME COVER (MODEL T)
FRAME COVER (MODEL V)
FRAME COVER (MODEL W)
FRONT FENDER (MODEL T/V)
FRONT FENDER (MODEL W)
CRANKCASE (MODEL T/V)
HANDLEBAR
HANDLE LEVER (MODEL T/V)
HANDLE LEVER (MODEL W)
REAR FENDER
COWLING BODY (MODEL T)
COWLING BODY (MODEL V)
COWLING BODY (MODEL W)
INSTALLATION PARTS
UNDER COWLING BODY (MODEL T)
UNDER COWLING BODY (MODEL V)
UNDER COWLING BODY (MODEL W)
INSTALLATION PARTS
LABEL
SEAT
SEAT TAIL BOX (MODEL T)
SEAT TAIL BOX (MODEL V)
SEAT TAIL BOX (MODEL W)
CRANKCASE (MODEL W)
CRANKCASE COVER (MODEL T/V)
FRONT DAMPER (MODEL T/V)
FRONT DAMPER (MODEL W)
STEERING STEM
FRONT WHEEL (MODEL T/V)
FRONT WHEEL (MODEL W)
FRONT CALIPERS
FRONT BRAKE HOSE
FRONT MASTER CYLINDER
REAR SWINGING ARM
REAR CUSHION LEVER (MODEL T)
REAR CUSHION LEVER (MODEL V)
REAR CUSHION LEVER (MODEL W)
REAR WHEEL (MODEL T/V)
REAR WHEEL (MODEL W)
REAR CALIPER
CRANKCASE COVER (MODEL W)
OIL PAN - OIL PUMP - FUEL PUMP (MODEL T/V)
REAR MASTER CYLINDER
OPTIONAL
OIL PAN - OIL PUMP - FUEL PUMP (MODEL W)
CRANKSHAFT
STARTER CLUTCH
CAM SHAFT - VALVE
up