×
Buy Suzuki GT Parts Online
home
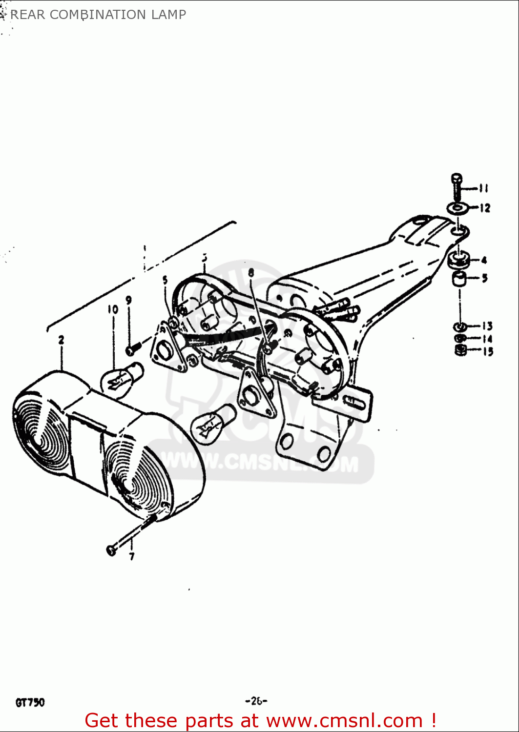
REAR COMBINATION LAMP
GT750 1972 (J) USA (E03)
Rear combination lamp diagram GT750 1972 (J) USA (E03)
REAR COMBINATION LAMP GT750 1972 (J) USA (E03)
×
prices are in EUR
ref
part #
description
quantity
2
3571231610
ref: 2
LENS,REAR COMBINATION LAMP
€ 82.50
4
3576515010
ref: 4
CUSHION
€ 9.00
5
3576637110
ref: 5
SPACER
€ 12.50
7
0211204508
ref: 7
SCREW
€ 1.50
8
0211205087
ref: 8
SCREW
€ 2.00
9
0211204107
ref: 9
SCREW
€ 3.00
10
0947112035
ref: 10
BULB(12V23W)
€ 5.50
11
0910006153
ref: 11
BOLT 6X23
€ 3.00
12
0916006066
ref: 12
WASHER(6.5X20X1.6)
€ 2.00
13
0832201067
ref: 13
WASHER
€ 2.50
14
0832101067
ref: 14
WASHER,LOCK
€ 2.50
15
0831000067
ref: 15
NUT
€ 2.50
up
all assemblies
CYLINDER
.CRANKCASE
COVER
SRIS HOSE
PISTON - CRANKSHAFT
STARTER CLUTCH
CARBURETOR (MARKED : 31013)
CARBURETOR (MARKED : 31014)
CARBURETOR (MARKED : 31015)
AIR CLEANER
MUFFLER
OIL PUMP
WATER PUMP
WATER PUMP - DRIVESHAFT
COOLING FAN
RADIATOR SUB TANK
RADIATOR
CLUTCH
TRANSMISSION
GEAR SHIFTING
KICK STARTER
STARTING MOTOR
A.C.GENERATOR
CONTACT BREAKER
COMBINATION METER
HEADLAMP
TURN SIGNAL LAMP
REAR COMBINATION LAMP
BATTERY
WIRING HARNESS
ELECTRICAL
FRAME
CENTER STAND
REAR BRAKE
FOOTREST
FUEL TANK
FUEL COCK
OIL TANK - FRAME COVER
SEAT
FRONT FORK
FRONT FENDER
FRONT WHEEL
HANDLEBAR - CONTROL CABLE
HANDLE SWITCH
REAR SWINGING ARM
CHAIN CASE
REAR FENDER
REAR WHEEL
OPTIONAL
OPTIONAL
up