Buy Suzuki VZR Parts Online

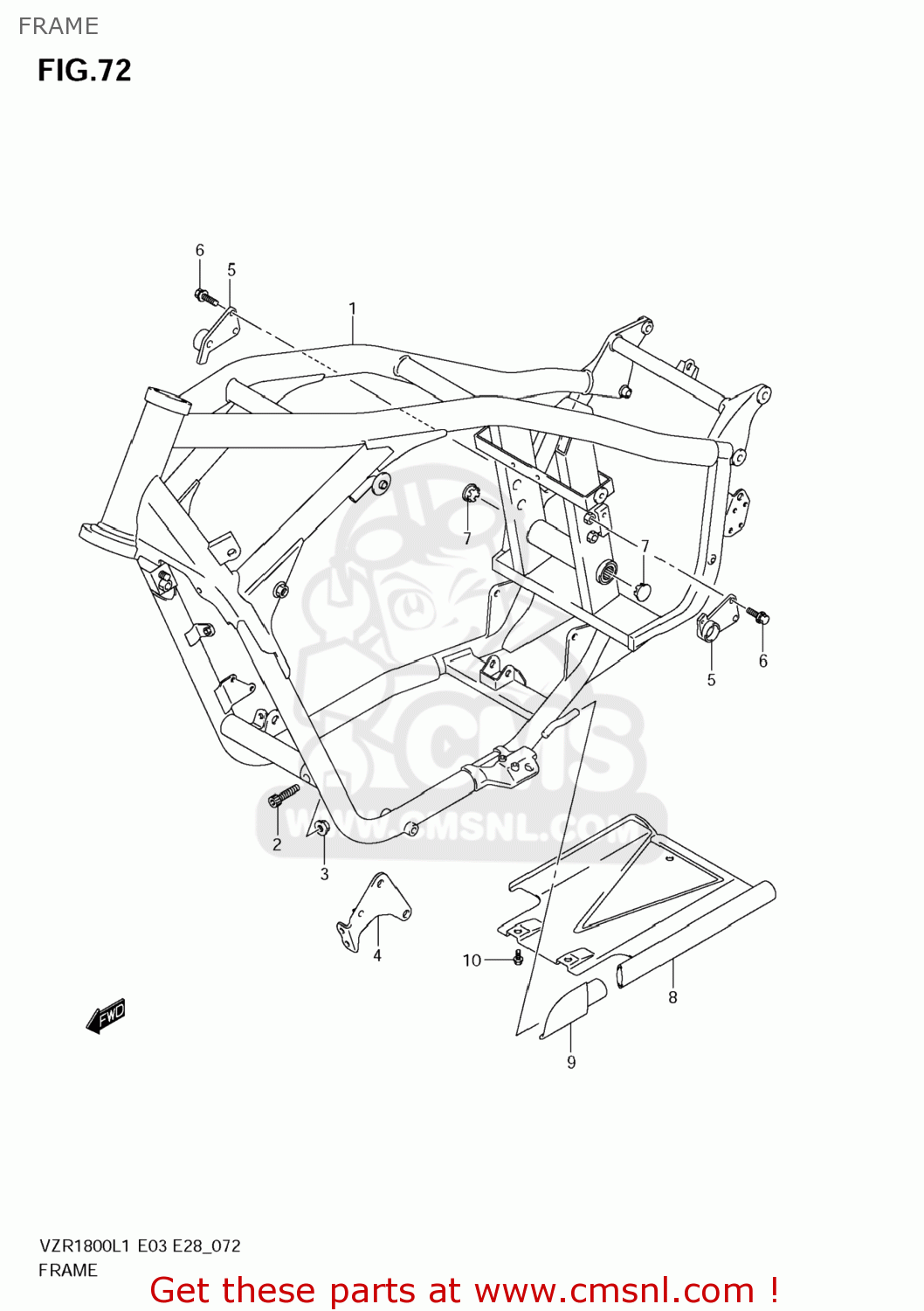
FRAME

VZR1800 BOULEVARD M109R 2011 (L1) USA CALIFO CANAD (E03 E33 E28)

Frame diagram VZR1800 BOULEVARD M109R 2011 (L1) USA CALIFO CANAD (E03 E33 E28)

FRAME VZR1800 BOULEVARD M109R 2011 (L1) USA CALIFO CANAD (E03 E33 E28)
FRAME VZR1800 BOULEVARD M109R 2011 (L1) USA CALIFO CANAD (E03 E33 E28)
FRAME VZR1800 BOULEVARD M109R 2011 (L1) USA CALIFO CANAD (E03 E33 E28)
prices are in EUR
ref
part #
description
quantity
1
4110048G21019
ref: 1
FRAME(BLACK)
€ 3,598.00

2
071301035B
ref: 2
BOLT
071301035B
€ 3.50

3
083193110A
ref: 3
NUT
083193110A
€ 3.00

4
4192048G10
ref: 4
PLATE,ENG MTG FR,L
€ 24.00

5
4193148G10
ref: 5
BRACKET,ENGINE MOUNTING RR
€ 75.00

6
015800830A
ref: 6
BOLT
€ 2.50

7
4358548G10
ref: 7
CAP,ENG MTG BOLT
4358548G10
€ 7.00

8
4256048G00
ref: 8
COVER,UNDER
€ 108.00

9
4256748G00
ref: 9
RUBBER,UNDER COVER
€ 16.00

10
015500612A
ref: 10
BOLT
015500612A
€ 2.50

all assemblies