×
Buy Suzuki GW Parts Online
home
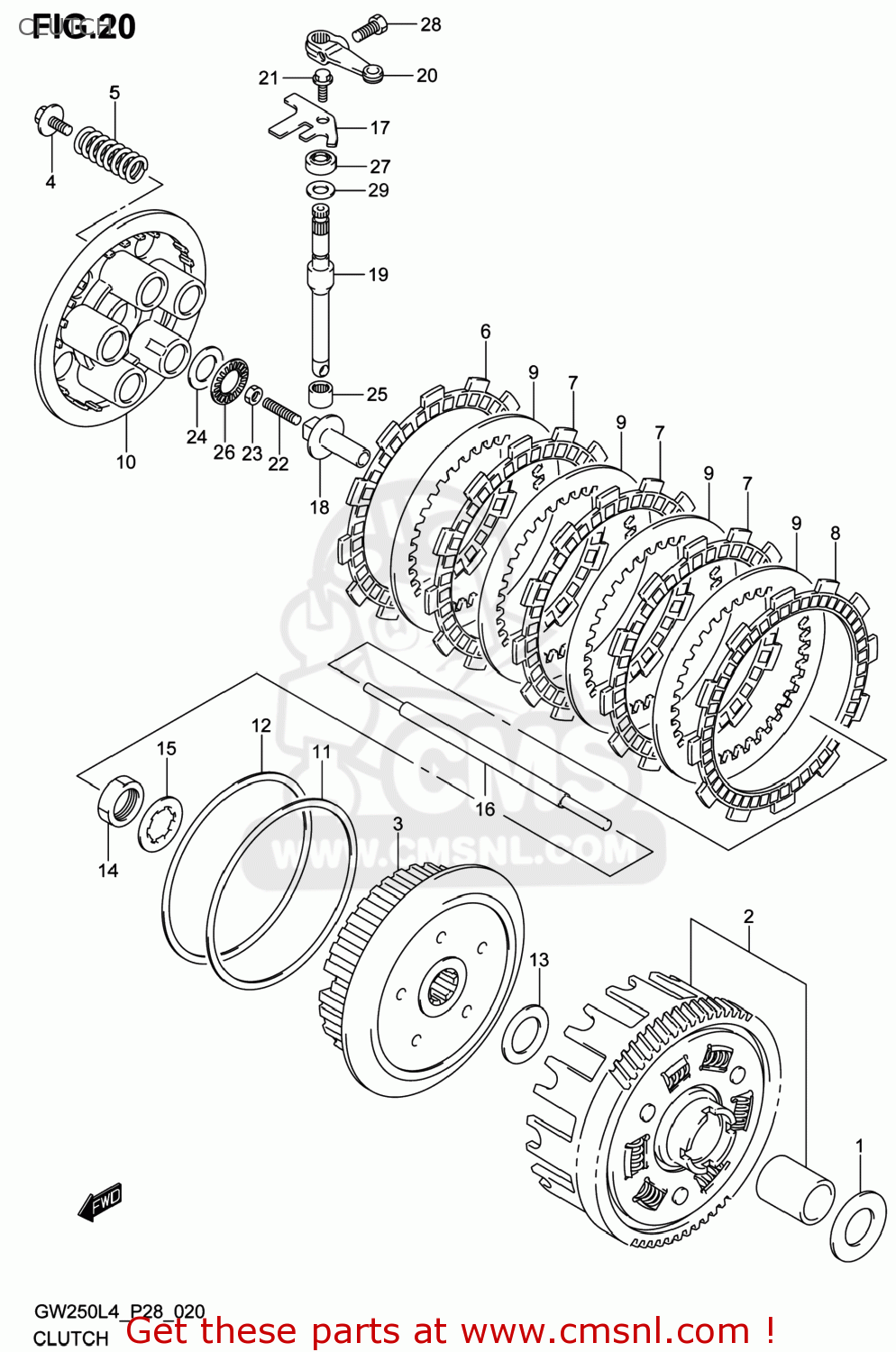
CLUTCH
GW250 INAZUMA 2014 (L4) USA (E03)
Clutch diagram GW250 INAZUMA 2014 (L4) USA (E03)
CLUTCH GW250 INAZUMA 2014 (L4) USA (E03)
×
prices are in EUR
ref
part #
description
quantity
1
0821122363
ref: 1
WASHER
€ 2.50
2
2120048880
ref: 2
GEAR ASSY,PRI DRIVEN
€ 154.00
2
2120048880
ref: 2
GEAR ASSY,PRI DRIVEN
€ 154.00
3
2141148H00
ref: 3
HUB,CLUTCH SLEEVE
€ 36.50
4
2141248H00
ref: 4
BOLT,CLUTCH SPRING
€ 2.00
5
2141348H00
ref: 5
SPRING,CLUTCH
€ 4.00
6
2144148H00
ref: 6
PLATE,CLUTCH DRIVE NO.1 (NAS)
€ 20.50
6
2144148H00
ref: 6
PLATE,CLUTCH DRIVE NO.1 (NAS)
€ 20.50
7
2144148H10
ref: 7
PLATE,CLUTCH DRIVE NO.2 (NAS)
€ 20.50
7
2144148H10
ref: 7
PLATE,CLUTCH DRIVE NO.2 (NAS)
€ 20.50
8
2144248H00
ref: 8
PLATE,CLUTCH DRIVE NO.3 (NAS)
€ 20.50
8
2144248H00
ref: 8
PLATE,CLUTCH DRIVE NO.3 (NAS)
€ 20.50
9
2145148H00
ref: 9
PLATE,CLUTCH DRIVEN (NAS)
€ 3.50
10
2146248H00
ref: 10
DISC,CLUTCH PRESSURE
€ 17.50
11
2147148H00
ref: 11
SEAT,WAVE WASHER
€ 5.50
12
2147248H00
ref: 12
WASHER,CLUTCH SLEEVE HUB WAVE
€ 9.00
13
2125248H00
ref: 13
WASHER,THRUST
€ 3.00
14
0914022005
ref: 14
NUT
€ 4.00
15
0916722029
ref: 15
WASHER,LOCK
€ 1.50
16
2311048H00
ref: 16
ROD,CLUTCH PUSH
€ 7.00
17
2311748H00
ref: 17
RETAINER,CL RLSE OIL SEAL
€ 2.50
18
2312148H00
ref: 18
PIECE,CLUTCH PUSH
€ 9.00
19
2312248H02
ref: 19
CAMSHAFT,CLUTCH RELEASE
€ 14.50
20
2327148H00
ref: 20
ARM,CLUTCH RELEASE
€ 6.00
21
0910306233
ref: 21
BOLT(6X12)
€ 2.00
22
0913406018
ref: 22
SCREW(6X25)
€ 3.00
23
0914006023
ref: 23
NUT
€ 2.00
24
0916015045
ref: 24
WASHER(15.5X28X1)
€ 4.00
25
0926310L01
ref: 25
BEARING,10X14X10
€ 4.50
26
0926315L01
ref: 26
BEARING(15X28X2)
€ 4.00
27
0928510L01
ref: 27
SEAL,OIL(10X17X5)
€ 3.00
28
015000616A
ref: 28
BOLT
€ 2.00
29
0916012119
ref: 29
WASHER(12.5X17X1)
€ 2.00
up
all assemblies
2ND AIR
AIR CLEANER
BATTERY
CAM CHAIN
CAMSHAFT/VALVE
CENTER STAND SET (OPTIONAL)
CLUTCH
CRANK BALANCER
CRANKCASE
CRANKCASE COVER
CRANKSHAFT
CYLINDER
CYLINDER HEAD
ELECTRICAL
EVAP SYSTEM
FOOTREST
FRAME
FRAME COVER
FRONT BRAKE HOSE
FRONT CALIPER
FRONT FENDER
FRONT FORK DAMPER
FRONT MASTER CYLINDER
FRONT WHEEL
FUEL PUMP
FUEL TANK
FUEL TANK COVER
GASKET SET
GEAR SHIFTING
HANDLE LEVER
HANDLE SWITCH
HANDLEBAR
HEADLAMP
HEADLAMP HOUSING
LABEL
LOCK SET
MAGNETO
MUFFLER
OIL PAN/OIL PUMP
RADIATOR
RADIATOR HOSE
REAR CALIPER
REAR CARRIER (OPTIONAL)
REAR COMBINATION LAMP
REAR FENDER
REAR MASTER CYLINDER
REAR SHOCK ABSORBER
REAR SWINGINGARM
REAR WHEEL
SEAT
SPEEDOMETER
STAND
STARTER CLUTCH
STARTING MOTOR
STEERING STEM
THROTTLE BODY
TRANSMISSION
TURNSIGNAL LAMP
WATER PUMP
WIRING HARNESS
up