Buy Suzuki GSXR Parts Online

ELECTRICAL

GSXR750SP 1994 (R) FRANCE GERMANY (E04 E22)

Electrical diagram GSXR750SP 1994 (R) FRANCE GERMANY (E04 E22)

ELECTRICAL GSXR750SP 1994 (R) FRANCE GERMANY (E04 E22)
ELECTRICAL GSXR750SP 1994 (R) FRANCE GERMANY (E04 E22)
ELECTRICAL GSXR750SP 1994 (R) FRANCE GERMANY (E04 E22)
prices are in EUR
ref
part #
description
quantity
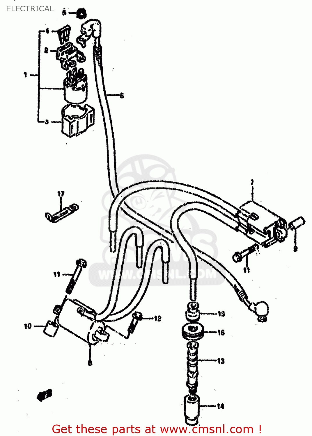
1
3180007D00
ref: 1
RELAY ASSY,STARTING MOTOR
3180007D00
€ 87.50

2
3184107D00
ref: 2
TERMINAL,RELAY
3184107D00
€ 19.00

3
3189207D00
ref: 3
BRACKET,STARTING MOTOR RELAY
3189207D00
€ 13.50

4
0948130201
ref: 4
FUSE (30A)
€ 6.00

5
0836135066
ref: 5
NUT
€ 2.00

6
3381046E01
ref: 6
WIRE,STARTER MOTOR LEAD
€ 36.50

7
3341017E00
ref: 7
COIL ASSY,IGNITION
3341017E00
€ 109.50

8
3342017E00
ref: 8
COIL ASSY,IGNITION
3342017E00
€ 101.50

9
0918006072
ref: 9
SPACER
0918006072
€ 2.50

10
3341917E00
ref: 10
SPACER,IGNITION COIL 1
€ 4.50

11
0155006403
ref: 11
BOLT
0155006403
€ 2.50

12
0155006203
ref: 12
BOLT
0155006203
€ 2.50

13
3351017E10
ref: 13
CAP,SPARK PLUG
€ 46.00

14
3354120C00
ref: 14
SEAL,SPARK PLUG
3354120C00
€ 21.00

15
3354238B00
ref: 15
SEAL,HIGH TENSION CORD
3354238B00
€ 5.00

16
3354317E01
ref: 16
COVER,SPARK PLUG CAP
3354317E01
€ 19.00

17
0940406404
ref: 17
CLAMP
0940406404
€ 3.50