Buy Suzuki RG Parts Online

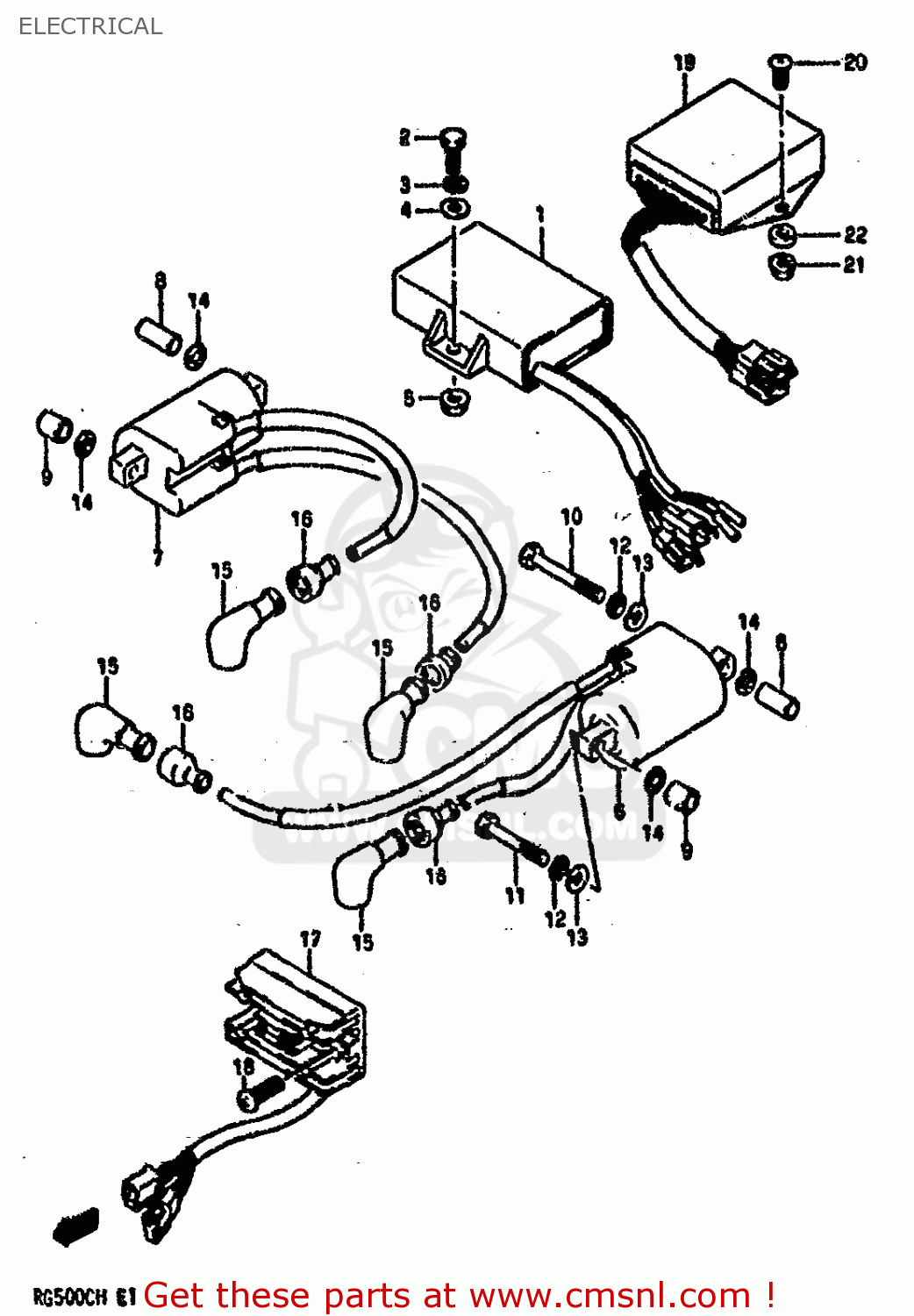
ELECTRICAL

RG500C 1987 (H) (E01 E02 E04 E06 E15 16 17 21 22 24 25 34 39 53)

Electrical diagram RG500C 1987 (H) (E01 E02 E04 E06 E15 16 17 21 22 24 25 34 39 53)

ELECTRICAL RG500C 1987 (H) (E01 E02 E04 E06 E15 16 17 21 22 24 25 34 39 53)
ELECTRICAL RG500C 1987 (H) (E01 E02 E04 E06 E15 16 17 21 22 24 25 34 39 53)
ELECTRICAL RG500C 1987 (H) (E01 E02 E04 E06 E15 16 17 21 22 24 25 34 39 53)
prices are in EUR
ref
part #
description
quantity
1
3290020A00
ref: 1
CDI UNIT
3290020A00
€ 472.50

2
0110706206
ref: 2
BOLT,M6X1X20
0110706206
€ 2.50

3
0832121066
ref: 3
WASHER,LOCK
0832121066
€ 2.50

4
0832221066
ref: 4
WASHER, LOWER
0832221066
€ 2.50

5
0831616066
ref: 5
NUT
€ 2.50

6
3341020A00
ref: 6
COIL ASSY,IGN.
3341020A00
€ 136.00

7
3342020A00
ref: 7
COIL ASSY,IGN.
€ 136.00

8
0918006031
ref: 8
SPACER (6.8X10X20)
0918006031
€ 2.00

9
0918006061
ref: 9
SPACER
0918006061
€ 3.00

10
0110706506
ref: 10
BOLT 6X50
€ 2.50

11
0110706456
ref: 11
BOLT
€ 2.50

12
0832121066
ref: 12
WASHER,LOCK
0832121066
€ 2.50

13
0832221066
ref: 13
WASHER, LOWER
0832221066
€ 2.50

14
0916006019
ref: 14
WASHER(6.5X16X1.2)
0916006019
€ 2.00

15
3351020A00
ref: 15
CAP,SPARK PLUG
€ 25.00

16
3354298000
ref: 16
SEAL,SPARK PLU
3354298000
€ 5.00

17
3280020A00
ref: 17
RECTIFIER
€ 390.00

18
0211206205
ref: 18
SCREW
€ 2.50

19
3291020A00
ref: 19
EXHAUST CTRL
€ 278.00

20
0214206166
ref: 20
SCREW
€ 3.00

21
0831616066
ref: 21
NUT
€ 2.50

22
0916106019
ref: 22
WASHER
€ 0.00