×
Buy Suzuki DL Parts Online
home
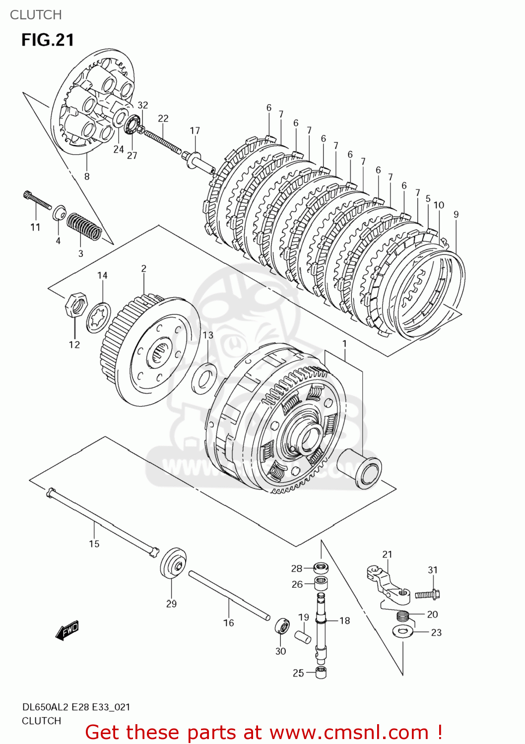
CLUTCH
DL650A VSTROM 2012 (L2) USA (E03)
Clutch diagram DL650A VSTROM 2012 (L2) USA (E03)
CLUTCH DL650A VSTROM 2012 (L2) USA (E03)
×
prices are in EUR
ref
part #
description
quantity
1
2120044860
ref: 1
GEAR ASSY,PRI DRIVEN
€ 258.00
2
2141144101
ref: 2
HUB,CLUTCH SLEEVE
€ 61.50
3
2141317G10
ref: 3
SPRING,CLUTCH
€ 6.00
4
2141429F00
ref: 4
WASHER
€ 5.50
5
2144229F10
ref: 5
PLATE,CLUTCH DRIVE NO.2 (NAS)
€ 14.50
6
2144129F30
ref: 6
PLATE,CLUTCH DRIVE (NAS)
€ 14.50
7
2145128C31
ref: 7
PLATE,CLUTCH DRIVEN(T:1.6) (NAS)
€ 10.50
8
2146214301
ref: 8
DISC,CLUTCH PRESSURE
€ 54.50
9
2147117G00
ref: 9
SEAT,WAVE WASHER
€ 9.50
10
2147217G00
ref: 10
WASHER,CLUTCH PLATE WAVE
€ 16.50
11
2148241G10
ref: 11
BOLT,CLUTCH SPRING
€ 3.50
12
0914020001
ref: 12
NUT
€ 4.00
13
0916020067
ref: 13
WASHER(20X36X3)
€ 7.00
14
0916720006
ref: 14
09167-20009
WASHER,LOCK
€ 3.50
15
2311044111
ref: 15
ROD,PUSH,R
€ 14.00
16
2311115501
ref: 16
ROD,CLUTCH PUSH,L
€ 12.50
17
2312144H00
ref: 17
PIECE,CLUTCH PUSH
€ 35.00
18
2312244H00
ref: 18
CAMSHAFT,CLUTCH RELEASE
€ 43.00
19
2312341G00
ref: 19
CAP,CLUTCH PUSH ROD
€ 10.50
20
2312511J00
ref: 20
SPRING,CLUTCH RELEASE RETURN
€ 2.50
21
2327144H10
ref: 21
ARM,CLUTCH RELEASE
€ 58.50
22
0913406015
ref: 22
SCREW(6X73)
€ 6.00
23
0916010020
ref: 23
WASHER(10.5X24X1)
€ 2.00
24
0916015045
ref: 24
WASHER(15.5X28X1)
€ 4.50
25
0926310014
ref: 25
BEARING(10X14X10)
€ 12.00
26
0926312027
ref: 26
BEARING(12X18X12)
€ 7.00
27
0926315003
ref: 27
BEARING(15X28X2)
€ 7.50
28
0928210012
ref: 28
SEAL,OIL(10X20X6)
€ 7.50
29
0928306008
ref: 29
SEAL,OIL(6X34X10.5)
€ 13.00
30
0928510004
ref: 30
SEAL,OIL(10X17X5)
€ 3.50
31
015470620A
ref: 31
BOLT
€ 3.00
32
083100006A
ref: 32
NUT
€ 2.50
up
all assemblies
ADVENTURE CASES
AIR CLEANER
BATTERY
BATTERY HOLDER
CAM CHAIN
CAMSHAFT / VALVE
CARRIER (DL650AL2 E28)
CARRIER (DL650AL2 E33)
CENTER STAND SET (OPTIONAL)
CLUTCH
COWLING BODY
CRANKCASE
CRANKCASE COVER
CRANKSHAFT
CYLINDER
ELECTRICAL (DL650AL2 E28)
ELECTRICAL (DL650AL2 E33)
EVAP SYSTEM (DL650AL2 E33)
FOOTREST
FRAME
FRAME COVER
FRONT BRAKE HOSE
FRONT CALIPER
FRONT CYLINDER HEAD
FRONT DAMPER
FRONT FENDER
FRONT MASTER CYLINDER
FRONT WHEEL
FUEL PUMP
FUEL TANK (DL650AL2 E28)
FUEL TANK (DL650AL2 E33)
FUEL TANK COVER
GASKET SET
GEAR SHIFTING
GRIP HEATER SET (OPTIONAL)
HANDLE LEVER
HANDLE SWITCH
HANDLEBAR
HEADLAMP
HIGH SEAT (OPTIONAL)
HYDRAULIC UNIT
KNUCKLE COVER SET (OPTIONAL)
LABEL (DL650AL2 E28)
LABEL (DL650AL2 E33)
LOW SEAT (OPTIONAL)
MAGNETO
MUFFLER
OIL COOLER
OIL PUMP
POWER SOURCE TERMINAL SET (OPTIONAL)
RADIATOR
RADIATOR HOSE
REAR CALIPER
REAR COMBINATION LAMP
REAR CUSHION LEVER (DL650AL2 E28)
REAR CUSHION LEVER (DL650AL2 E33)
REAR CYLINDER HEAD
REAR FENDER
REAR MASTER CYLINDER
REAR SWINGING ARM
REAR WHEEL
SEAT
SIDE COWLING
SPEEDOMETER (DL650AL2 E28)
SPEEDOMETER (DL650AL2 E33)
STAND
STARTER CLUTCH
STARTING MOTOR
STEERING STEM
THROTTLE BODY (DL650AL2 E28)
THROTTLE BODY (DL650AL2 E33)
TRANSMISSION
TURNSIGNAL LAMP
UNDER COWLING SET (OPTIONAL)
WATER PUMP
WIRING HARNESS (DL650AL2 E28)
WIRING HARNESS (DL650AL2 E33)
up