×
Buy Suzuki TL Parts Online
home
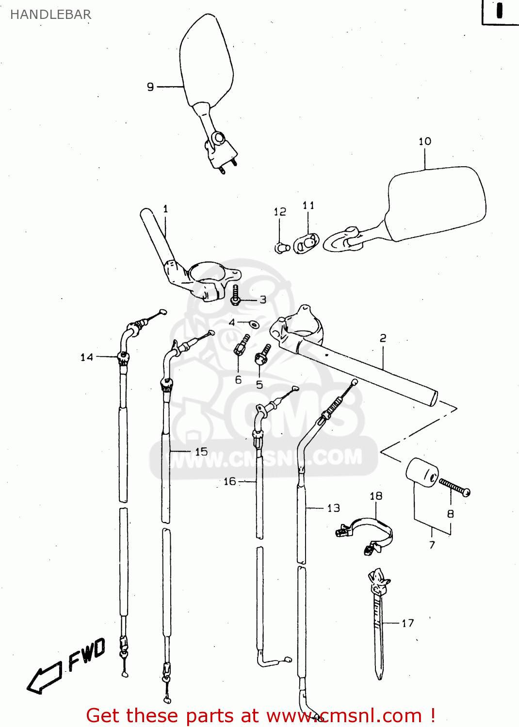
HANDLEBAR
TL1000S 2000 (Y)
Handlebar diagram TL1000S 2000 (Y)
HANDLEBAR TL1000S 2000 (Y)
×
prices are in EUR
ref
part #
description
quantity
1
5611102F00
ref: 1
HANDLEBAR,R
€ 152.50
2
5615102F00
ref: 2
HANDLEBAR,L
€ 145.50
3
0155006163
ref: 3
BOLT
€ 2.50
4
0832201083
ref: 4
MODEL V/W
WASHER
€ 2.00
5
0910308269
ref: 5
MODEL V/W
BOLT(8X30)
€ 3.00
6
5612102F00
ref: 6
MODEL V/W
BOLT,HANDLEBAR,L
€ 9.00
6
0910308269
ref: 6
MODEL X
BOLT(8X30)
€ 3.00
7
5620004821
ref: 7
BALANCER SET,HANDLEBAR
€ 42.50
8
0212206603
ref: 8
SCREW
€ 3.50
9
5650022D11
ref: 9
MIRROR ASSY,RR VIEW,R
€ 249.00
10
5660022D11
ref: 10
MIRROR ASSY,RR VIEW,L
€ 219.50
11
9457622D00
ref: 11
CUSHION,RR VIEW MIRRORR
€ 6.50
12
5661917C00
ref: 12
NUT,RR VIEW MIRROR
€ 8.50
13
5820002F00
ref: 13
CABLE ASSY,CLUTCH
€ 33.00
14
5830002F00
ref: 14
MODEL V
CABLE ASSY,THROTTLE NO.1
€ 38.50
14
5830002F01
ref: 14
MODEL W/X
CABLE ASSY,THROTTLE NO.1
€ 38.50
15
5830002F10
ref: 15
MODEL V
CABLE ASSY,THROTTLE NO.2
€ 21.50
15
5830002F11
ref: 15
MODEL W/X
CABLE ASSY,THROTTLE NO.2
€ 21.50
16
5841002F00
ref: 16
CABLE,STARTER
€ 30.50
17
0940711402
ref: 17
MODEL V
CLAMP(L:90)
€ 2.50
18
0940324302
ref: 18
MODEL W/X
CLAMP
€ 0.00
up
all assemblies
* COLOR CHART *
* COLOR CHART *
* CATALOG PREFACE *
FRONT CYLINDER HEAD (MODEL V)
THROTTLE BODY (MODEL V)
THROTTLE BODY (MODEL W/X)
THROTTLE BODY FITTING PARTS
AIR CLEANER (MODEL V)
AIR CLEANER (MODEL W/X)
MUFFLER
OIL PUMP / FUEL PUMP
OIL COOLER
WATER PUMP
RADIATOR
RADIATOR HOSE
2ND AIR (MODEL V E18, E39)
2ND AIR (MODEL W/X E18, E22)
CLUTCH (MODEL V/W)
CLUTCH (MODEL X)
TRANSMISSION (MODEL V/W)
TRANSMISSION (MODEL X)
FRONT CYLINDER HEAD (MODEL W/X)
REAR CYLINDER HEAD (MODEL V)
GEAR SHIFTING (MODEL V/W)
GEAR SHIFTING (MODEL X)
STARTING MOTOR
MAGNETO
ELECTRICAL (MODEL V)
ELECTRICAL (MODEL W/X)
BATTERY
SPEEDOMETER (MODEL V)
SPEEDOMETER (MODEL W/X)
HEADLAMP (E2, E24)
HEADLAMP (MODEL V E4, E18, E22, E25, E34, E39, P37)
HEADLAMP (MODEL W/X E4, E18, E22, E25, E34)
TURNSIGNAL LAMP
TAIL LAMP (MODEL V)
TAIL LAMP (MODEL W/X)
WIRING HARNESS (MODEL V)
WIRING HARNESS (MODEL W/X)
REAR CYLINDER HEAD (MODEL W/X)
CYLINDER
HANDLE SWITCH
FRAME
STAND
FOOTREST
FUEL TANK (MODEL V/W)
FUEL TANK (MODEL X)
FRAME COVER (MODEL V)
FRAME COVER (MODEL W)
FRAME COVER (MODEL X)
FRONT FENDER
HANDLEBAR
HANDLE LEVER
REAR FENDER (MODEL V)
REAR FENDER (MODEL W/X)
CRANKCASE
COWLING BODY (MODEL V)
COWLING BODY (MODEL W)
COWLING BODY (MODEL X)
INSTALLATION PARTS
LABEL (MODEL V)
LABEL (MODEL W/X)
SEAT
PILLION RIDER HANDLE SET (OPTIONAL)
FRONT DAMPER (MODEL V)
FRONT DAMPER (MODEL W/X)
STEERING STEM (MODEL V)
STEERING STEM (MODEL W/X)
STEERING DAMPER (MODEL V)
STEERING DAMPER (MODEL W/X)
FRONT WHEEL
FRONT CALIPERS
CRANKCASE COVER
FRONT BRAKE HOSE
FRONT MASTER CYLINDER
REAR SWINGING ARM (E2, E4, E25, E34, P37)
REAR SWINGING ARM (MODEL V E18, E22, E24, E39)
REAR SWINGING ARM (MODEL W/X E18, E22, E24)
REAR DAMPER
REAR CUSHION LEVER
REAR WHEEL
REAR CALIPER
REAR MASTER CYLINDER
OPTIONAL
CRANKSHAFT
STARTER CLUTCH
CAM SHAFT / VALVE
CAM CHAIN
up