×
Buy Suzuki TL Parts Online
home
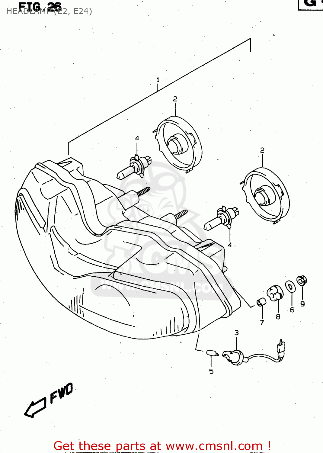
HEADLAMP (E2, E24)
TL1000S 2000 (Y)
Headlamp (e2, e24) diagram TL1000S 2000 (Y)
HEADLAMP (E2, E24) TL1000S 2000 (Y)
×
prices are in EUR
ref
part #
description
quantity
1
3510002F20999
ref: 1
HEADLAMP ASSY
€ 342.50
1
3510002F30999
ref: 1
E24
HEADLAMP ASSEMBLY
€ 354.00
2
3512502F00
ref: 2
COVER,SOCKET
€ 15.50
3
3611818E51
ref: 3
E2
SOCKET ASSY
€ 15.00
4
0947112185
ref: 4
BULB(12V60/55W,H4)
€ 8.00
5
0947112081
ref: 5
E2
BULB(12V5W)
€ 1.50
6
0916006088
ref: 6
WASHER(6.5X20X1.6)
€ 2.00
7
0918006267
ref: 7
SPACER(6.5X9X12.5)
€ 3.50
8
0932009010
ref: 8
CUSHION
€ 3.00
9
0831610063
ref: 9
NUT
€ 2.50
up
all assemblies
* COLOR CHART *
* COLOR CHART *
* CATALOG PREFACE *
FRONT CYLINDER HEAD (MODEL V)
THROTTLE BODY (MODEL V)
THROTTLE BODY (MODEL W/X)
THROTTLE BODY FITTING PARTS
AIR CLEANER (MODEL V)
AIR CLEANER (MODEL W/X)
MUFFLER
OIL PUMP / FUEL PUMP
OIL COOLER
WATER PUMP
RADIATOR
RADIATOR HOSE
2ND AIR (MODEL V E18, E39)
2ND AIR (MODEL W/X E18, E22)
CLUTCH (MODEL V/W)
CLUTCH (MODEL X)
TRANSMISSION (MODEL V/W)
TRANSMISSION (MODEL X)
FRONT CYLINDER HEAD (MODEL W/X)
REAR CYLINDER HEAD (MODEL V)
GEAR SHIFTING (MODEL V/W)
GEAR SHIFTING (MODEL X)
STARTING MOTOR
MAGNETO
ELECTRICAL (MODEL V)
ELECTRICAL (MODEL W/X)
BATTERY
SPEEDOMETER (MODEL V)
SPEEDOMETER (MODEL W/X)
HEADLAMP (E2, E24)
HEADLAMP (MODEL V E4, E18, E22, E25, E34, E39, P37)
HEADLAMP (MODEL W/X E4, E18, E22, E25, E34)
TURNSIGNAL LAMP
TAIL LAMP (MODEL V)
TAIL LAMP (MODEL W/X)
WIRING HARNESS (MODEL V)
WIRING HARNESS (MODEL W/X)
REAR CYLINDER HEAD (MODEL W/X)
CYLINDER
HANDLE SWITCH
FRAME
STAND
FOOTREST
FUEL TANK (MODEL V/W)
FUEL TANK (MODEL X)
FRAME COVER (MODEL V)
FRAME COVER (MODEL W)
FRAME COVER (MODEL X)
FRONT FENDER
HANDLEBAR
HANDLE LEVER
REAR FENDER (MODEL V)
REAR FENDER (MODEL W/X)
CRANKCASE
COWLING BODY (MODEL V)
COWLING BODY (MODEL W)
COWLING BODY (MODEL X)
INSTALLATION PARTS
LABEL (MODEL V)
LABEL (MODEL W/X)
SEAT
PILLION RIDER HANDLE SET (OPTIONAL)
FRONT DAMPER (MODEL V)
FRONT DAMPER (MODEL W/X)
STEERING STEM (MODEL V)
STEERING STEM (MODEL W/X)
STEERING DAMPER (MODEL V)
STEERING DAMPER (MODEL W/X)
FRONT WHEEL
FRONT CALIPERS
CRANKCASE COVER
FRONT BRAKE HOSE
FRONT MASTER CYLINDER
REAR SWINGING ARM (E2, E4, E25, E34, P37)
REAR SWINGING ARM (MODEL V E18, E22, E24, E39)
REAR SWINGING ARM (MODEL W/X E18, E22, E24)
REAR DAMPER
REAR CUSHION LEVER
REAR WHEEL
REAR CALIPER
REAR MASTER CYLINDER
OPTIONAL
CRANKSHAFT
STARTER CLUTCH
CAM SHAFT / VALVE
CAM CHAIN
up