×
Buy Suzuki GN Parts Online
home
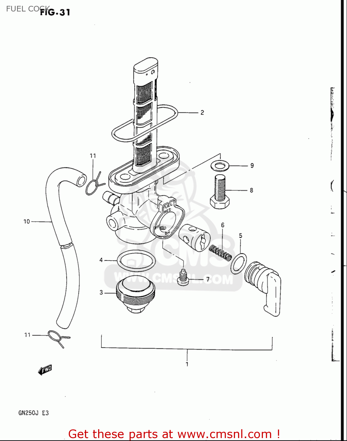
FUEL COCK
GN250 1988 (J) USA (E03)
Fuel cock diagram GN250 1988 (J) USA (E03)
FUEL COCK GN250 1988 (J) USA (E03)
×
prices are in EUR
ref
part #
description
quantity
1
4430022076
ref: 1
COCK ASSY,FUEL
€ 71.00
2
4434828070
ref: 2
O RING,FUEL COCK
€ 5.00
3
4434728071
ref: 3
CUP,STRAINER
€ 8.50
4
4434628070
ref: 4
GASKET,FILTER (NAS)
€ 3.00
5
4435312C01
ref: 5
O RING,LEVER
€ 8.50
6
4435732470
ref: 6
SPRING
€ 2.00
7
4434341370
ref: 7
SCREW
€ 2.00
8
0912806057
ref: 8
BOLT(6X20)
€ 2.00
9
0916806023
ref: 9
GASKET(5.8X13X1.2) (NAS)
€ 2.00
10
0935250823600
ref: 10
HOSE(5X8.2X600)
€ 14.00
11
0940108401
ref: 11
CLIP
€ 2.00
up
all assemblies
CYLINDER HEAD
CYLINDER
CRANKCASE
CRANKCASE COVER
CRANKSHAFT
STARTER CLUTCH
CRANK BALANCER
CAM SHAFT - VALVE
CAM CHAIN
CARBURETOR
AIR CLEANER
MUFFLER
OIL PUMP
CLUTCH
TRANSMISSION
GEAR SHIFTING
STARTING MOTOR
MAGNETO
BATTERY
ELECTRICAL
SPEEDOMETER
HEADLAMP
TURN SIGNAL LAMP
REAR COMBINATION
WIRING HARNESS
FRAME
STAND
REAR BRAKE
FOOTREST
FUEL TANK
FUEL COCK
SEAT
FRAME COVER
FRONT FORK
STEERING STEM
HEADLAMP HOUSING - FRONT FENDER
FRONT WHEEL (MODEL F)
FRONT WHEEL (MODEL J)
HANDLEBAR
RIGHT HANDLE SWITCH (MODEL F)
RIGHT HANDLE SWITCH (MODEL J)
LEFT HANDLE SWITCH
FRONT CALIPERS (MODEL J)
MASTER CYLINDER (MODEL J)
FRONT BRAKE HOSE (MODEL J)
REAR SWINGING ARM
CHAIN CASE - SHOCK ABSORBER
REAR FENDER
REAR WHEEL
OPTIONAL
up