×
Buy Suzuki GN Parts Online
home
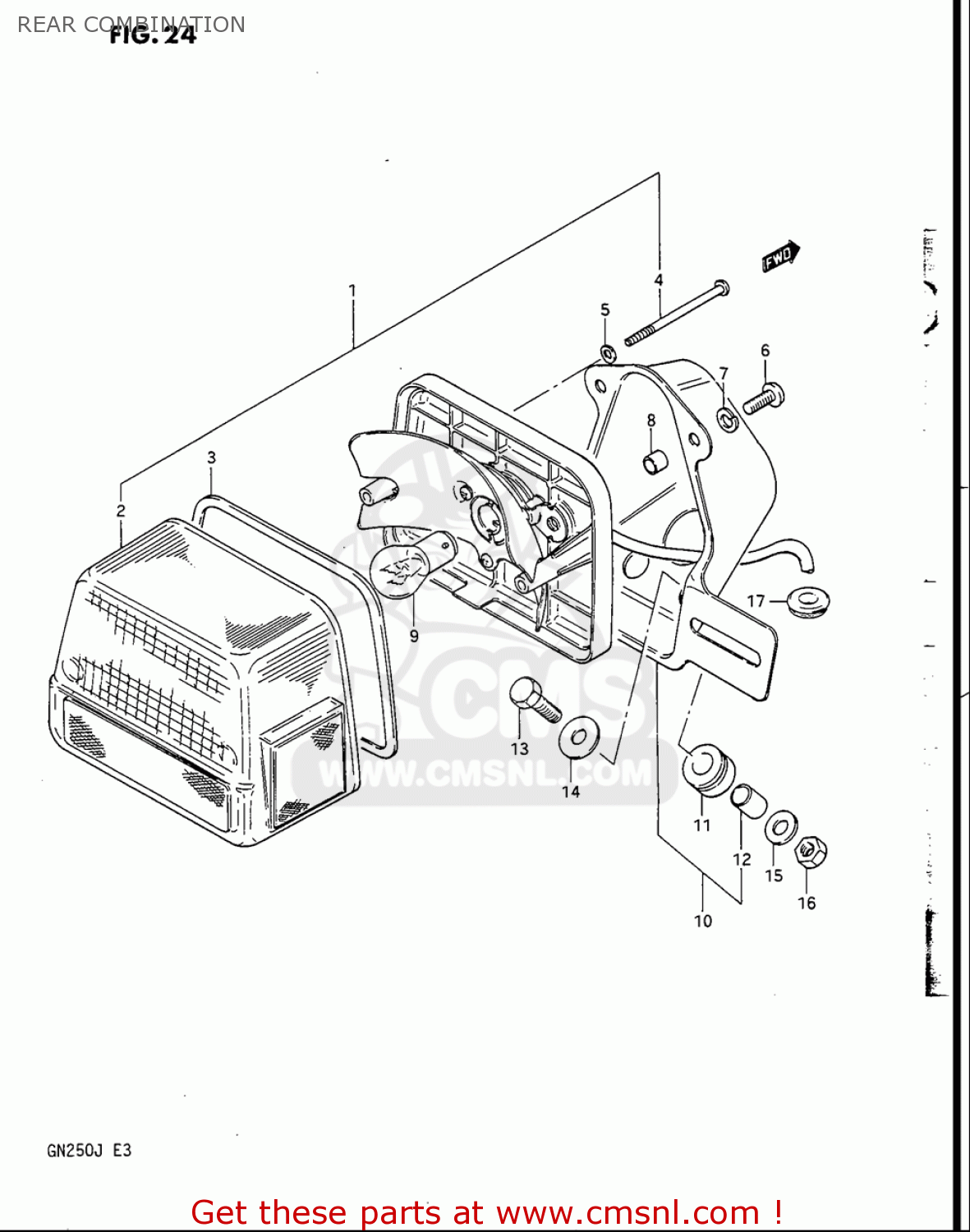
REAR COMBINATION
GN250 1988 (J) USA (E03)
Rear combination diagram GN250 1988 (J) USA (E03)
REAR COMBINATION GN250 1988 (J) USA (E03)
×
prices are in EUR
ref
part #
description
quantity
1
3572038330999
ref: 1
LAMP UNIT,RR COMBNATION
€ 88.00
2
3571249130
ref: 2
LENS
€ 49.00
3
3571349130
ref: 3
GASKET (NAS)
€ 5.50
4
3572344130
ref: 4
SCREW
€ 2.00
5
3562743010
ref: 5
GASKET (NAS)
€ 2.00
6
0211205167
ref: 6
SCREW
€ 2.50
7
0832101057
ref: 7
WASHER,LOCK
€ 2.00
9
0947112035
ref: 9
BULB(12V23W)
€ 5.50
10
3573049130
ref: 10
BRACKET UNIT,TAIL LAMP
€ 0.00
11
3576522210
ref: 11
CUSHION
€ 4.50
12
3576637120
ref: 12
SPACER
€ 2.50
13
0150006257
ref: 13
BOLT
€ 2.50
14
0916006077
ref: 14
WASHER(6.5X20X1.2)
€ 2.00
15
083220106A
ref: 15
WASHER
€ 2.50
16
083100006A
ref: 16
NUT
€ 2.50
17
0930809004
ref: 17
GROMMET
€ 0.00
up
all assemblies
CYLINDER HEAD
CYLINDER
CRANKCASE
CRANKCASE COVER
CRANKSHAFT
STARTER CLUTCH
CRANK BALANCER
CAM SHAFT - VALVE
CAM CHAIN
CARBURETOR
AIR CLEANER
MUFFLER
OIL PUMP
CLUTCH
TRANSMISSION
GEAR SHIFTING
STARTING MOTOR
MAGNETO
BATTERY
ELECTRICAL
SPEEDOMETER
HEADLAMP
TURN SIGNAL LAMP
REAR COMBINATION
WIRING HARNESS
FRAME
STAND
REAR BRAKE
FOOTREST
FUEL TANK
FUEL COCK
SEAT
FRAME COVER
FRONT FORK
STEERING STEM
HEADLAMP HOUSING - FRONT FENDER
FRONT WHEEL (MODEL F)
FRONT WHEEL (MODEL J)
HANDLEBAR
RIGHT HANDLE SWITCH (MODEL F)
RIGHT HANDLE SWITCH (MODEL J)
LEFT HANDLE SWITCH
FRONT CALIPERS (MODEL J)
MASTER CYLINDER (MODEL J)
FRONT BRAKE HOSE (MODEL J)
REAR SWINGING ARM
CHAIN CASE - SHOCK ABSORBER
REAR FENDER
REAR WHEEL
OPTIONAL
up