prices are in EUR
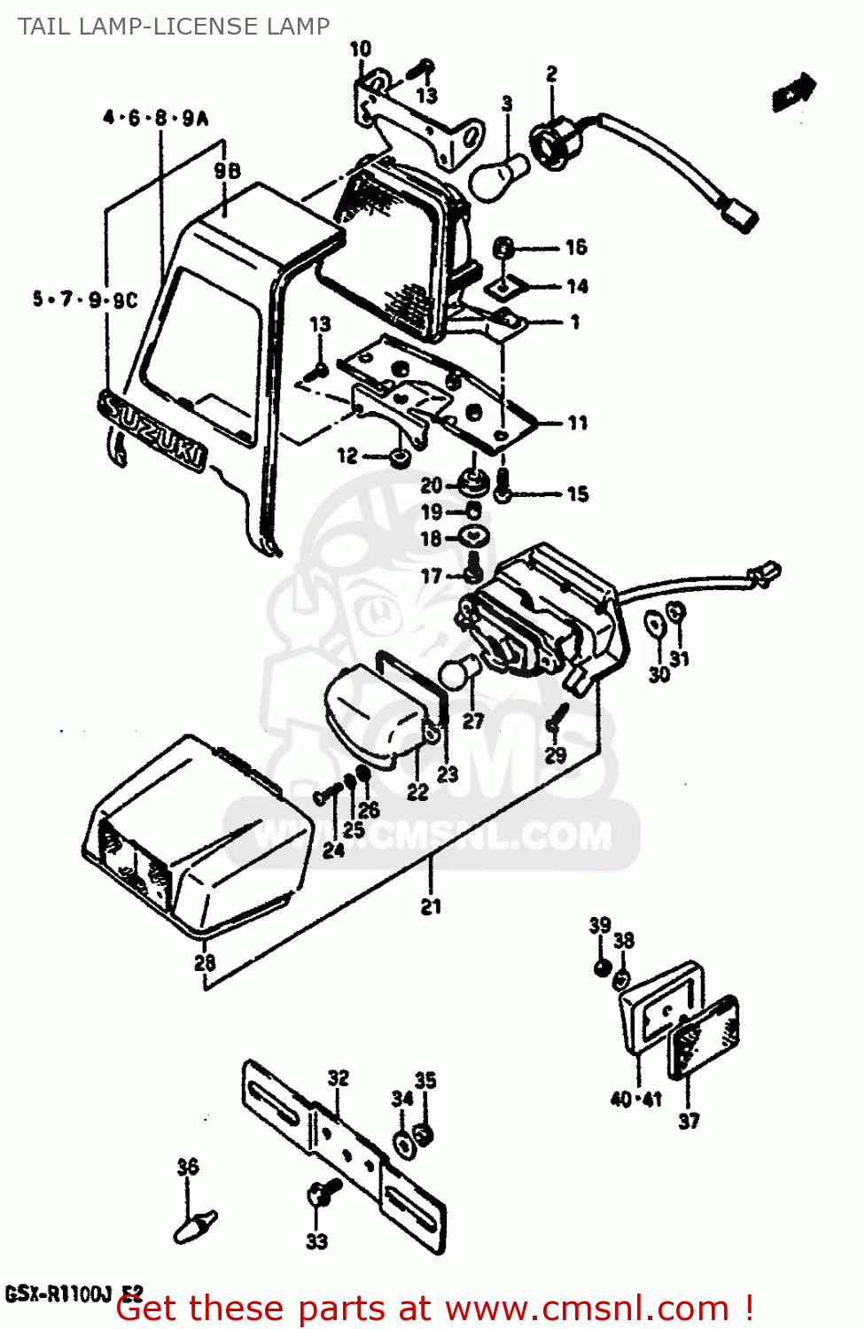
ref
part #
description
quantity
 
1-1
UNIT,REAR COMBINATION LAMP
 
 
 
1-2
UNIT,REAR COMBINATION LAMP
 
1-3
UNIT,REAR COMBINATION LAMP
 
2
SOCKET & CORD ASSEMBLY
 
 
 
3-1
BULB(12V23/8W,TOKAI DENSO)
 
 
 
3-2
BULB(12V21/5W,BF141-49642A)
 
 
 
3-3
BULB(12V21/5W)
 
 
 
9
EMBLEM(WHITE)
 
 
 
9B-1
TAPE,REAR COMBINATION LAMP
 
9B-2
TAPE,REAR COMBINATION LAMP
 
10
PLATE
 
 
 
11
BRACKET
 
 
 
13
SCREW
 
 
 
17
BOLT,M6X1X20
 
 
 
18
WASHER
 
 
 
20
CUSHION
 
 
 
21-1
LAMP ASSEMBLY,LICENSE
 
 
 
21-2
LAMP ASSY,LICENSE
 
 
 
22-1
LENS,LICENSE LAMP
 
 
 
22-2
LENS,LICENSE LAMP
 
 
 
23
GASKET,LICESE LAMP (NAS)
 
 
 
24
SCREW
 
 
 
25
WASHER,LOCK 4M
 
 
 
26
WASHER 4MM
 
 
 
28
COVER,LICENSE LAMP
 
 
 
32
PLATE,RR LICENSE
 
 
 
34
WASHER
 
 
 
36
CUSHION
 
 
 
37
REFLEX REFLECTOR,REAR SIDE
 
38
WASHER(5.2X16X1)
 
 
 
39
NUT
 
 
 
40
SPACER,REAR SIDE,REAR,RIGHT
 
 
 
41
SPACER,REAR SIDE,REAR,LEFT
